GM Service Manual Online
For 1990-2009 cars only
Makes
🢒
Chevrolet
🢒
2005
🢒
TrailBlazer - 4WD
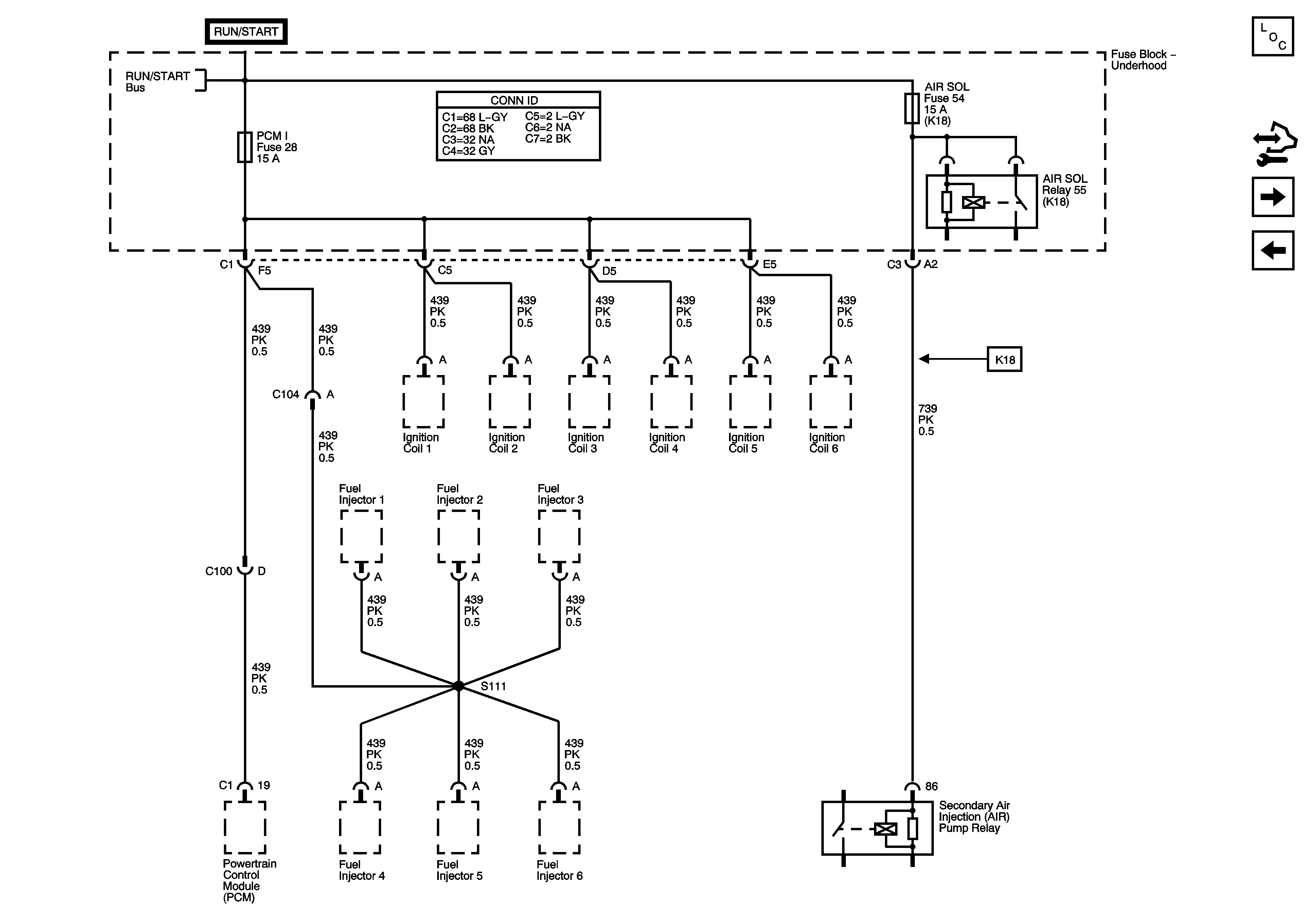
🢒 AIR SOL and PCMI Fuses - 4.2L
AIR SOL and PCMI Fuses - 4.2L
AIR SOL and PCMI Fuses - 4.2L
Master Electrical Component List
Control Module References
ECMI and TRANS Fuses - 5.3L
BACK UP, BTSI, IGNE, TBC IGN1, and TRLR B/U Fuses
Ignition Switch - ACCY/RUN and RUN/START Bus Bars, IGN B Fuse