GM Service Manual Online
For 1990-2009 cars only
Makes
🢒
Chevrolet
🢒
2006
🢒
Uplander Ext.
🢒
Vehicle Control Systems
🢒
Vehicle DTC Information
🢒 Door Lock/Indicator Schematics
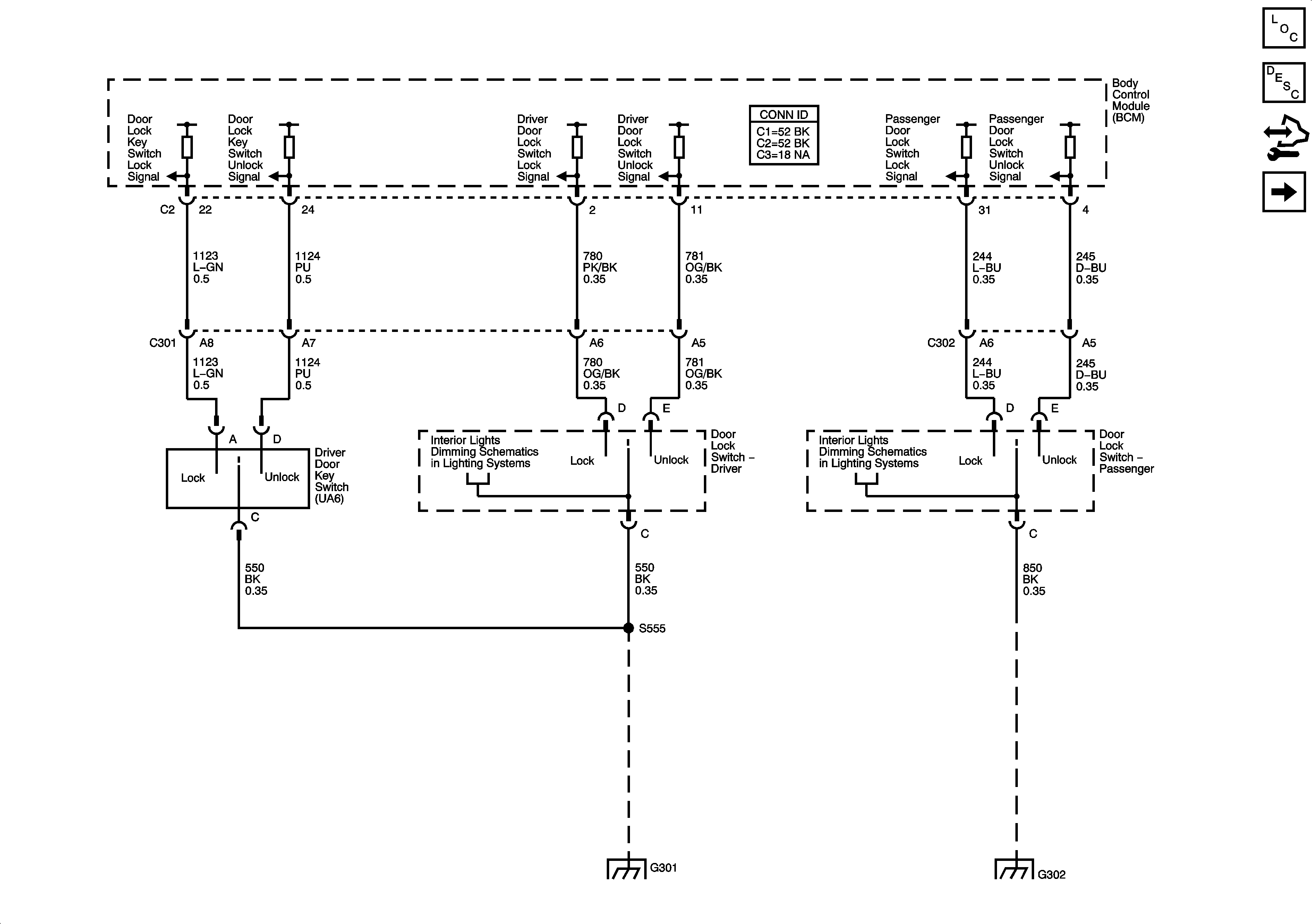
Figure
1:
Switches
Master Electrical Component List
Power Door Locks Description and Operation
Control Module References
Actuators
Left Door and Roof
Control, I/P and Passenger Door Lamps
G301
G302 - 1 of 2
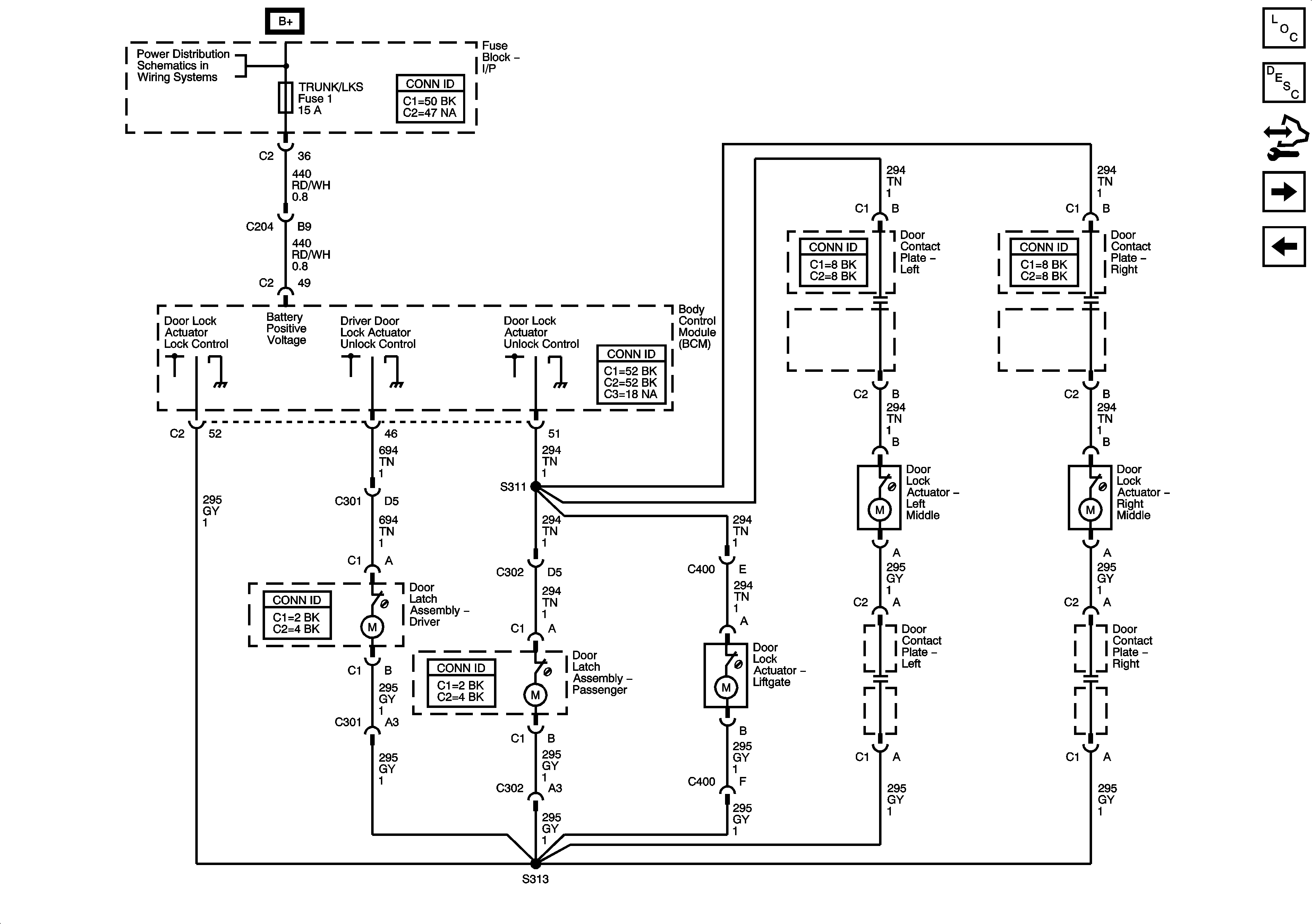
Figure
2:
Actuators
Master Electrical Component List
Power Door Locks Description and Operation
Control Module References
Indicators
Switches
BATT MAIN 3, ELC, and TRUNK/LKS Fuses
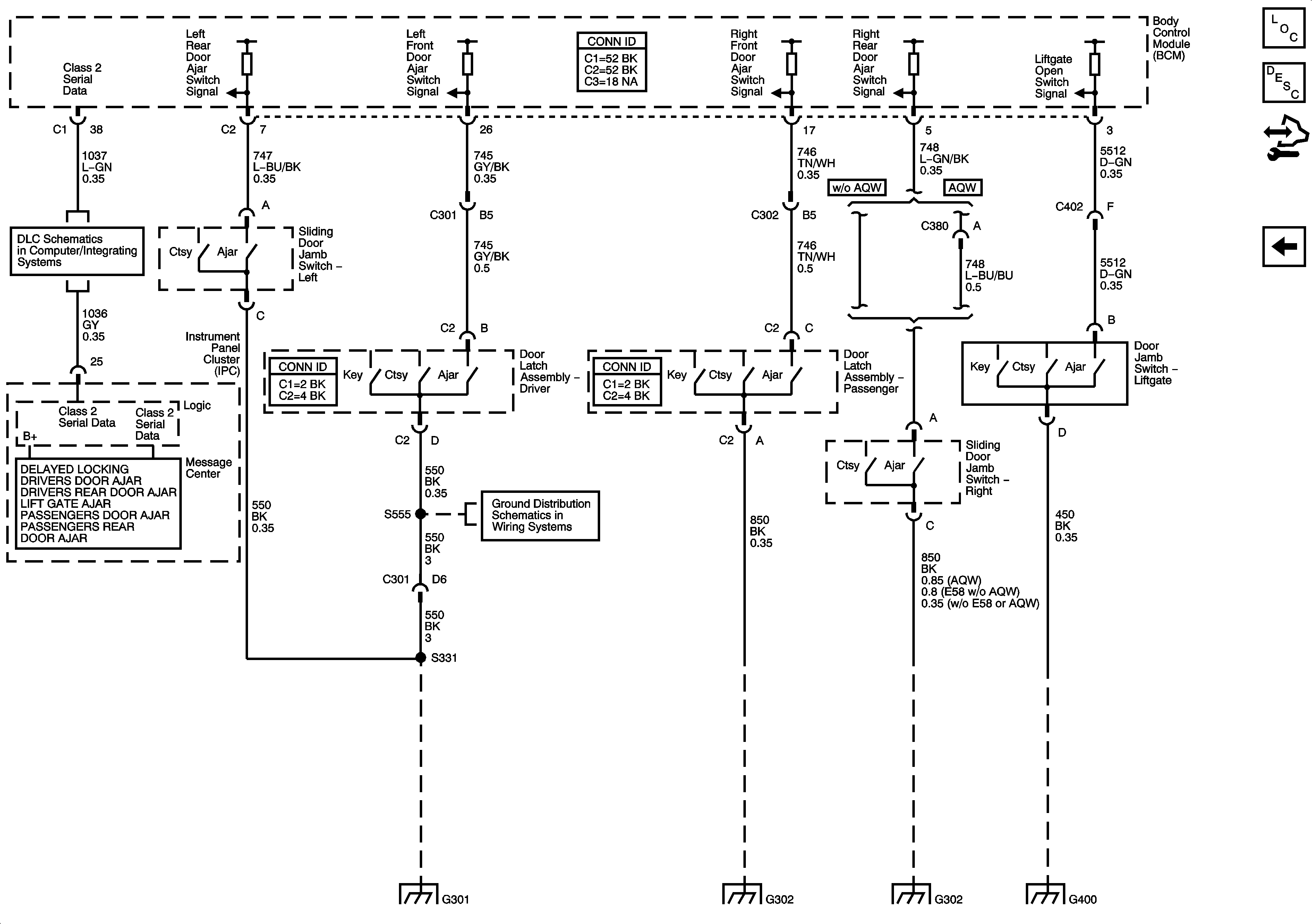
Figure
3:
Indicators
Master Electrical Component List
Door Ajar Indicator Description and Operation
Control Module References
Actuators
G301
G302 - 1 of 2
G301
G302 - 1 of 2
G302 - 2 of 2
G400