GM Service Manual Online
For 1990-2009 cars only
Makes
🢒
Chevrolet
🢒
2006
🢒
Uplander Ext.
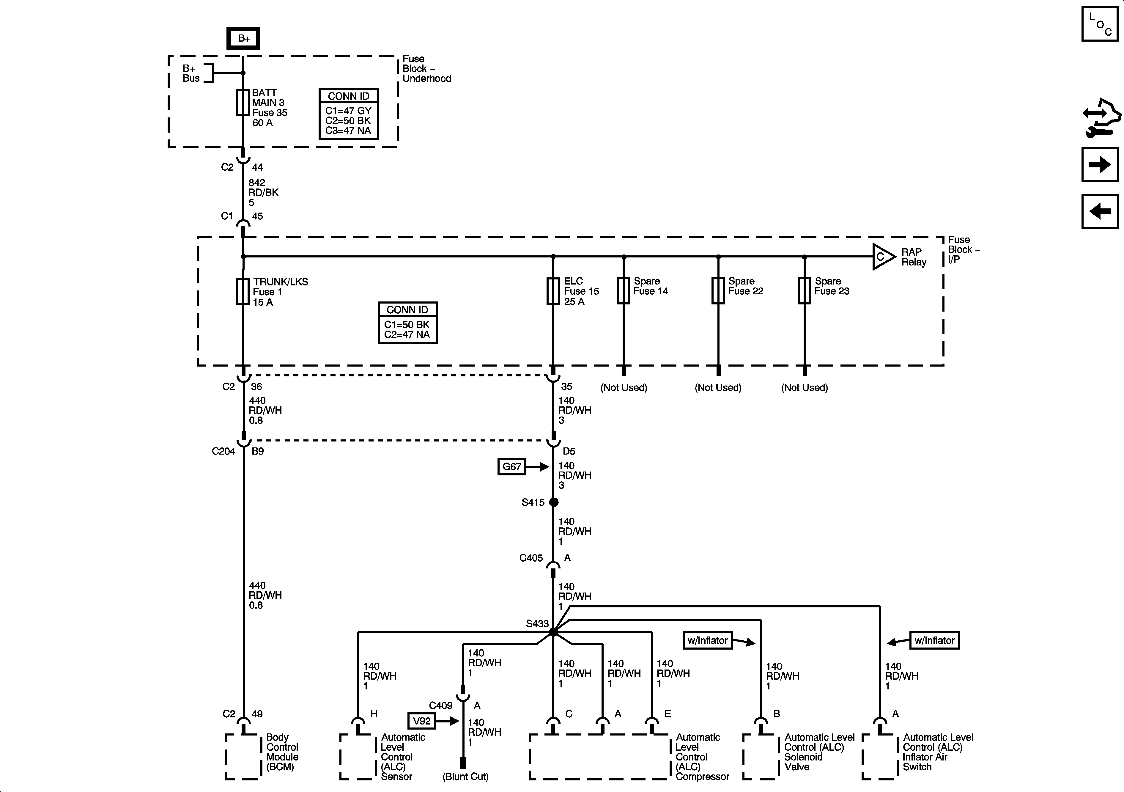
🢒 BATT MAIN 3, ELC, and TRUNK/LKS Fuses
BATT MAIN 3, ELC, and TRUNK/LKS Fuses
BATT MAIN 3, ELC, and TRUNK/LKS Fuses
Master Electrical Component List
Control Module References
Ignition Switch
BATT MAIN 2, HTD/SEATS, LH-PSD, PWR MIR, RH-PSD, Sit-N-Lift Seat, and STOP/TRN Fuses, PWR SEATS and Sit-N-Lift Circuit Breaker
B+ Bus
ELC, RR WPR, and STRG WHL ILLUM Fuses, PWR WNDW Circuit Breaker