GM Service Manual Online
For 1990-2009 cars only
Makes
🢒
Chevrolet
🢒
2006
🢒
Uplander Ext.
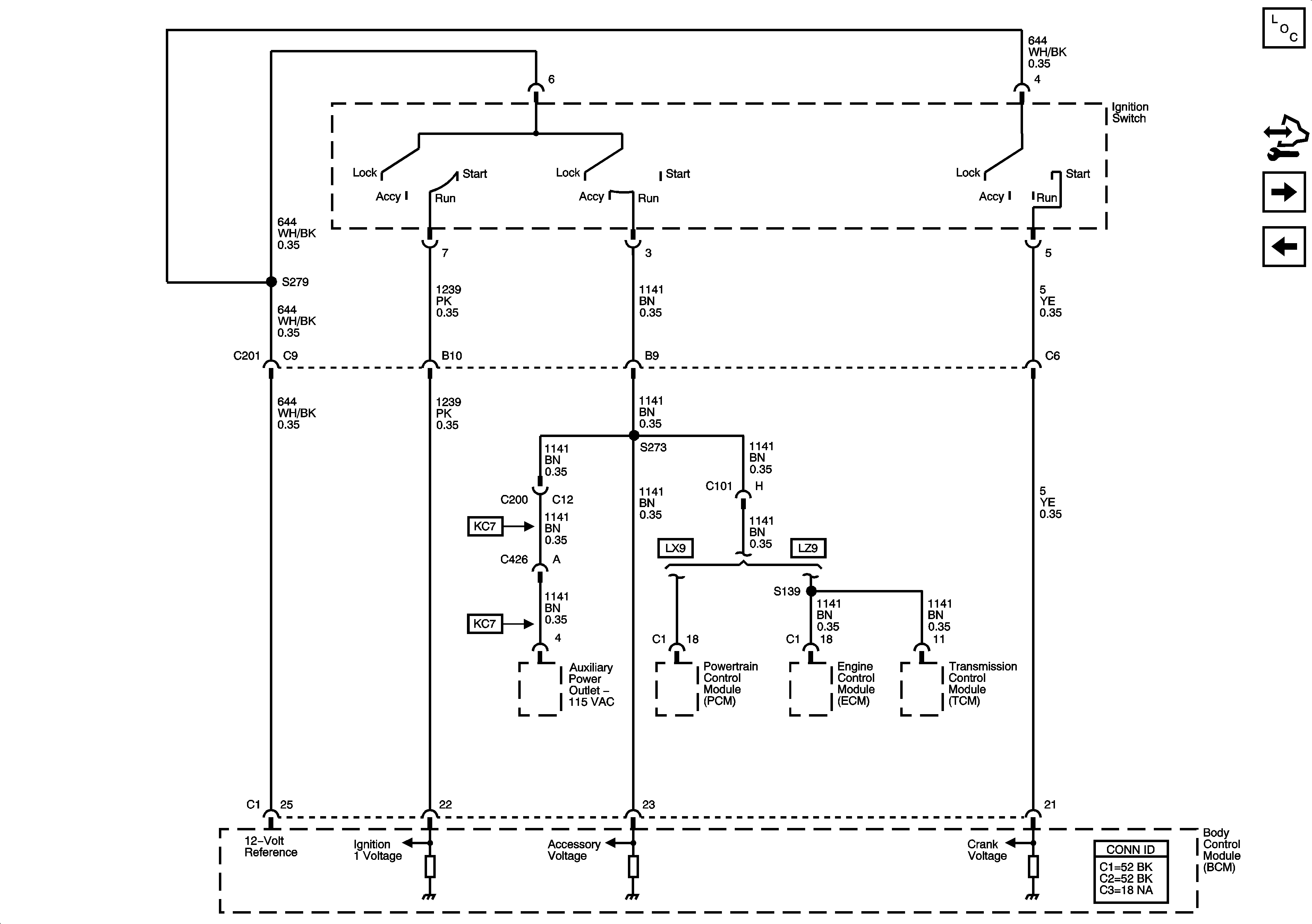
🢒 Ignition Switch
Ignition Switch
Ignition Switch
Master Electrical Component List
Control Module References
ABS, AIRBAG, CRUISE/SWTCH, HVAC/RPA/CRUISE, PCM IGN, and TRANS SOLS Fuses
BATT MAIN 3, ELC, and TRUNK/LKS Fuses