GM Service Manual Online
For 1990-2009 cars only
Makes
🢒
Chevrolet
🢒
2006
🢒
Uplander Ext.
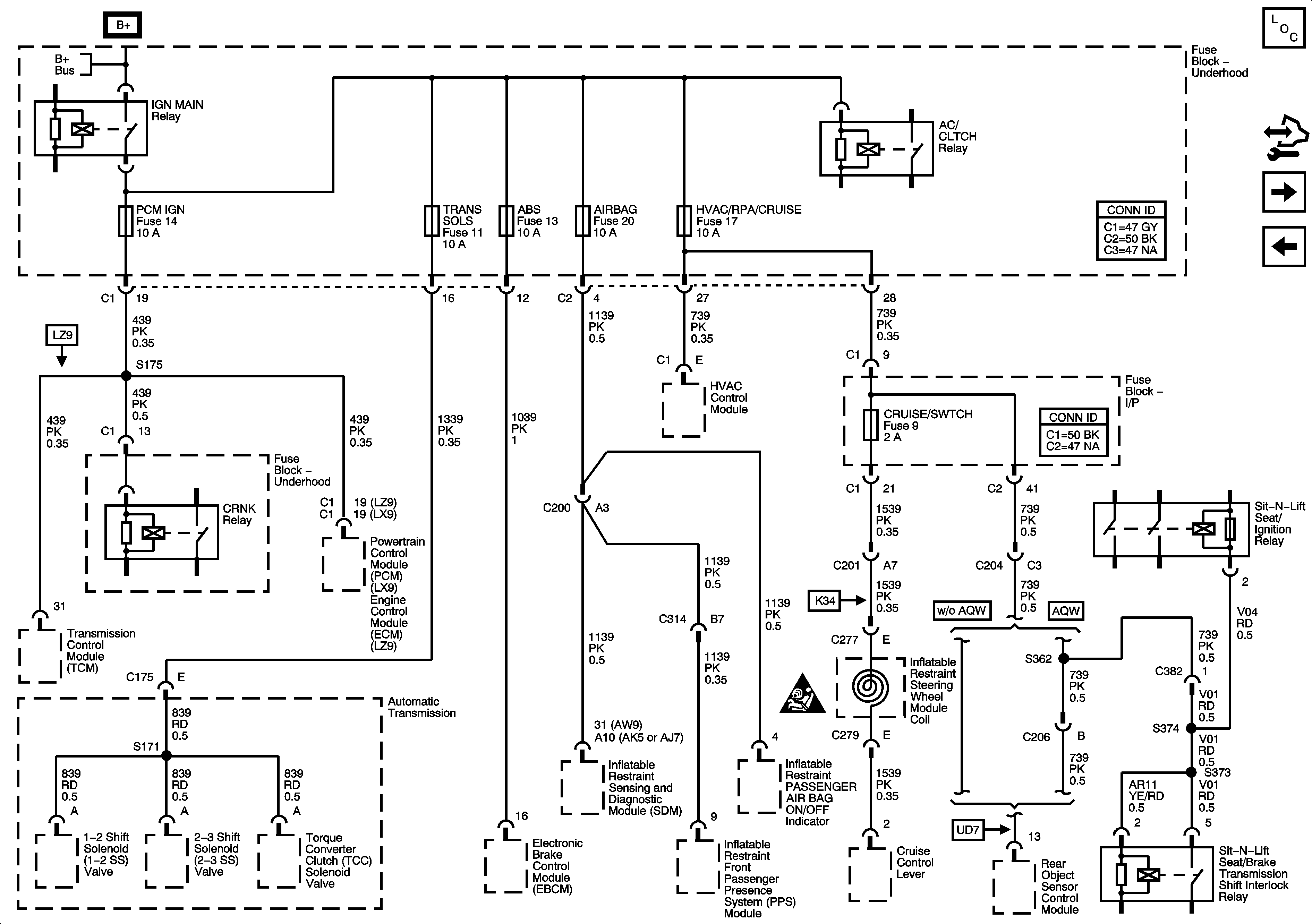
🢒 ABS, AIRBAG, CRUISE/SWTCH, HVAC/RPA/CRUISE, PCM IGN, and TRANS SOLS Fuses
ABS, AIRBAG, CRUISE/SWTCH, HVAC/RPA/CRUISE, PCM IGN, and TRANS SOLS Fuses
ABS, AIRBAG, CRUISE/SWTCH, HVAC/RPA/CRUISE, PCM IGN, and TRANS SOLS Fuses
Master Electrical Component List
Control Module References
ELEC IGN, EMIS/AWD, ENG SNSR/EVAP, ETC, FRT BLWR HI, and FUEL INJ Fuses
Ignition Switch
B+ Bus
Power and Grounding Schematic Icons