GM Service Manual Online
For 1990-2009 cars only
Makes
🢒
Chevrolet
🢒
2006
🢒
Uplander Ext.
🢒
Vehicle Control Systems
🢒
Vehicle DTC Information
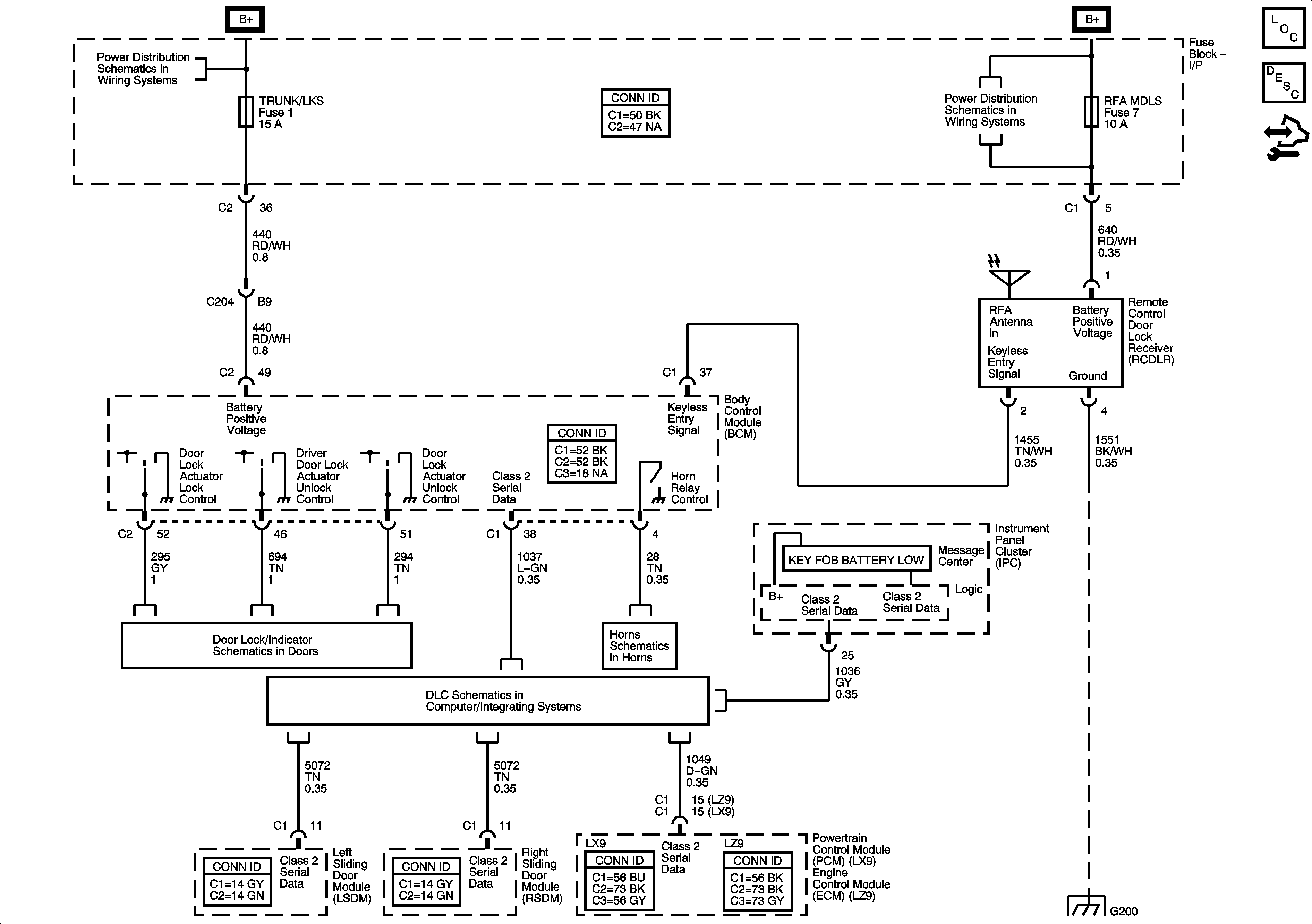
🢒 Keyless Entry Schematics
Master Electrical Component List
Keyless Entry System Description and Operation (without Accessory 2 Way Remote)
Control Module References
BATT MAIN 3, ELC, and TRUNK/LKS Fuses
CHMSL BCK/UP, PRK LAMP, PSD, and RFA MDLS Fuses
Actuators
Data Link Connector (DLC) Schematics
Horns Schematics
G200 - 2 of 2