GM Service Manual Online
For 1990-2009 cars only
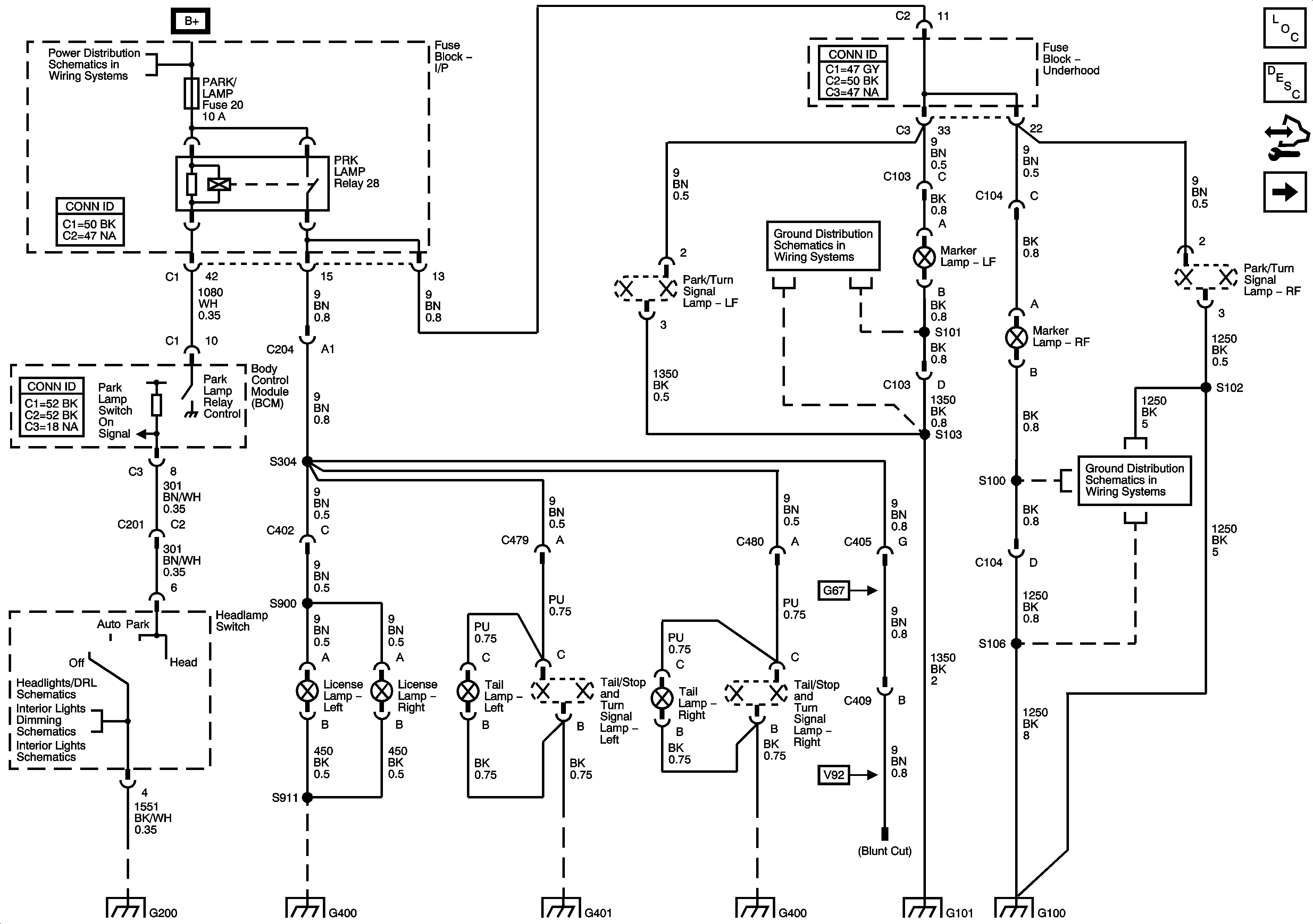
Figure 1:

Park, Marker, and License Lamps


Object Number: 1636934  Size: FS
Master Electrical Component List
Exterior Lighting Systems Description and Operation
Control Module References
Stop/Turn Signal Lamps Controls and Indicators
CHMSL BCK/UP, PRK LAMP, PSD, and RFA MDLS Fuses
G100 and G101
G100 and G101
G100 and G101
G100 and G101
Headlights
Control, I/P and Passenger Door Lamps
Switches
G200 - 2 of 2
G401
G400
G400
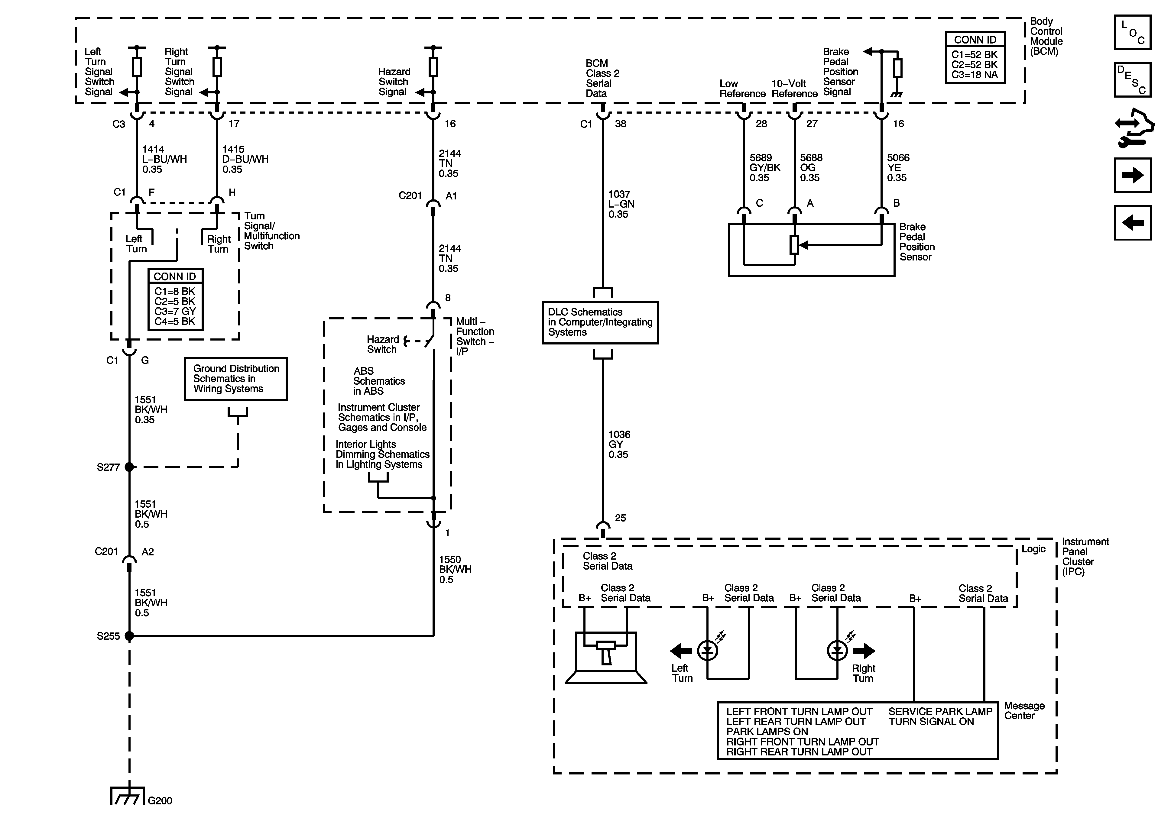
Figure 2:

Stop/Turn Signal Lamps Controls and Indicators


Object Number: 1636935  Size: FS
Master Electrical Component List
Exterior Lighting Systems Description and Operation
Control Module References
Stop/Turn Signal Lamps
Park, Marker, and License Lamps
G200 - 2 of 2
Driver Inputs, Indicators
Messages
Control, I/P and Passenger Door Lamps
Data Link Connector (DLC) Schematics
G200 - 2 of 2
Figure 3:

Stop/Turn Signal Lamps


Object Number: 1636936  Size: FS
Master Electrical Component List
Exterior Lighting Systems Description and Operation
Control Module References
Backup Lamps
Stop/Turn Signal Lamps Controls and Indicators
BATT MAIN 2, HTD/SEATS, LH-PSD, PWR MIR, RH-PSD, Sit-N-Lift Seat, and STOP/TRN Fuses, PWR SEATS and Sit-N-Lift Circuit Breaker
Driver Inputs, Indicators
Cruise Control Schematics
Engine Data Sensors - Throttle Actuator Controls
G400
G401
G100 and G101
G100 and G101
G401
G302 - 1 of 2
G400
Figure 4:

Backup Lamps


Object Number: 1636937  Size: FS
Master Electrical Component List
Exterior Lighting Systems Description and Operation
Control Module References
Trailer Wiring
Stop/Turn Signal Lamps
CHMSL BCK/UP, PRK LAMP, PSD, and RFA MDLS Fuses
Object Detection Schematics
G401
G400
G401
G400
Figure 5:

Trailer Wiring


Object Number: 1496841  Size: FS
Master Electrical Component List
Control Module References
Backup Lamps
BATT MAIN 3, ELC, and TRUNK/LKS Fuses
G401
Park, Marker, and License Lamps
Stop/Turn Signal Lamps