GM Service Manual Online
For 1990-2009 cars only
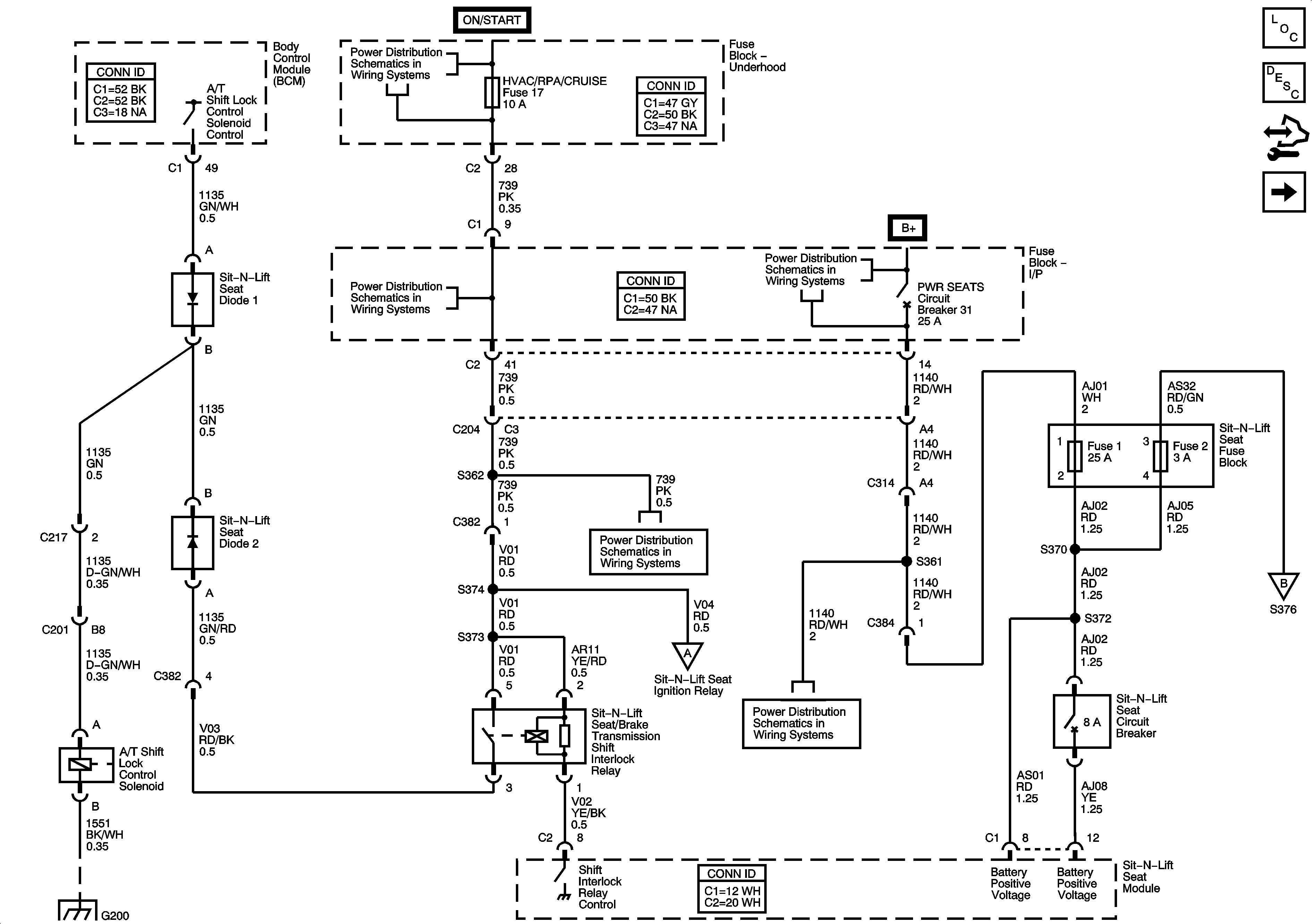
Figure 1:

Sit-N-Lift Seat Power and A/T Shift Interlock


Object Number: 1636967  Size: FS
Master Electrical Component List
Sit-N-Lift Mobility Seat Description and Operation
Control Module References
Sit-N-Lift Seat Door and PNP Interlocks, and Remote
G200 - 2 of 2
ABS, AIRBAG, CRUISE/SWTCH, HVAC/RPA/CRUISE, PCM IGN, and TRANS SOLS Fuses
ABS, AIRBAG, CRUISE/SWTCH, HVAC/RPA/CRUISE, PCM IGN, and TRANS SOLS Fuses
ABS, AIRBAG, CRUISE/SWTCH, HVAC/RPA/CRUISE, PCM IGN, and TRANS SOLS Fuses
BATT MAIN 2, HTD/SEATS, LH-PSD, PWR MIR, RH-PSD, Sit-N-Lift Seat, and STOP/TRN Fuses, PWR SEATS and Sit-N-Lift Circuit Breaker
Sit-N-Lift Seat Door and PNP Interlocks, and Remote
BATT MAIN 2, HTD/SEATS, LH-PSD, PWR MIR, RH-PSD, Sit-N-Lift Seat, and STOP/TRN Fuses, PWR SEATS and Sit-N-Lift Circuit Breaker
Sit-N-Lift Seat Door and PNP Interlocks, and Remote
Figure 2:

Sit-N-Lift Seat Door and PNP Interlocks, and Remote


Object Number: 1636968  Size: FS
Master Electrical Component List
Sit-N-Lift Mobility Seat Description and Operation
Control Module References
Sit-N-Lift Seat Grounds and Motors Controls
Sit-N-Lift Seat Power and A/T Shift Interlock
Right Door Controls
Sit-N-Lift Seat Grounds and Motors Controls
Sit-N-Lift Seat Power and A/T Shift Interlock
Sit-N-Lift Seat Power and A/T Shift Interlock
Sit-N-Lift Seat Grounds and Motors Controls
Sit-N-Lift Seat Grounds and Motors Controls
Sit-N-Lift Seat Grounds and Motors Controls
Figure 3:

Sit-N-Lift Seat Grounds and Motors Controls


Object Number: 1636970  Size: FS
Master Electrical Component List
Sit-N-Lift Mobility Seat Description and Operation
Control Module References
Sit-N-Lift Seat Door and PNP Interlocks, and Remote
Sit-N-Lift Seat Door and PNP Interlocks, and Remote
G302 - 1 of 2
Sit-N-Lift Seat Door and PNP Interlocks, and Remote
G302 - 1 of 2