GM Service Manual Online
For 1990-2009 cars only
Makes
🢒
Chevrolet
🢒
2006
🢒
Uplander Ext.
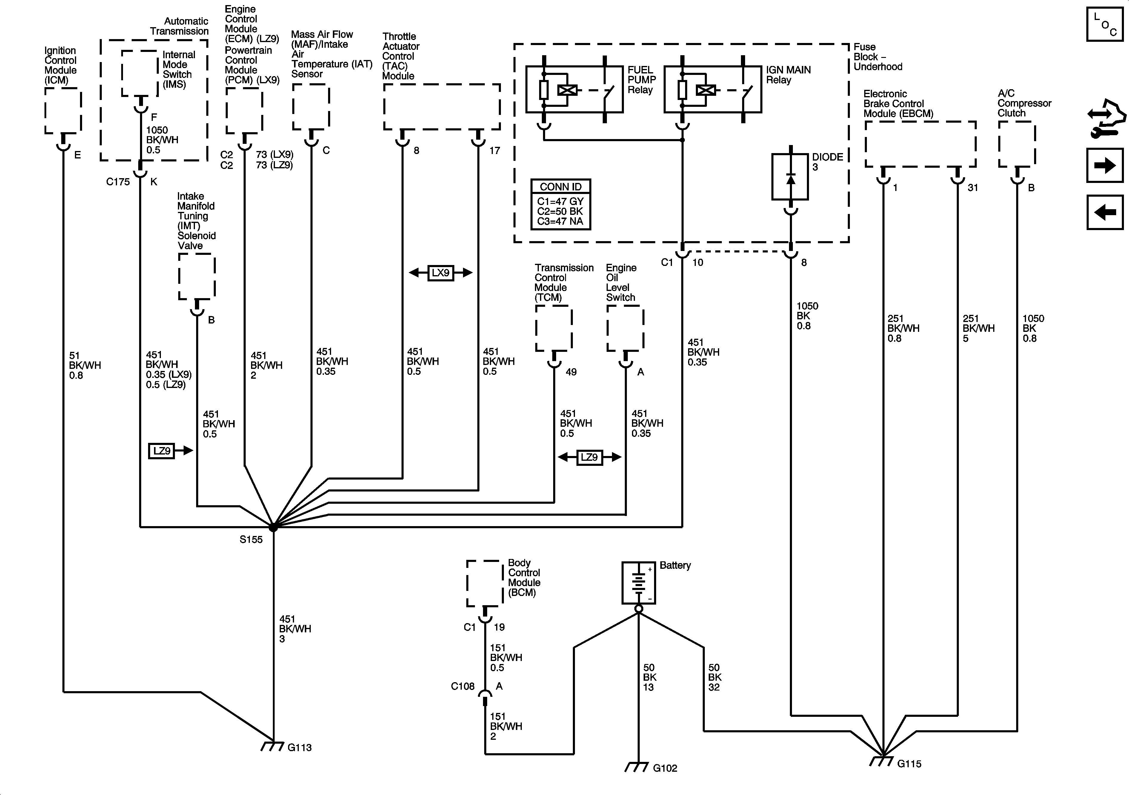
🢒 G102, G113 and G115
G102, G113 and G115
G102, G113 and G115
Master Electrical Component List
Control Module References
G200 - 1 of 2
G100 and G101