GM Service Manual Online
For 1990-2009 cars only
Makes
🢒
Chevrolet
🢒
2005
🢒
Uplander - 4WD
🢒
Body
🢒
Seats
🢒 Passenger Seat Schematics
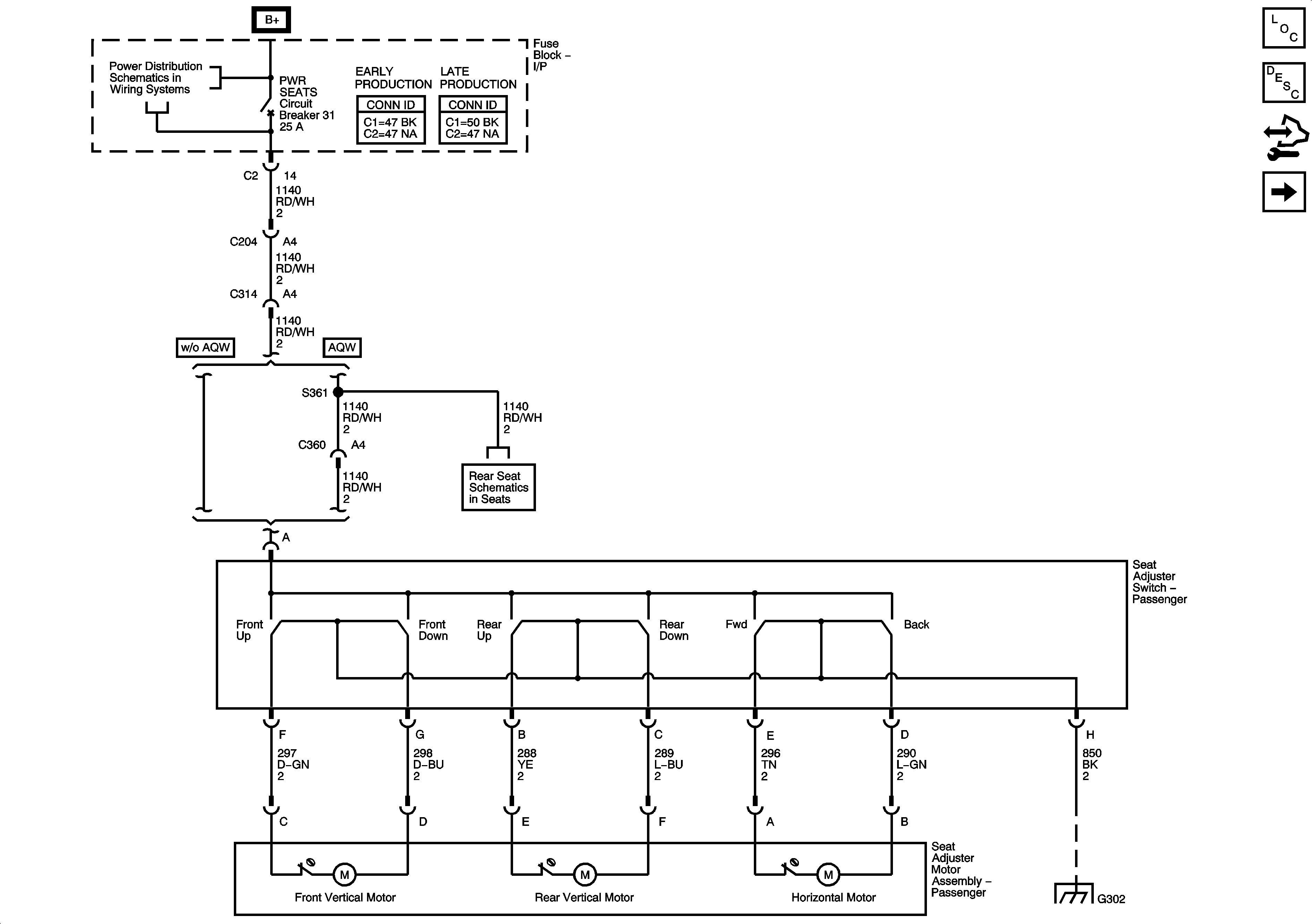
Figure
1:
6-Way Power Seat
Master Electrical Component List
Power Seats System Description and Operation
Control Module References
BATT MAIN 2, HTD/SEATS, LH-PSD, PWR MIR, RH-PSD, and STOP/TRN Fuses, PWR SEATS Circuit Breaker
Sit-N-Lift Seat Power and A/T Shift Interlock
G302 - 1 of 2
Figure
2:
8-Way Power Seat
Master Electrical Component List
Power Seats System Description and Operation
Control Module References
Heated Seat
6-Way Power Seat
BATT MAIN 2, HTD/SEATS, LH-PSD, PWR MIR, RH-PSD, and STOP/TRN Fuses, PWR SEATS Circuit Breaker
Sit-N-Lift Seat Power and A/T Shift Interlock
G302 - 1 of 2
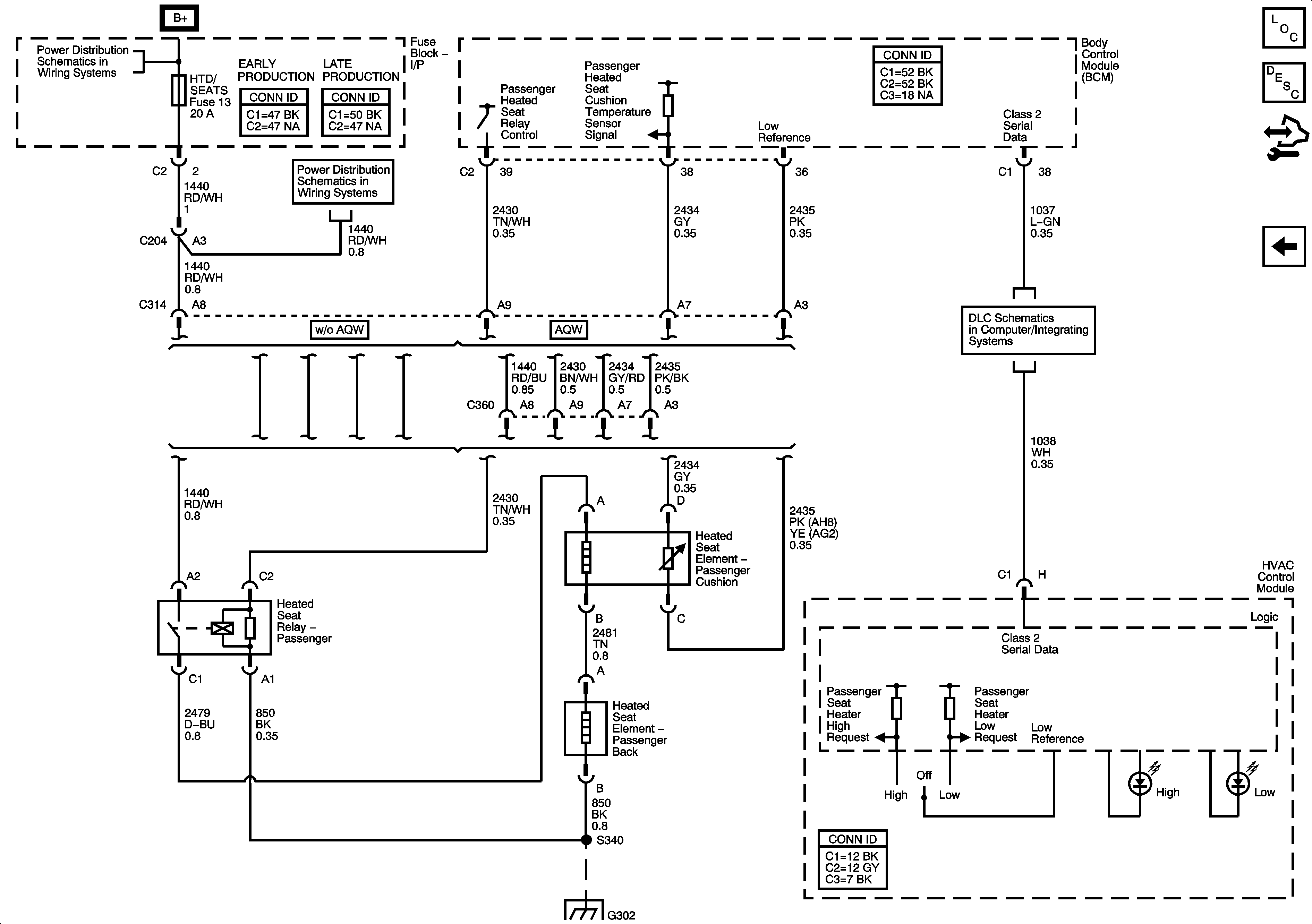
Figure
3:
Heated Seat
Master Electrical Component List
Heated Seats Description and Operation
Control Module References
8-Way Power Seat
BATT MAIN 2, HTD/SEATS, LH-PSD, PWR MIR, RH-PSD, and STOP/TRN Fuses, PWR SEATS Circuit Breaker
BATT MAIN 2, HTD/SEATS, LH-PSD, PWR MIR, RH-PSD, and STOP/TRN Fuses, PWR SEATS Circuit Breaker
DLC Schematics
G302 - 1 of 2