GM Service Manual Online
For 1990-2009 cars only
Makes
🢒
Chevrolet
🢒
1998
🢒
Venture
🢒
Suspension
🢒
Automatic Level Control
🢒 Automatic Level Control Schematics
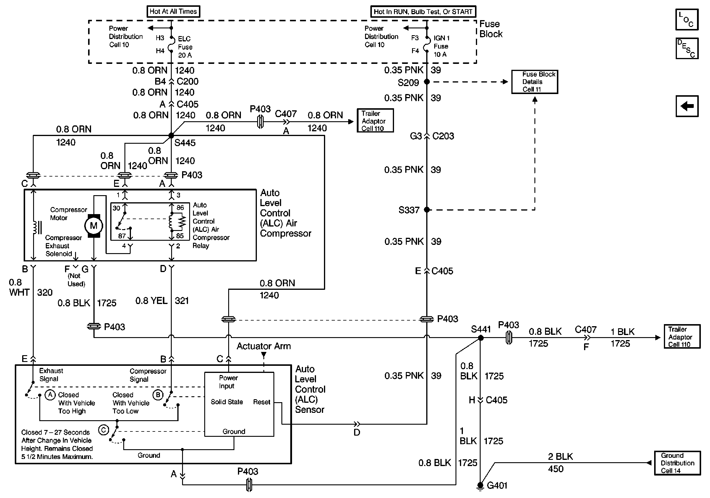
Figure
1:
Cell 42 - Automatic Level Control w/inflator
Automatic Level Control Suspension Components
Automatic Level Control Circuit Description
Cell 42 - Automatic Level Control wo/inflator
Fuse Block Schematics
Ground Distribution Schematics
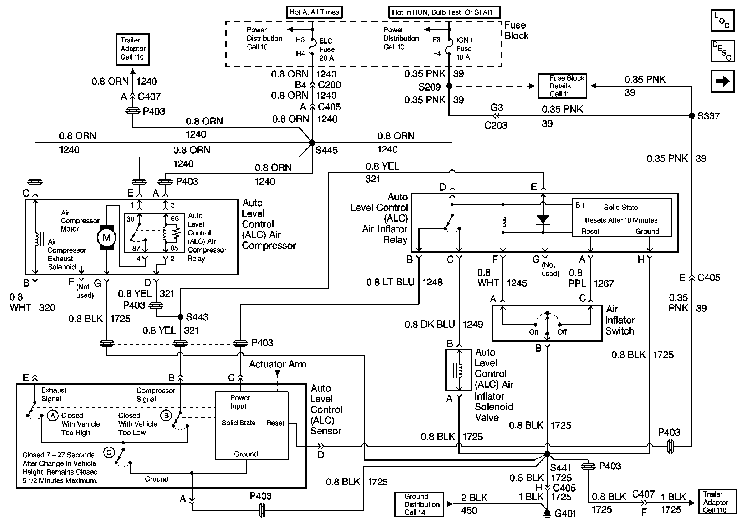
Figure
2:
Cell 42 -- Automatic Level Control wo/inflator
Automatic Level Control Suspension Components
Automatic Level Control Circuit Description
Cell 42 - Automatic Level Control w/inflator
Ground Distribution Schematics
Fuse Block Schematics