GM Service Manual Online
For 1990-2009 cars only
Makes
🢒
Chevrolet
🢒
1998
🢒
Venture
🢒
HVAC
🢒
HVAC Systems - Manual
🢒 HVAC Blower Control Schematics
Figure
1:
HVAC Blower Motor Resistor, Blower Controls
Power Distribution Schematics
Handling ESD Sensitive Parts Notice
HVAC Components
HVAC Blower Controls Circuit Description
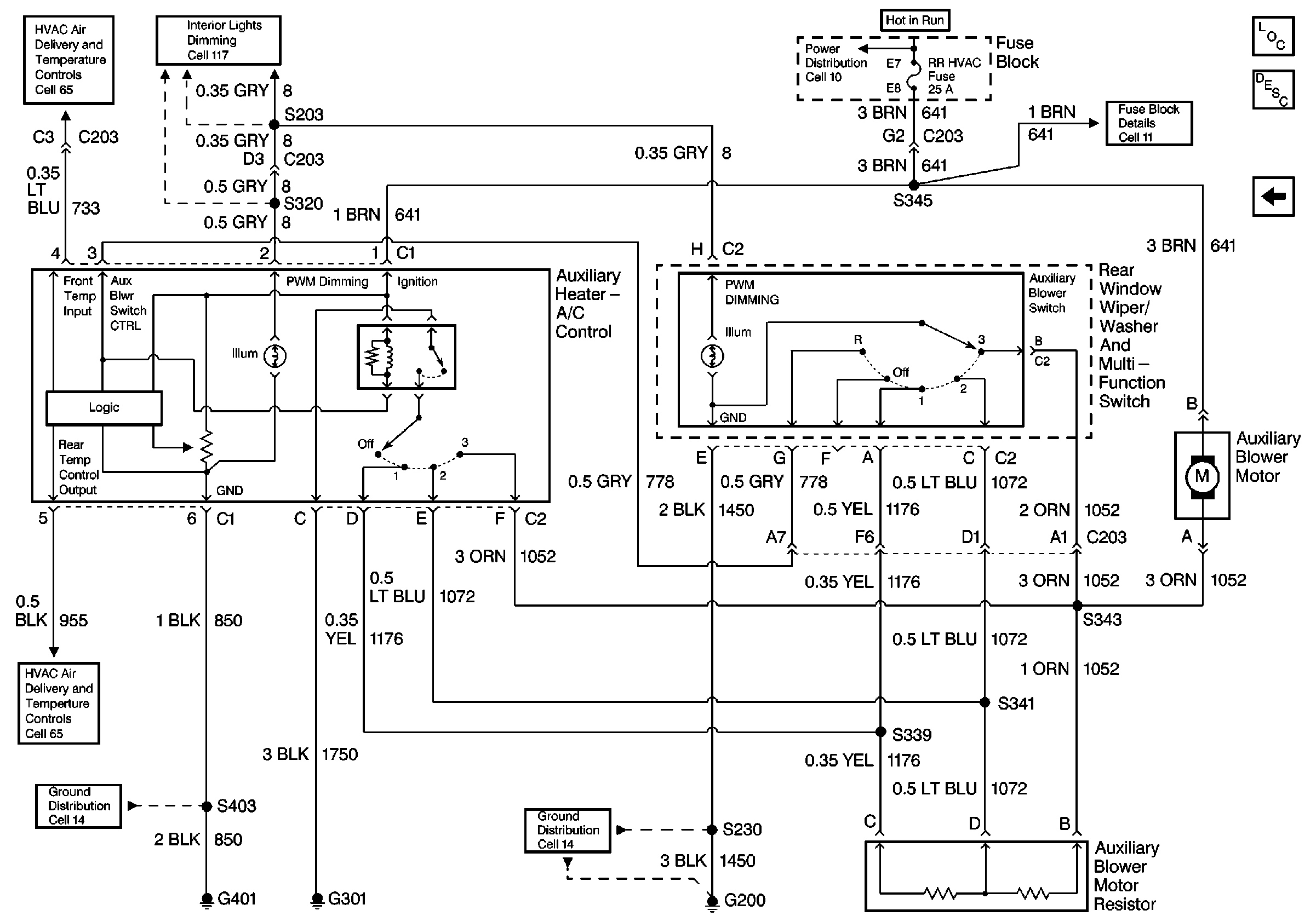
HVAC Auxiliary Blower Motor, Blower Controls
HVAC Compressor Control Schematics
Ground Distribution Schematics
Figure
2:
HVAC Auxiliary Blower Motor, Blower Controls
HVAC Air Delivery/Temperature Control Schematics
Interior Lights Dimming Schematics
Power Distribution Schematics
Fuse Block Schematics
HVAC Components
HVAC Blower Controls Circuit Description
HVAC Blower Motor Resistor, Blower Controls
HVAC Air Delivery/Temperature Control Schematics
Ground Distribution Schematics
Ground Distribution Schematics