GM Service Manual Online
For 1990-2009 cars only
Figure 1:

Power and Ground Distribution


Object Number: 416785  Size: FS
Power Distribution Schematics
Power Distribution Schematics
Fuse Block Schematics
Handling ESD Sensitive Parts Notice
Entertainment Components
Video System Circuit Description
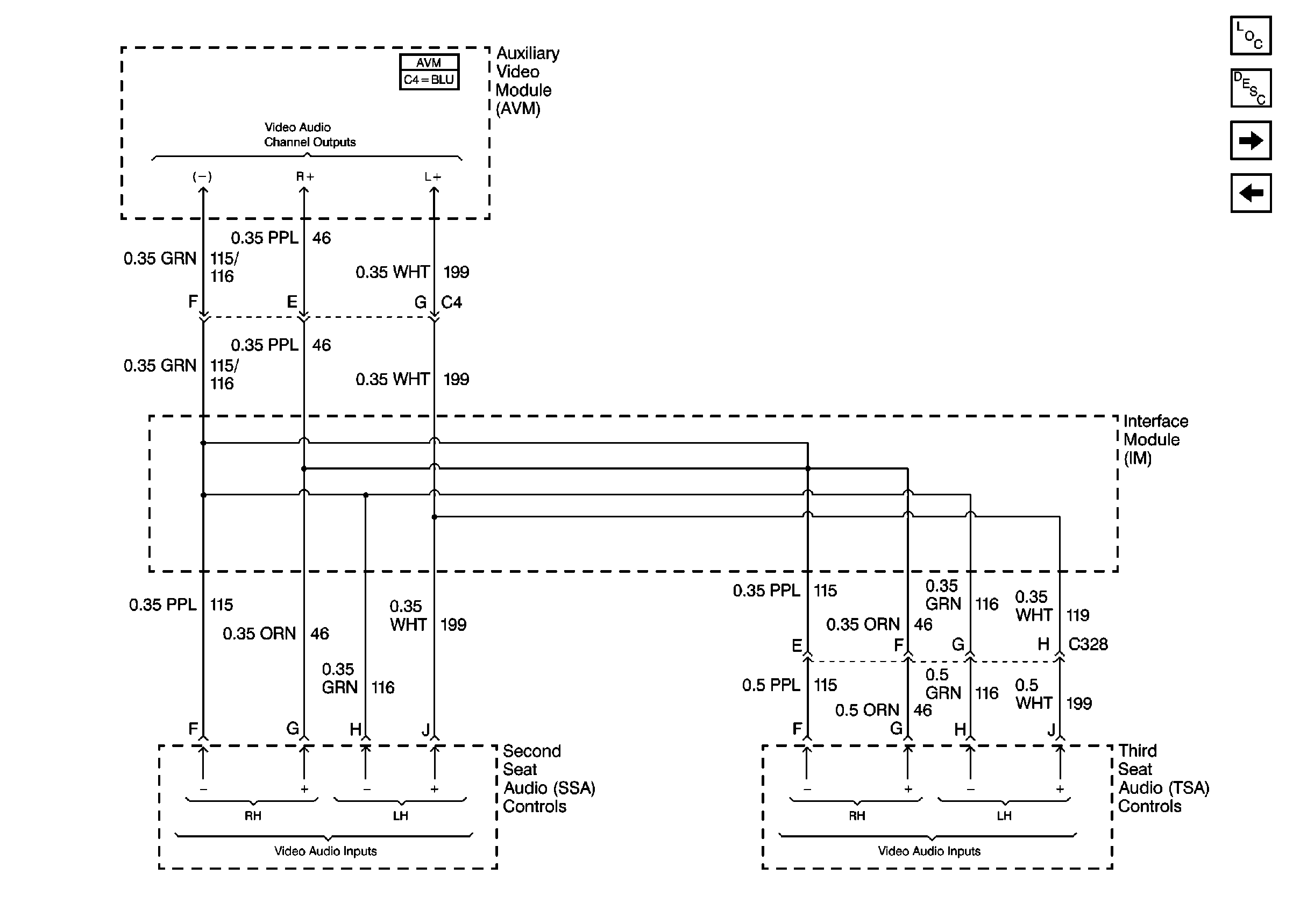
Interface Module
Interface Module
Video Screen Controls
Figure 2:

Interface Module


Object Number: 416786  Size: FS
Power Distribution Schematics
Fuse Block Schematics
Ground Distribution Schematics
Entertainment Components
Video System Circuit Description
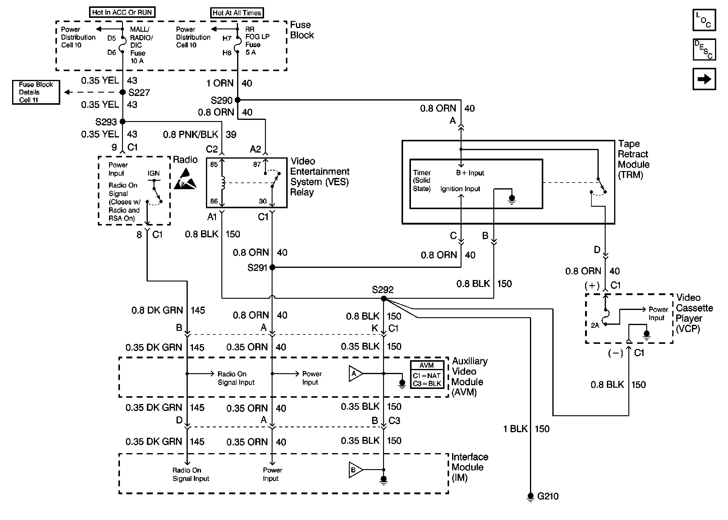
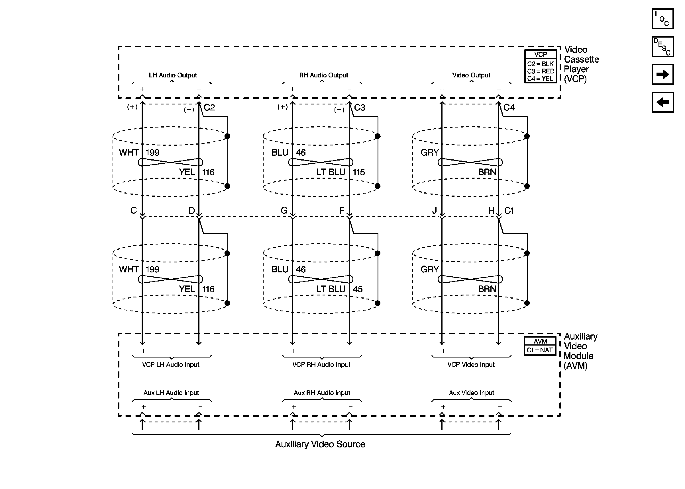
Video Cassette Player (VCP) to Auxiliary Video Module (AVM) Inputs
Power and Ground Distribution
Power and Ground Distribution
Figure 3:

Video Cassette Player (VCP) to Auxiliary Video Module (AVM) Inputs


Object Number: 416787  Size: FS
Entertainment Components
Video System Circuit Description
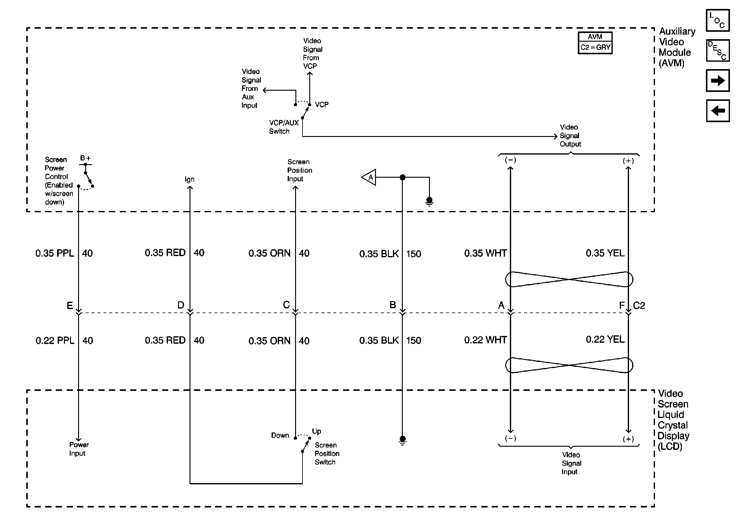
Video Screen Controls
Interface Module
Figure 4:

Video Screen Controls


Object Number: 416788  Size: FS
Entertainment Components
Video System Circuit Description
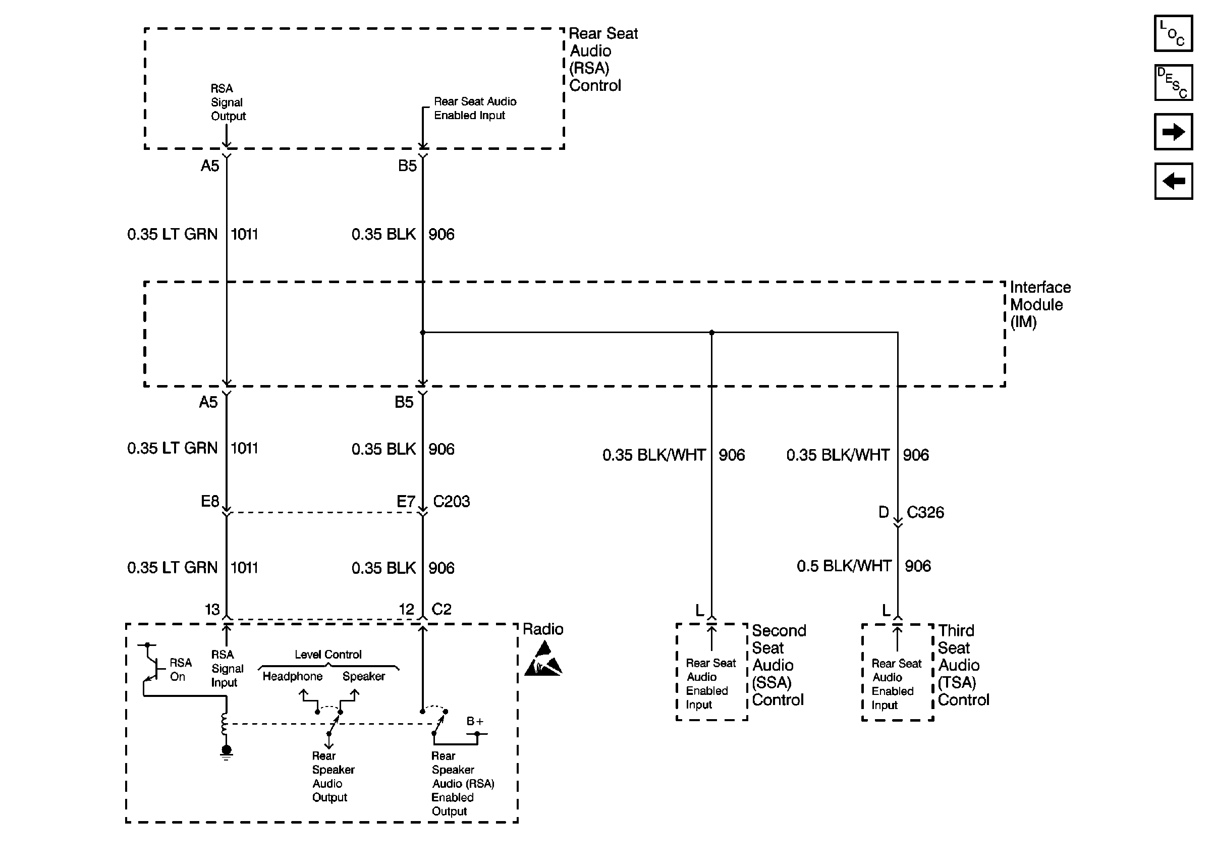
Rear Seat Audio (RSA) Enabling Circuits
Video Cassette Player (VCP) to Auxiliary Video Module (AVM) Inputs
Power and Ground Distribution
Figure 5:

Rear Seat Audio (RSA) Enabling Circuits


Object Number: 416789  Size: FS
Handling ESD Sensitive Parts Notice
Entertainment Components
Video System Circuit Description
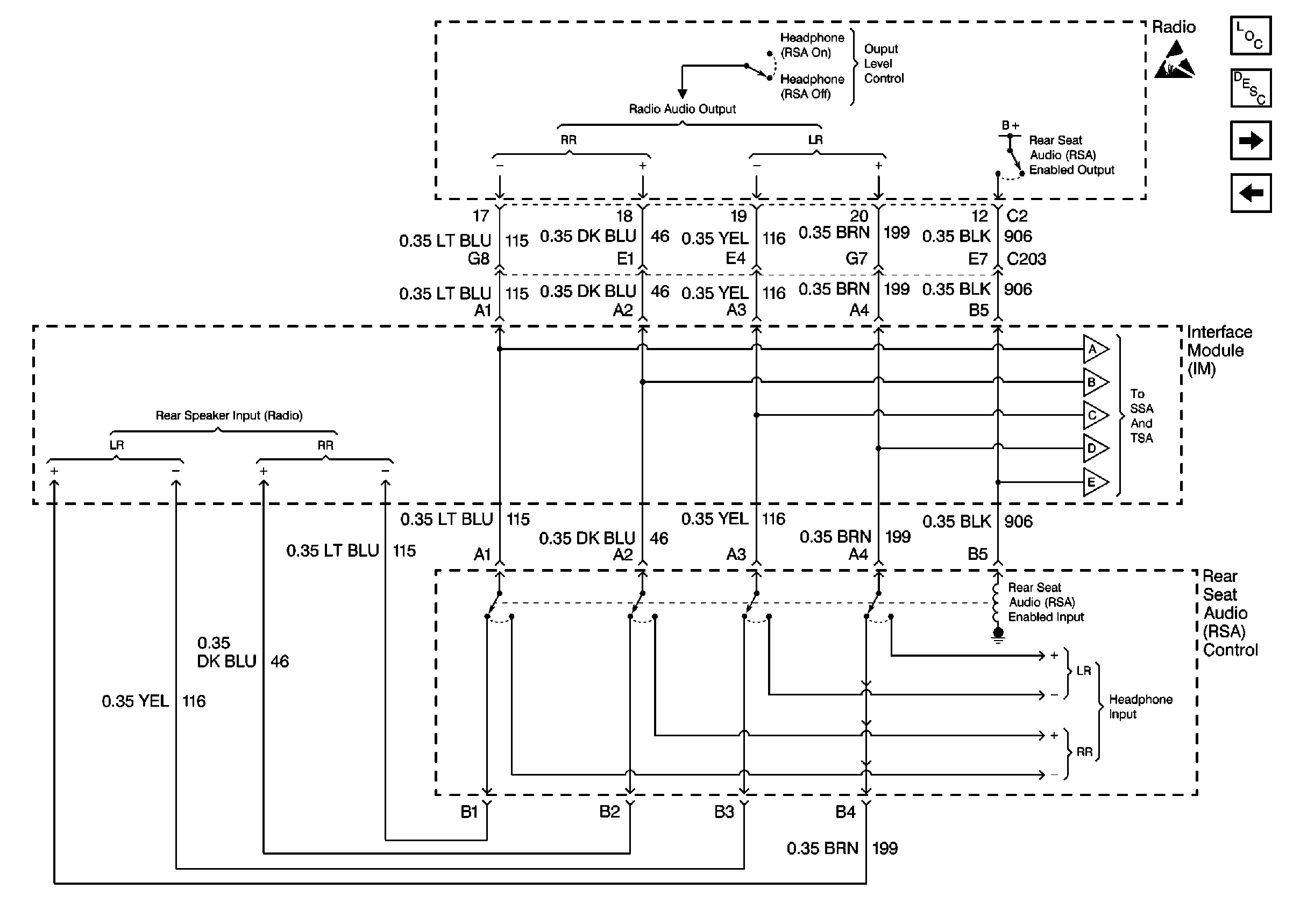
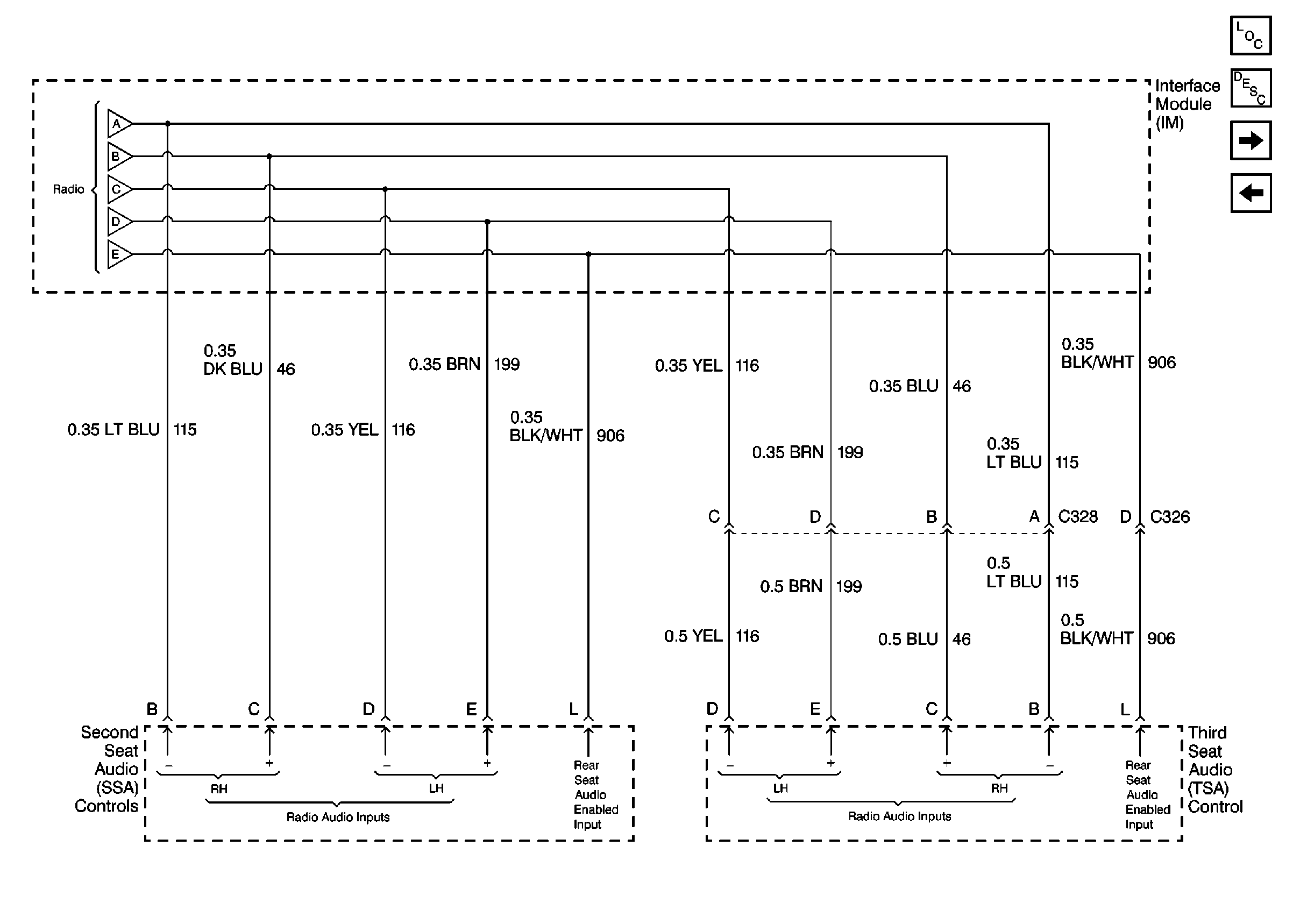
Radio Audio Channel Outputs
Video Screen Controls
Figure 6:

Radio Audio Channel Outputs


Object Number: 416790  Size: FS
Handling ESD Sensitive Parts Notice
Entertainment Components
Video System Circuit Description
Radio Audio Channel Outputs
Rear Seat Audio (RSA) Enabling Circuits
Radio Audio Channel Outputs
Radio Audio Channel Outputs
Radio Audio Channel Outputs
Radio Audio Channel Outputs
Radio Audio Channel Outputs
Figure 7:

Radio Audio Channel Outputs


Object Number: 416791  Size: FS
Entertainment Components
Video System Circuit Description
Video Audio Channel Outputs
Radio Audio Channel Outputs
Radio Audio Channel Outputs
Radio Audio Channel Outputs
Radio Audio Channel Outputs
Radio Audio Channel Outputs
Radio Audio Channel Outputs
Figure 8:

Video Audio Channel Outputs


Object Number: 416793  Size: FS
Entertainment Components
Video System Circuit Description
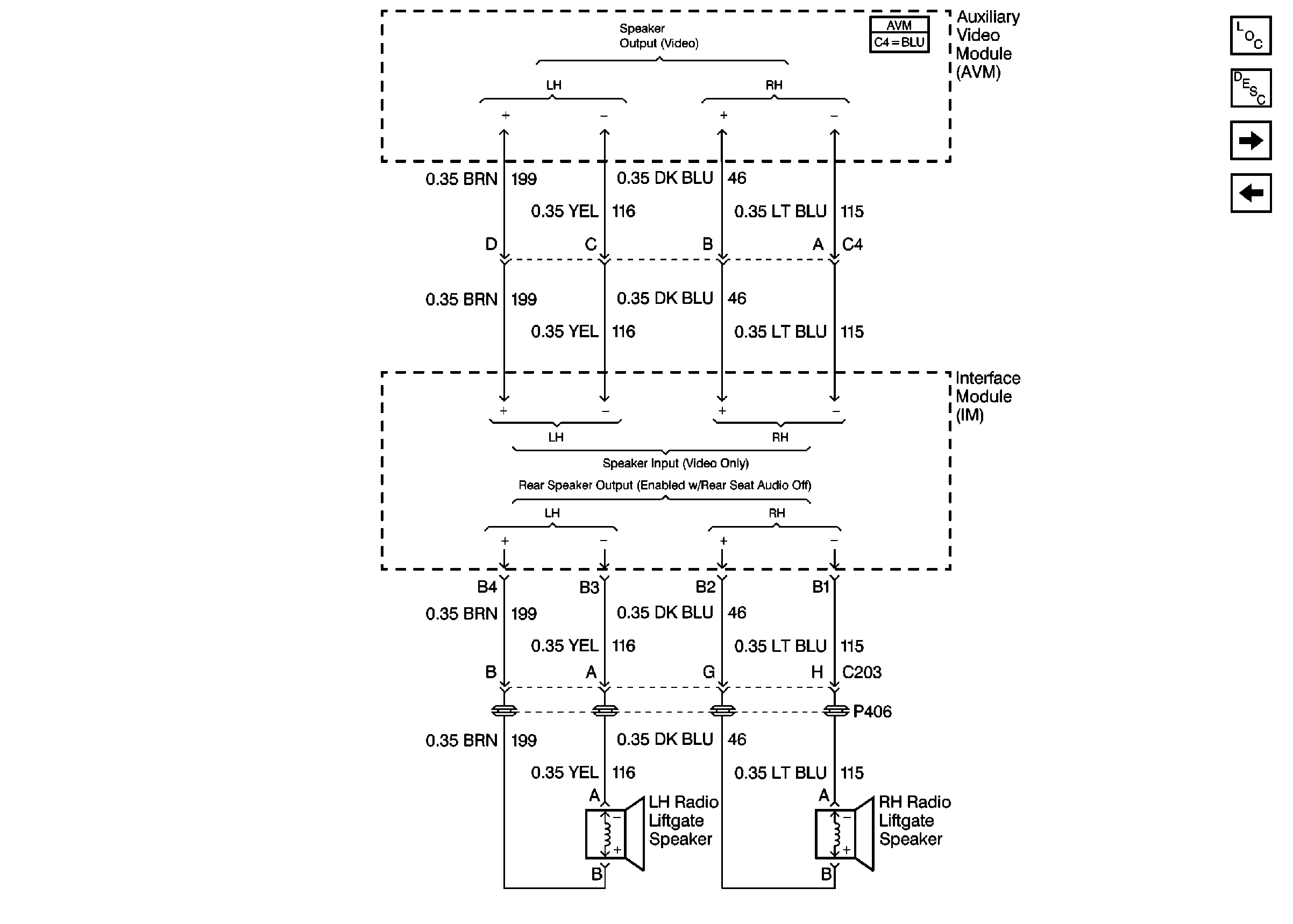
Rear Speaker Outputs
Radio Audio Channel Outputs
Figure 9:

Rear Speaker Outputs


Object Number: 416795  Size: FS
Entertainment Components
Video System Circuit Description
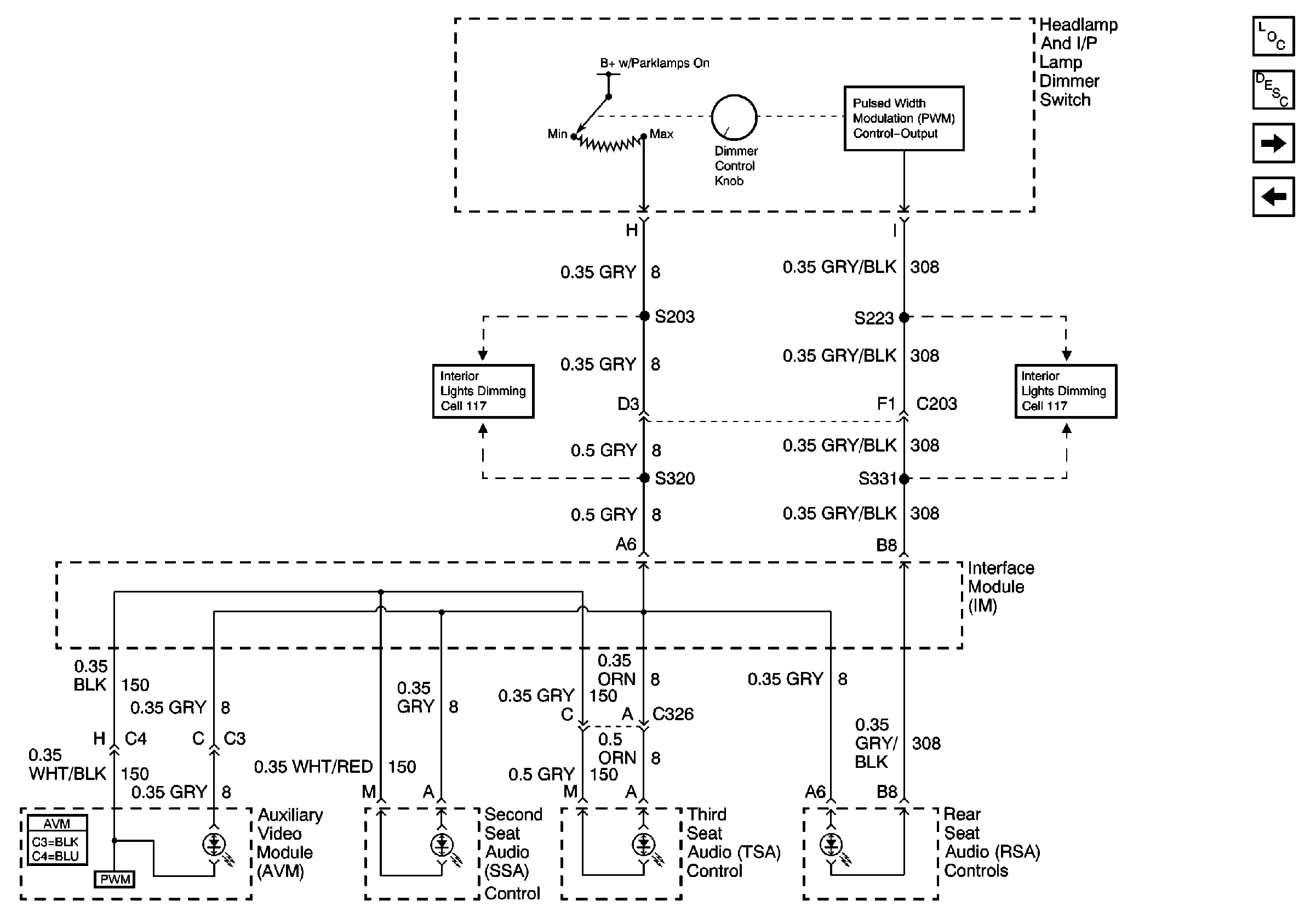
Interior Lights Dimming
Video Audio Channel Outputs
Figure 10:

Interior Lights Dimming


Object Number: 416797  Size: FS
Interior Lights Dimming Schematics
Interior Lights Dimming Schematics
Entertainment Components
Video System Circuit Description
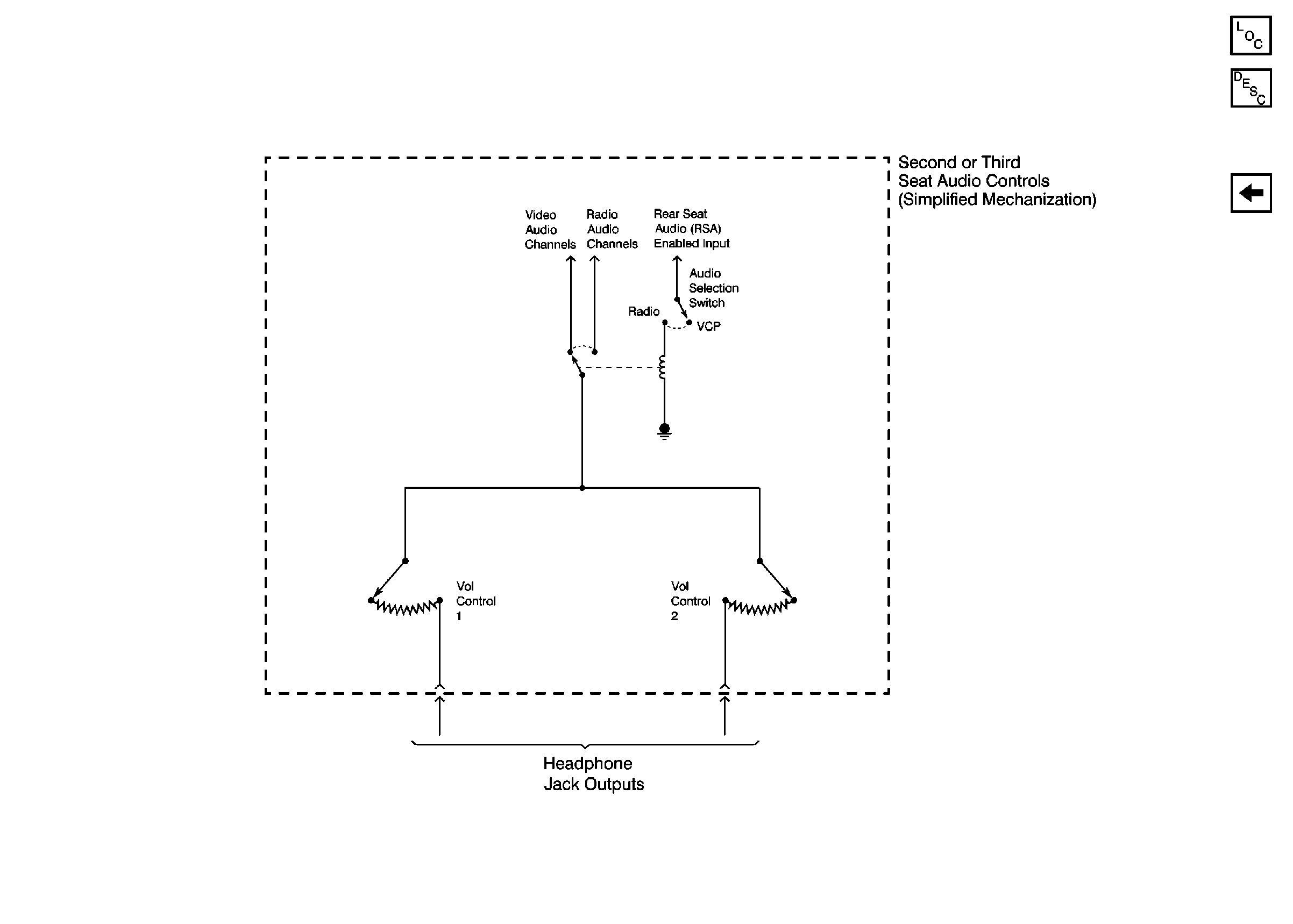
Seat Audio Controls Mechanization
Rear Speaker Outputs
Figure 11:

Seat Audio Controls Mechanization


Object Number: 416801  Size: FS
Entertainment Components
Video System Circuit Description
Interior Lights Dimming