GM Service Manual Online
For 1990-2009 cars only
Makes
🢒
Chevrolet
🢒
1998
🢒
Venture
🢒
Body and Accessories
🢒
Stationary Windows
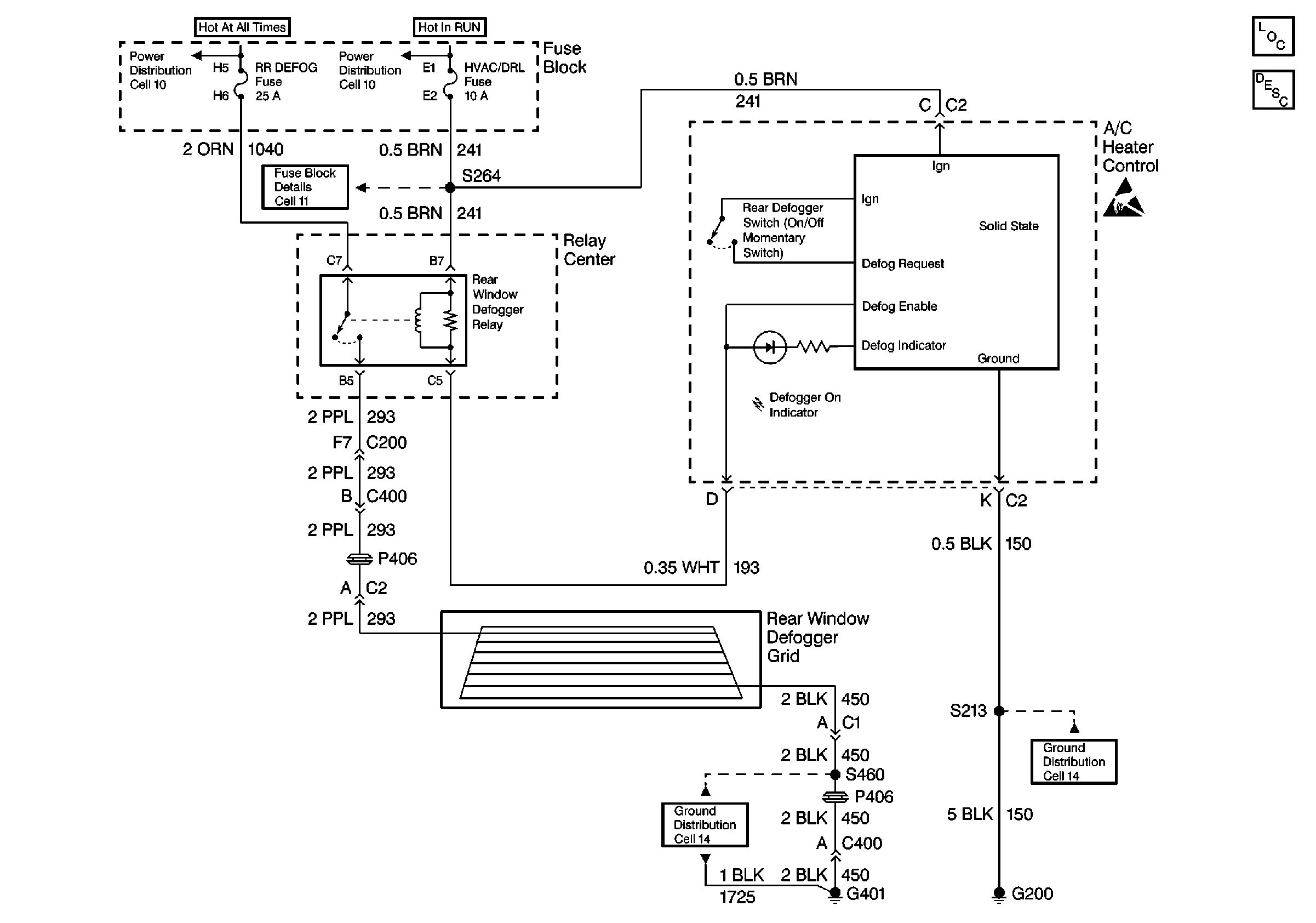
🢒 Defogger Schematics
Cell 61: G401, G200
Handling ESD Sensitive Parts Notice
Ground Distribution Schematics
Fuse Block Schematics
Power Distribution Schematics
Stationary Windows Components
Power Distribution Schematics
Ground Distribution Schematics
Rear Window Defogger Circuit Description