GM Service Manual Online
For 1990-2009 cars only
Makes
🢒
Chevrolet
🢒
1999
🢒
Venture
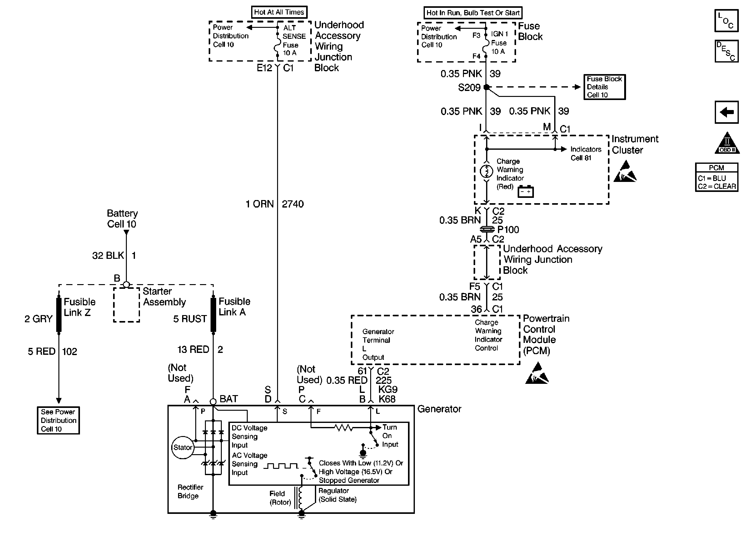
🢒 Charging Schematic 98 U Van
Charging Schematic 98 U Van
Charging Schematic
Engine Electrical Components
Charging System Circuit Description
Starter Schematic 98 U Van
OBD II Symbol Description Notice
Handling ESD Sensitive Parts Notice
Handling ESD Sensitive Parts Notice