GM Service Manual Online
For 1990-2009 cars only
Makes
🢒
Chevrolet
🢒
1999
🢒
Venture
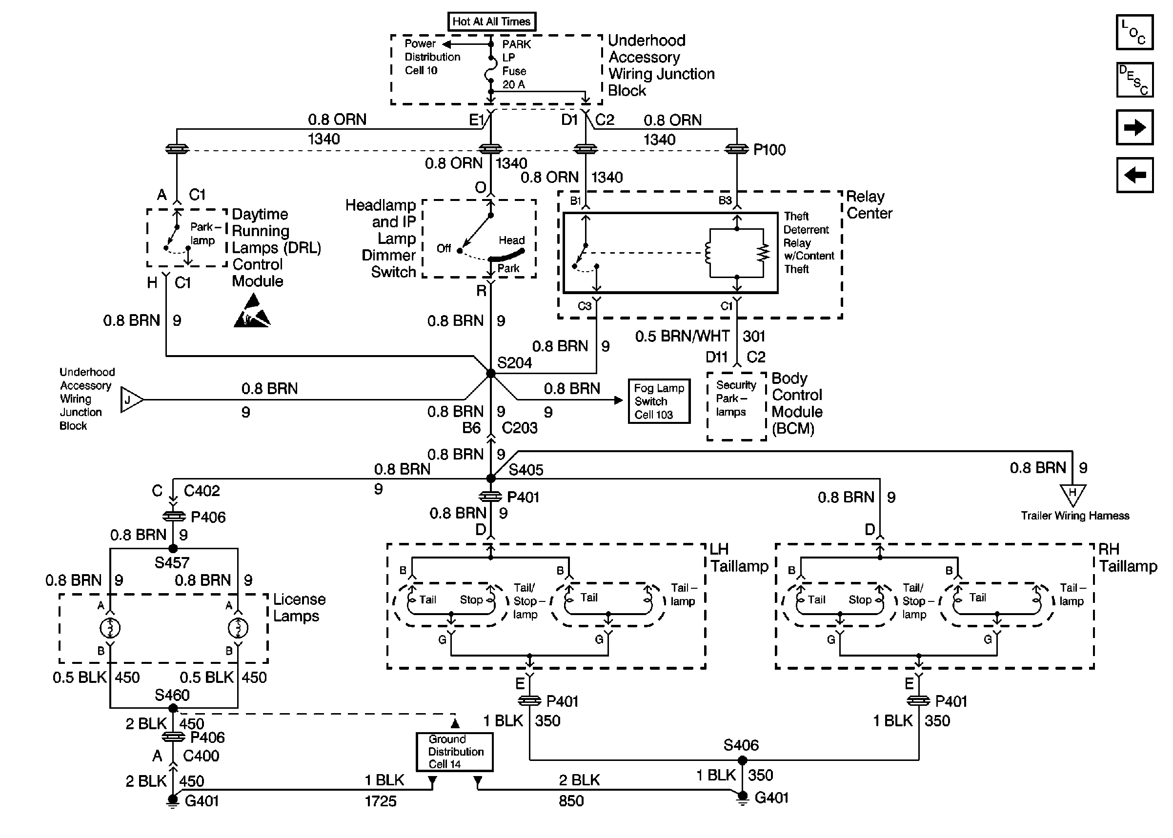
🢒 Cell 110: License Lamps, Relay Center
Cell 110: License Lamps, Relay Center
Cell 110: License Lamps, Relay Center
Lighting Systems Components
Exterior Lights Circuit Description
Cell 110: DRL Ambient Light Sensor, DRL Control Module
Cell 110: Taillamps, Side Markers, Park/Turn Lamps
Handling ESD Sensitive Parts Notice
Cell 110: Taillamps, Side Markers, Park/Turn Lamps
Cell 103
Cell 110: Fuse Block and G401
Cell 14: G401