GM Service Manual Online
For 1990-2009 cars only
Makes
🢒
Chevrolet
🢒
1999
🢒
Venture
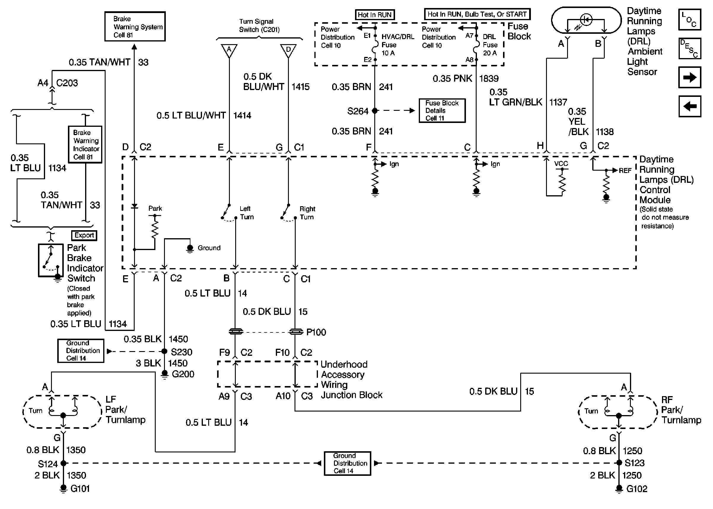
🢒 Cell 110: DRL Ambient Light Sensor, DRL Control Module
Cell 110: DRL Ambient Light Sensor, DRL Control Module
Cell 110: DRL Ambient Light Sensor, DRL Control Module
Lighting Systems Components
Exterior Lights Circuit Description
Cell 110: Fuse Block and G401
Cell 110: License Lamps, Relay Center
Cell 11: FRT HVAC Low/Med BLWR, HVAC/DRL, PWR QTR VENT, RR HVAC
Cell 110: Hazard Lamp/Turn Signal Flasher, Turn Signal Switch
Cell 81: Inflatable Restraint Sensing and SDM
Cell 14: G200
Cell 14: G101 and G102
Cell 11: FRT HVAC Low/Med BLWR, HVAC/DRL, PWR QTR VENT, RR HVAC