GM Service Manual Online
For 1990-2009 cars only
Makes
🢒
Chevrolet
🢒
1999
🢒
Venture
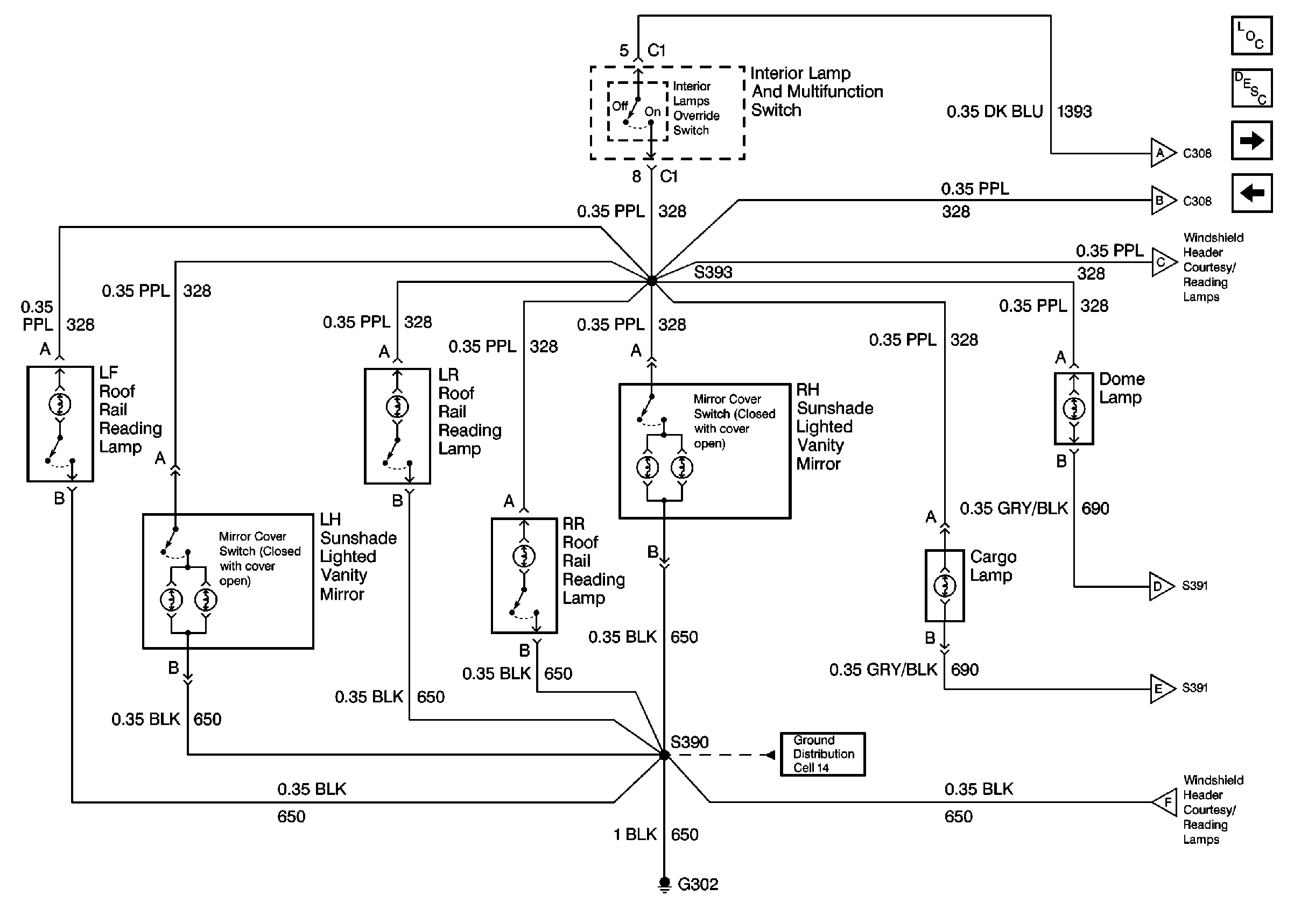
🢒 Cell 114: Interior Lamp and Multifunction Switch, Sunshade Lighted Vanity Mirror
Cell 114: Interior Lamp and Multifunction Switch, Sunshade Lighted Vanity Mirror
Cell 114: Interior Lamp and Multifunction Switch, Sunshade Lighted Vanity Mirror
Lighting Systems Components
Interior Lights Circuit Description
Cell 114: Underhood Lamp, Windshield Header/Courtesy Reading Lamps
Cell 114: Door Locks, Sliding Door Jamb Switches, Liftgate Door Lock
Cell 114: Underhood Lamp, Windshield Header/Courtesy Reading Lamps
Cell 114: Underhood Lamp, Windshield Header/Courtesy Reading Lamps
Cell 114: Underhood Lamp, Windshield Header/Courtesy Reading Lamps
Cell 114: Underhood Lamp, Windshield Header/Courtesy Reading Lamps
Cell 114: Underhood Lamp, Windshield Header/Courtesy Reading Lamps
Cell 114: Underhood Lamp, Windshield Header/Courtesy Reading Lamps
Cell 14: G302