GM Service Manual Online
For 1990-2009 cars only
Makes
🢒
Chevrolet
🢒
1999
🢒
Venture
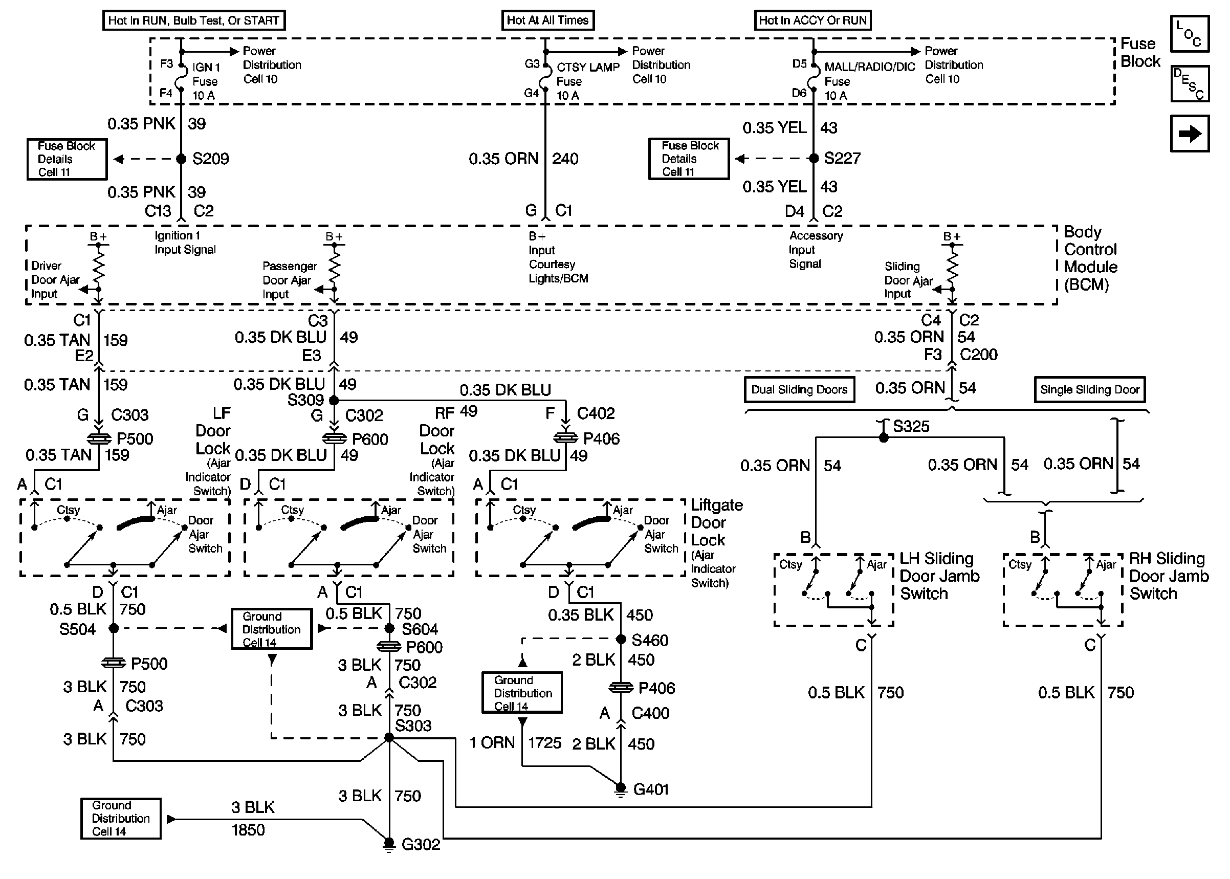
🢒 Cell 114: Door Locks, Sliding Door Jamb Switches, Liftgate Door Lock
Cell 114: Door Locks, Sliding Door Jamb Switches, Liftgate Door Lock
Cell 114: Door Locks, Sliding Door Jamb Switches, Liftgate Door Lock
Lighting Systems Components
Interior Lights Circuit Description
Cell 114: Interior Lamp and Multifunction Switch, Sunshade Lighted Vanity Mirror
Cell 11: BCM PRGRM, FRT WPR/WSHR, MALL/Radio/DIC, RR WPR/WSHR and SWCACCY Fuses
Cell 11: IGN 1 Fuse
Cell 14: G302
Cell 14: G401
Cell 14: G302