GM Service Manual Online
For 1990-2009 cars only
Makes
🢒
Chevrolet
🢒
2001
🢒
Venture
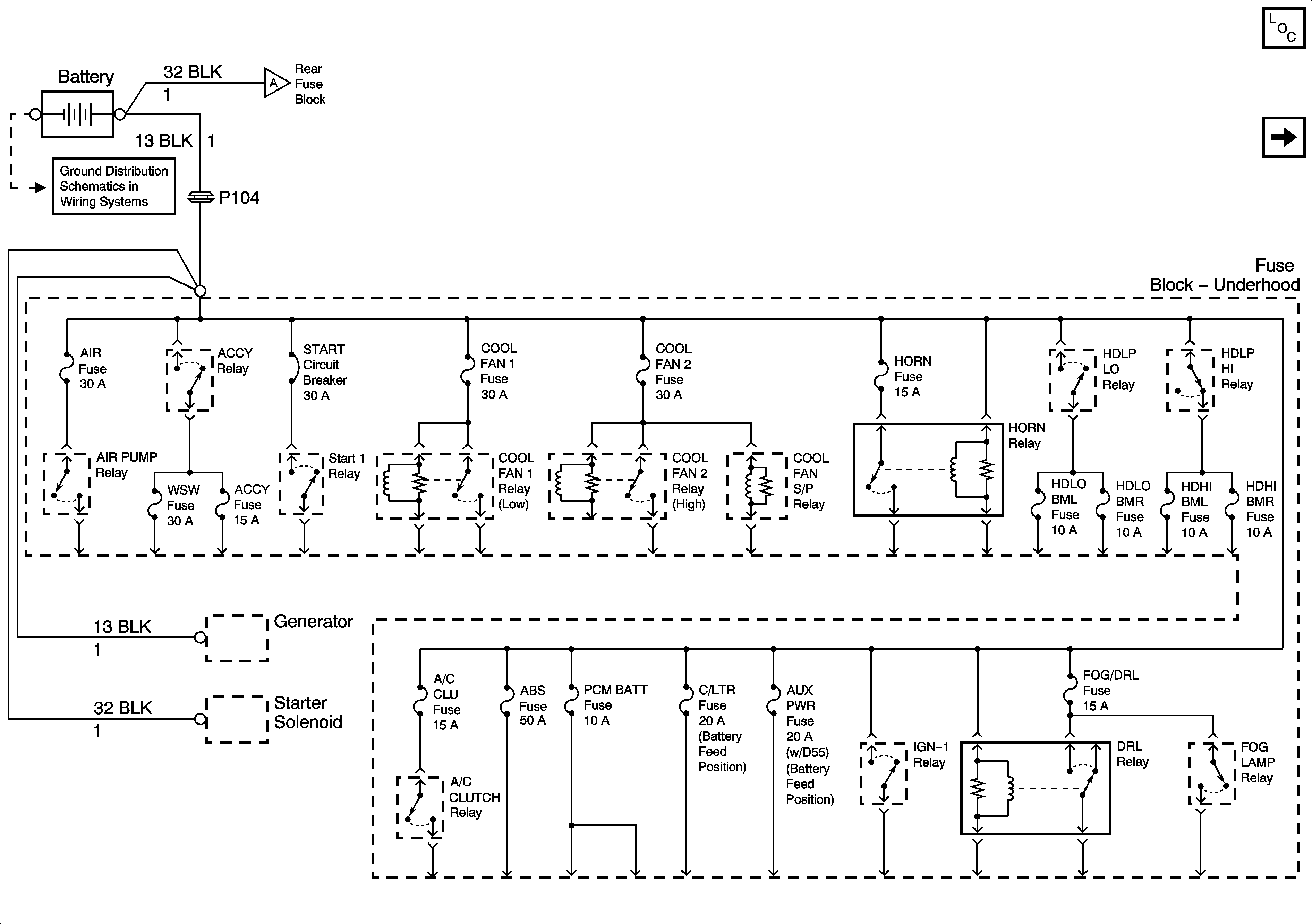
🢒 Battery Feed to the Fuse Block - Underhood
Battery Feed to the Fuse Block - Underhood
Battery Feed to the Fuse Block -- Underhood
Master Electrical Component List
Battery Voltage to the Rear Fuse Block
G303, G305, G310, and G404
Battery Voltage to the Rear Fuse Block