GM Service Manual Online
For 1990-2009 cars only
Makes
🢒
Chevrolet
🢒
2001
🢒
Venture
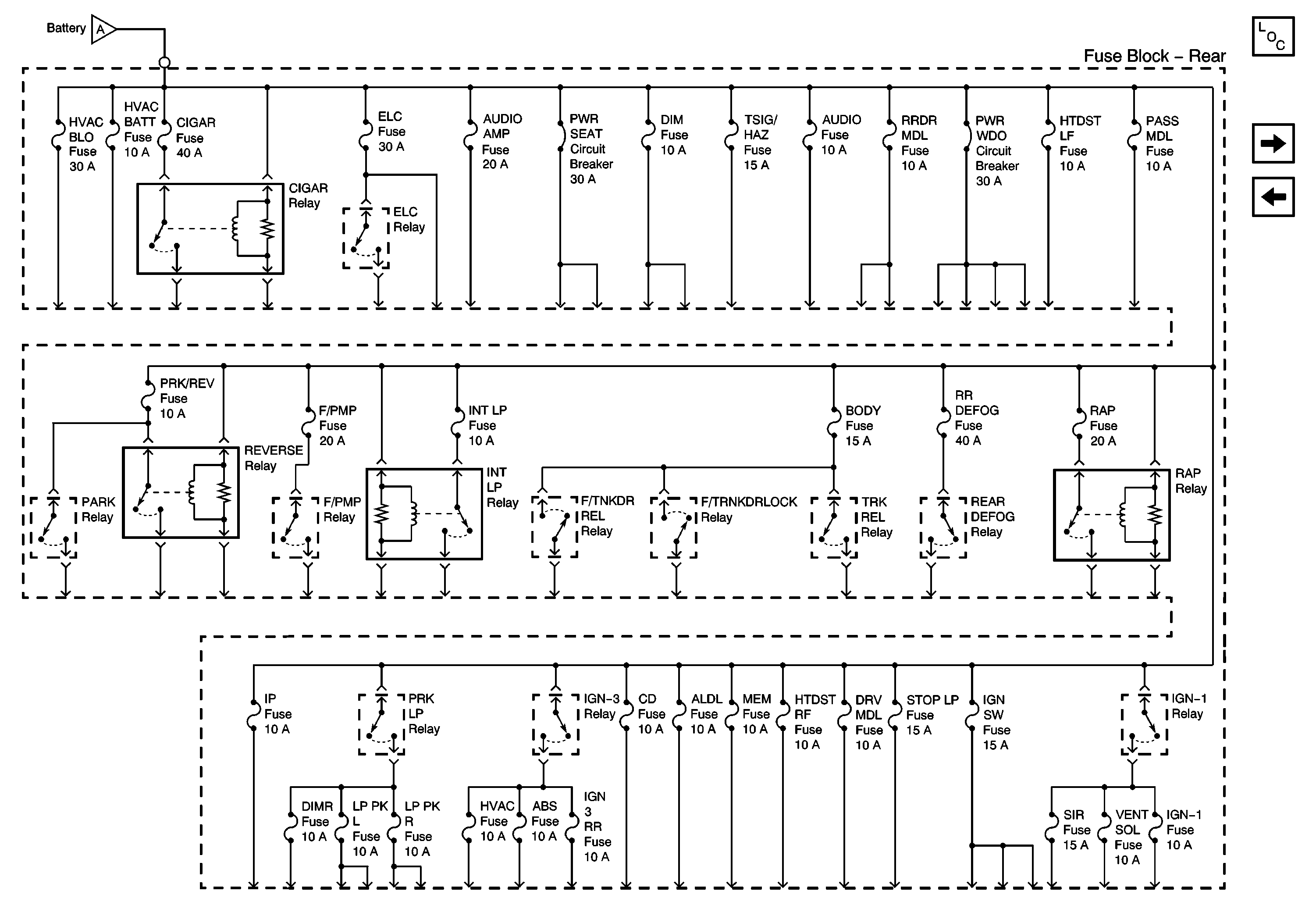
🢒 Battery Voltage to the Rear Fuse Block
Battery Voltage to the Rear Fuse Block
Battery Voltage to the Rear Fuse Block
Master Electrical Component List
Battery Feed to the Fuse Block - Underhood
TRANS, DIS, OXY SEN, IGN 1 Fuses and the IGN-1 and AIR PUMP Relays( Fuse Block - Underhood)
Battery Feed to the Fuse Block - Underhood