GM Service Manual Online
For 1990-2009 cars only
Makes
🢒
Chevrolet
🢒
2001
🢒
Venture
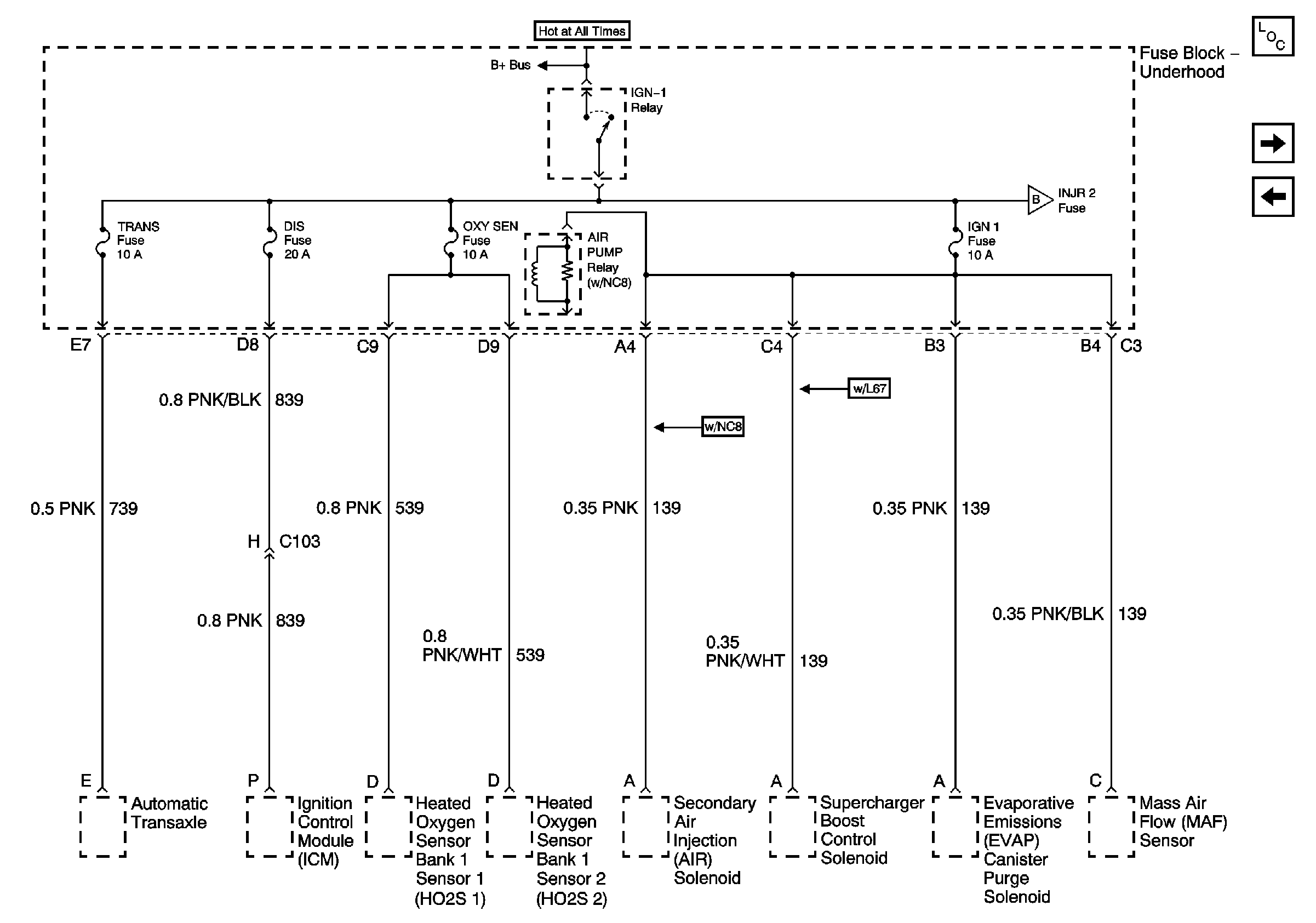
🢒 TRANS, DIS, OXY SEN, IGN 1 Fuses and the IGN-1 and AIR PUMP Relays( Fuse Block - Underhood)
TRANS, DIS, OXY SEN, IGN 1 Fuses and the IGN-1 and AIR PUMP Relays( Fuse Block - Underhood)
TRANS, DIS, OXY SEN, IGN 1 Fuses and the IGN-1 and AIR PUMP Relays ( Fuse Block -- Underhood)
Master Electrical Component List
INJR 2, PCM IGN, CR CONT, INJR 1 Fuses and the START 1 Relay( Fuse Block - Underhood)
INJR 2, PCM IGN, CR CONT, INJR 1 Fuses and the START 1 Relay( Fuse Block - Underhood)
Battery Voltage to the Rear Fuse Block