GM Service Manual Online
For 1990-2009 cars only
Makes
🢒
Chevrolet
🢒
2001
🢒
Venture
🢒 Dimming Controls
Dimming Controls
Dimming Controls
Master Electrical Component List
Battery Voltage to the Rear Fuse Block
Battery Voltage to the Rear Fuse Block
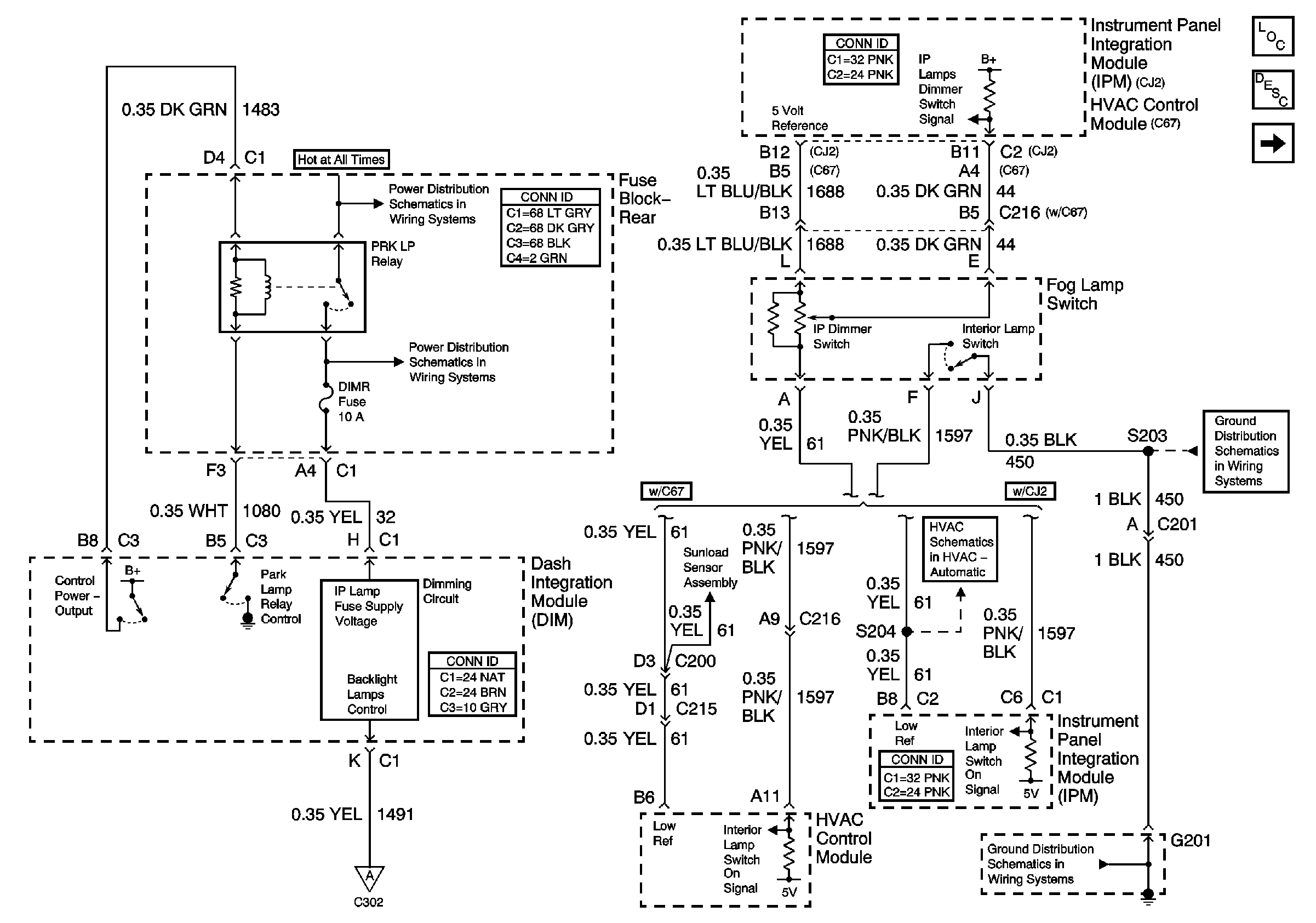
IP and Console Lamp Dimming
Temperature Sensors
G201 (1 of 2)
G201 (1 of 2)
IP and Console Lamp Dimming