GM Service Manual Online
For 1990-2009 cars only
Makes
🢒
Chevrolet
🢒
1999
🢒
Venture Ext.
🢒
Suspension
🢒
Automatic Level Control
🢒 Automatic Level Control Schematics
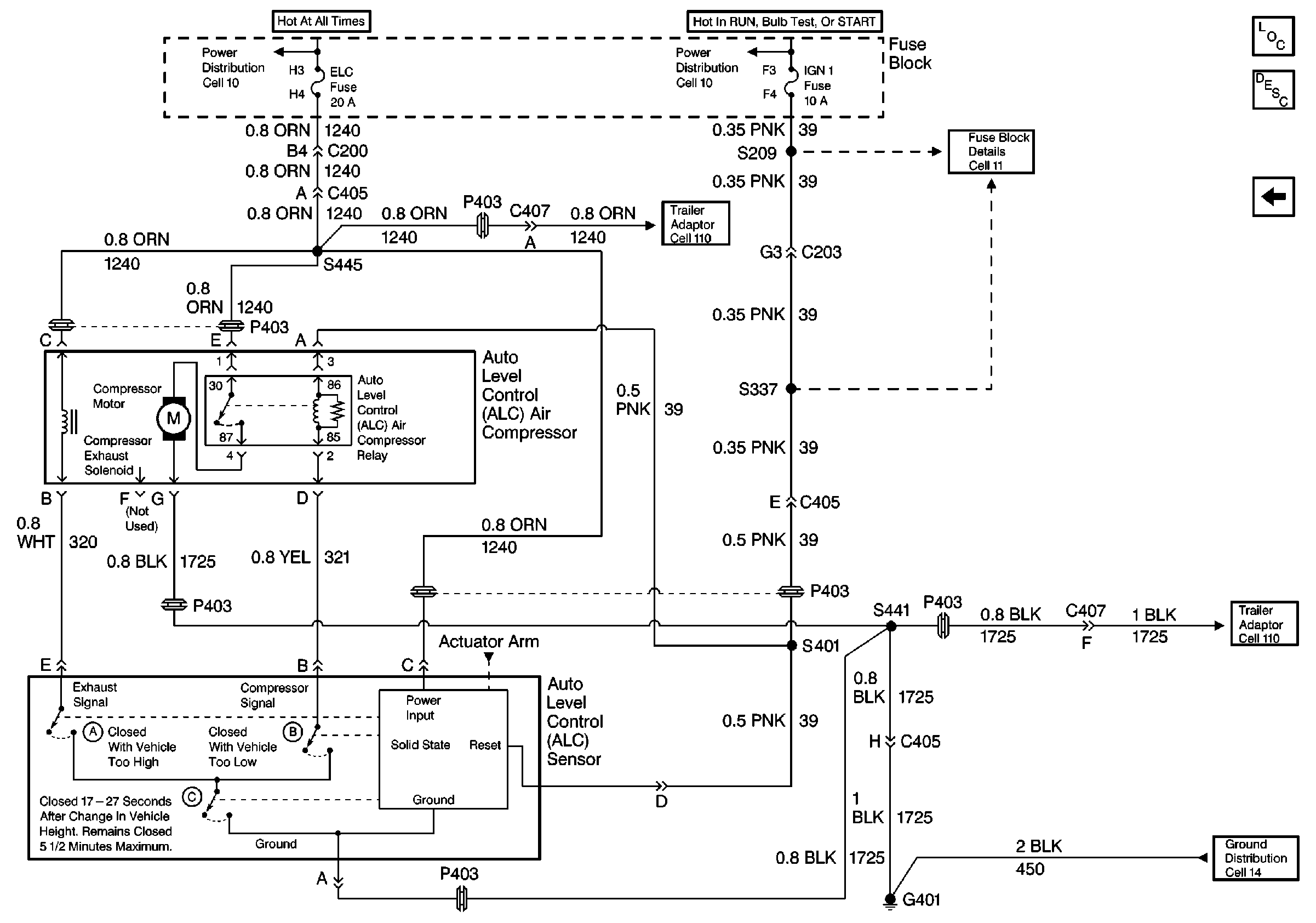
Figure
1:
Cell 42 Automatic Level Control w/Inflator
Automatic Level Control Suspension Components
Automatic Level Control Circuit Description
Automatic Level Control wo/Inflator
Cell 10: Ignition Switch
Cell 10: Fuse Block, Underhood Accessory Wiring Junction Block
Cell 110: Fuse Block and G401
Cell 11: BCM PRGRM, FRT WPR/WSHR, MALL/Radio/DIC, RR WPR/WSHR and SWCACCY Fuses
Cell 110: Fuse Block and G401
Cell 14: G401
Figure
2:
Automatic Level Control wo/Inflator
Automatic Level Control Suspension Components
Automatic Level Control Circuit Description
Cell 42 Automatic Level Control w/Inflator
Cell 10: Fuse Block, Underhood Accessory Wiring Junction Block
Cell 10: Ignition Switch, Transaxle Range Switch
Cell 11: IGN 1 Fuse
Cell 110: Fuse Block and G401
Cell 14: G401