GM Service Manual Online
For 1990-2009 cars only

Removal Procedure


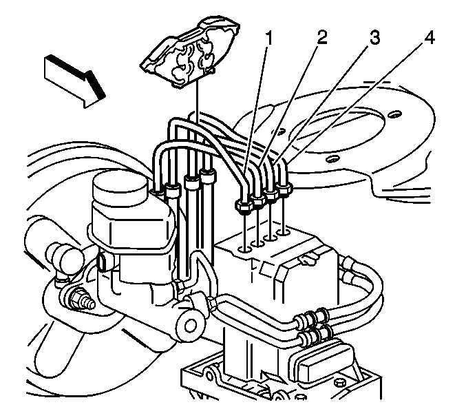
    Object Number: 545464  Size: SH
  1. Remove the RIGHT REAR brake pipe (4) and the LEFT REAR brake pipe (1) from the ABS modulator.
  2. Plug the ABS modulator outlet(s) in order to prevent brake fluid loss.
  3. Remove the air cleaner assembly. Refer to Air Cleaner Assembly Replacement in Engine Controls.
  4. Remove the brake pipe(s) from the brake pipe upper retainers.
  5. Raise and support the vehicle. Refer to Lifting and Jacking the Vehicle in General Information.

  6. Object Number: 180319  Size: SH
  7. Disconnect the brake pipe(s) (1) from the intermediate brake hose(s) (2).

  8. Object Number: 499501  Size: SH
  9. Remove the brake pipe(s) from the underbody front brake pipe retainer.

  10. Object Number: 499510  Size: SH
  11. Remove the brake pipe(s) from the underbody intermediate front brake pipe retainer.

  12. Object Number: 499519  Size: SH
  13. Remove the brake pipe(s) from the underbody intermediate rear brake pipe retainer.

  14. Object Number: 499524  Size: SH
  15. Remove the brake pipe(s) from the underbody rear brake pipe retainers.
  16. If you are replacing the brake pipes, perform the following steps:
  17. Important: Reuse the following brake pipe hardware ONLY if the brake pipe hardware is not damaged.

    11.1. Cut the brake pipe.
    11.2. Remove the brake pipe fitting(s).
    11.3. Remove the brake pipe retainer(s).

Installation Procedure

    Caution: Always use double walled steel brake pipe when replacing brake pipes. The use of any other pipe is not recommended and may cause brake system failure. Carefully route and retain replacement brake pipes. Always use the correct fasteners and the original location for replacement brake pipes. Failure to properly route and retain brake pipes may cause damage to the brake pipes and cause brake system failure.

  1. If you are replacing the brake pipes, perform the following steps:
  2. Important: Reuse the following brake pipe hardware ONLY if the brake pipe hardware is not damaged.

    1.1. Install the brake pipe retainer(s).
    1.2. Install the brake pipe fitting(s).
    1.3. Flare the pipe ends properly. Refer to ISO Flares Replacement .
    1.4. Bend the brake pipe(s) in order to duplicate the original brake pipe routing.

    Object Number: 499524  Size: SH
  3. Install the brake pipe(s) to the underbody rear brake pipe retainers.

  4. Object Number: 499519  Size: SH
  5. Install the brake pipe(s) to the underbody intermediate rear brake pipe retainer.

  6. Object Number: 499510  Size: SH
  7. Install the brake pipe(s) to the underbody intermediate front brake pipe retainer.

  8. Object Number: 499501  Size: SH
  9. Install the brake pipe(s) to the underbody front brake pipe retainer.

  10. Object Number: 180319  Size: SH
  11. Connect the brake pipe(s) (1) to the intermediate brake hose(s) (2).
  12. Tighten
    Tighten the brake pipe fitting(s) to 21 N·m (15 lb ft).

  13. Lower the vehicle.
  14. Remove the plug(s) from the ABS modulator.

  15. Object Number: 545464  Size: SH
  16. Install the RIGHT REAR brake pipe (4) and the LEFT REAR brake pipe (1) to the ABS modulator.
  17. Tighten
    Tighten the brake pipe fitting(s) to 21 N·m (15 lb ft).

  18. Install the brake pipe(s) to the brake pipe upper retainers.
  19. Bleed the brake system. Refer to Hydraulic Brake System Bleeding .
  20. Install the air cleaner assembly. Refer to Air Cleaner Assembly Replacement in Engine Controls.
  21. Fill the brake fluid reservoir. Refer to Master Cylinder Reservoir Filling .
  22. Bleed the hydraulic brake system. Refer to Hydraulic Brake System Bleeding .