GM Service Manual Online
For 1990-2009 cars only
Figure 1:

Blower Controls


Object Number: 1346323  Size: FS
Master Electrical Component List
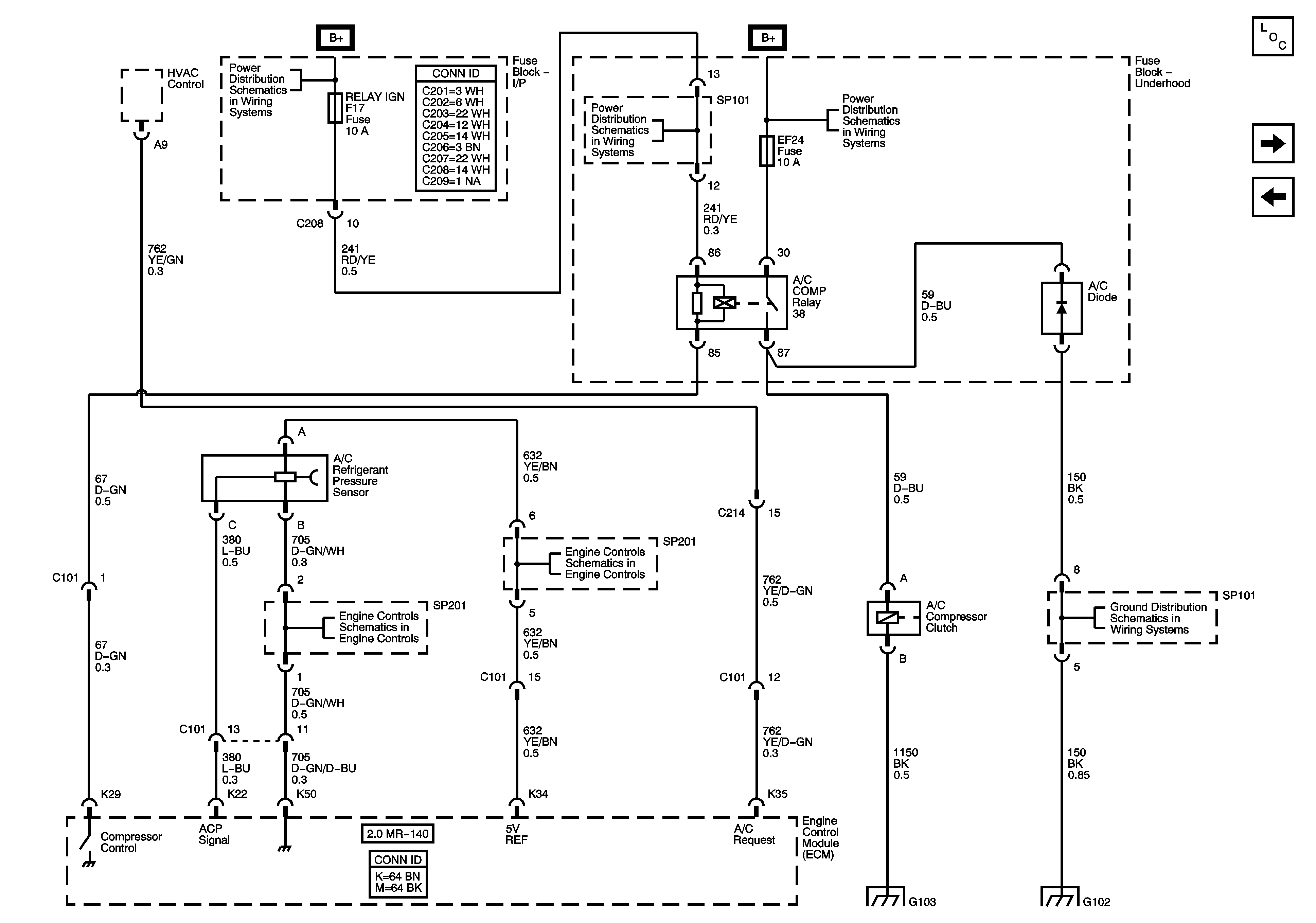
Compressor Controls (Sirius D4)
Underhood Fuse Block - Battery Feeds
IGNITION 1 and IGNITION 2 Fuses (MR-140)
BLOWER MOTOR, POWER WINDOW, and REAR DEFOGGER Fuses
G102, G101, G106
Figure 2:

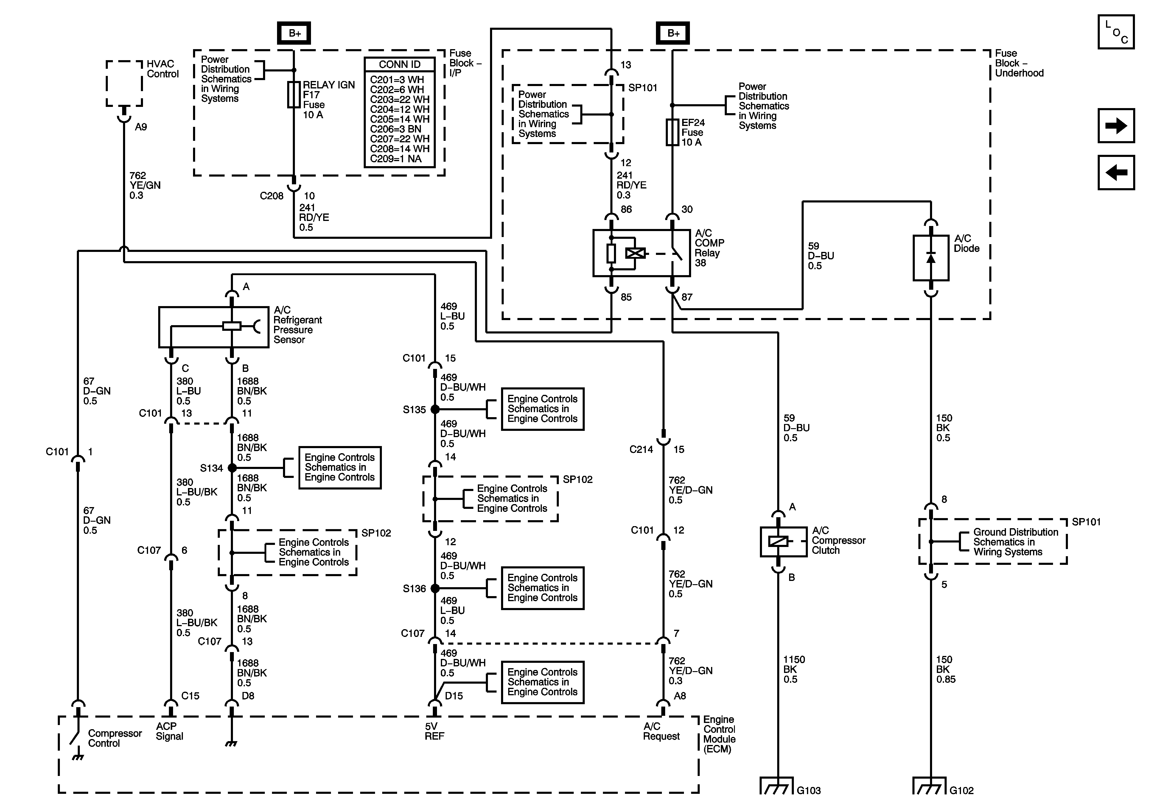
Compressor Controls (Sirius D4)


Object Number: 1376187  Size: FS
Master Electrical Component List
Compressor Controls (MR-140)
Blower Controls
Underhood Fuse Block - Battery Feeds
RELAY IGN Fuse
Underhood Fuse Block - Battery Feeds
Engine Data Sensors - Pressure and Temperature
Engine Data Sensors - Oxygen Sensors (O2S)
G102, G101, G106
Figure 3:

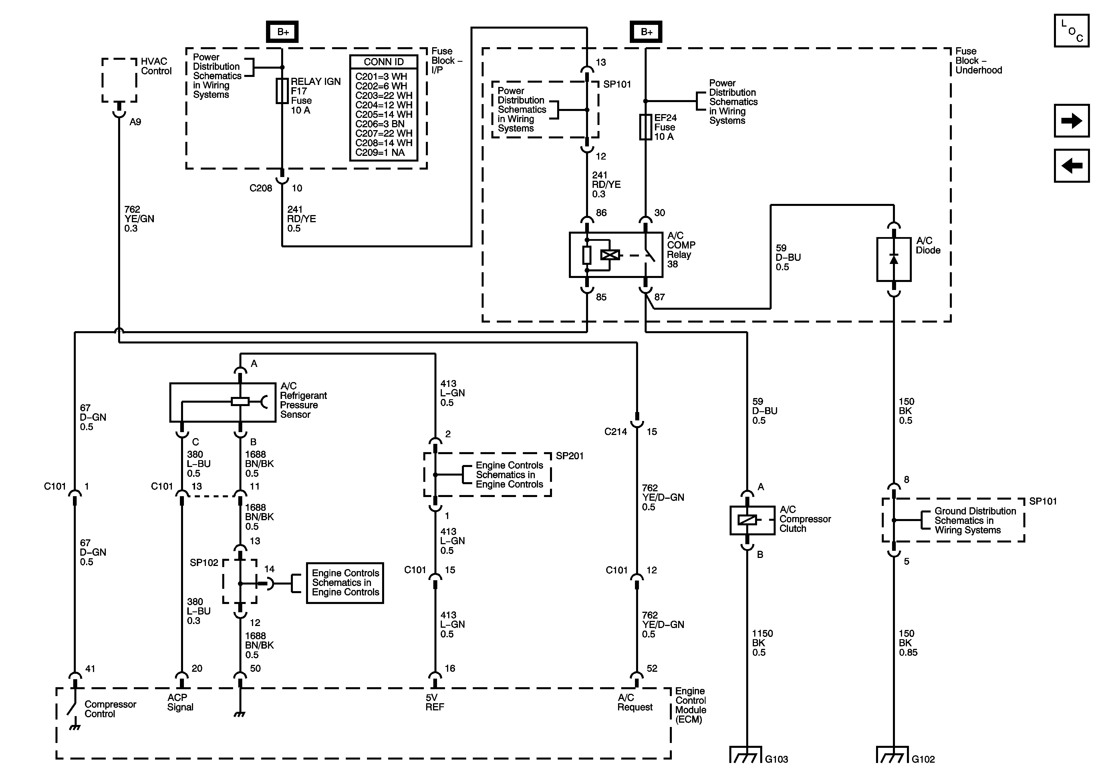
Compressor Controls (MR-140)


Object Number: 1478514  Size: FS
Master Electrical Component List
Compressor Controls (ITMS-6F)
Compressor Controls (Sirius D4)
Underhood Fuse Block - Battery Feeds
RELAY IGN Fuse
Underhood Fuse Block - Battery Feeds
Engine Data Sensors
ELECTRICAL MIRROR - and HEATER Fuses (LHD)
G102, G101, G106
Figure 4:

Compressor Controls (ITMS-6F)


Object Number: 1478515  Size: FS
Master Electrical Component List
Temperature Controls/Air Delivery
Compressor Controls (MR-140)
Underhood Fuse Block - Battery Feeds
RELAY IGN Fuse
Underhood Fuse Block - Battery Feeds
Engine Data Sensors
Engine Data Sensors
Engine Data Sensors
Engine Data Sensors
Engine Data Sensors
Engine Data Sensors
G102, G101, G106
Figure 5:

Temperature Controls/Air Delivery


Object Number: 1503283  Size: FS
Master Electrical Component List
Compressor Controls (ITMS-6F)
IGNITION 1 and IGNITION 2 Fuses (MR-140)
IP Illumination (w/ Dimming (RHD))
G203
G203