GM Service Manual Online
For 1990-2009 cars only
Makes
🢒
Chevrolet
🢒
2004
🢒
Vivant
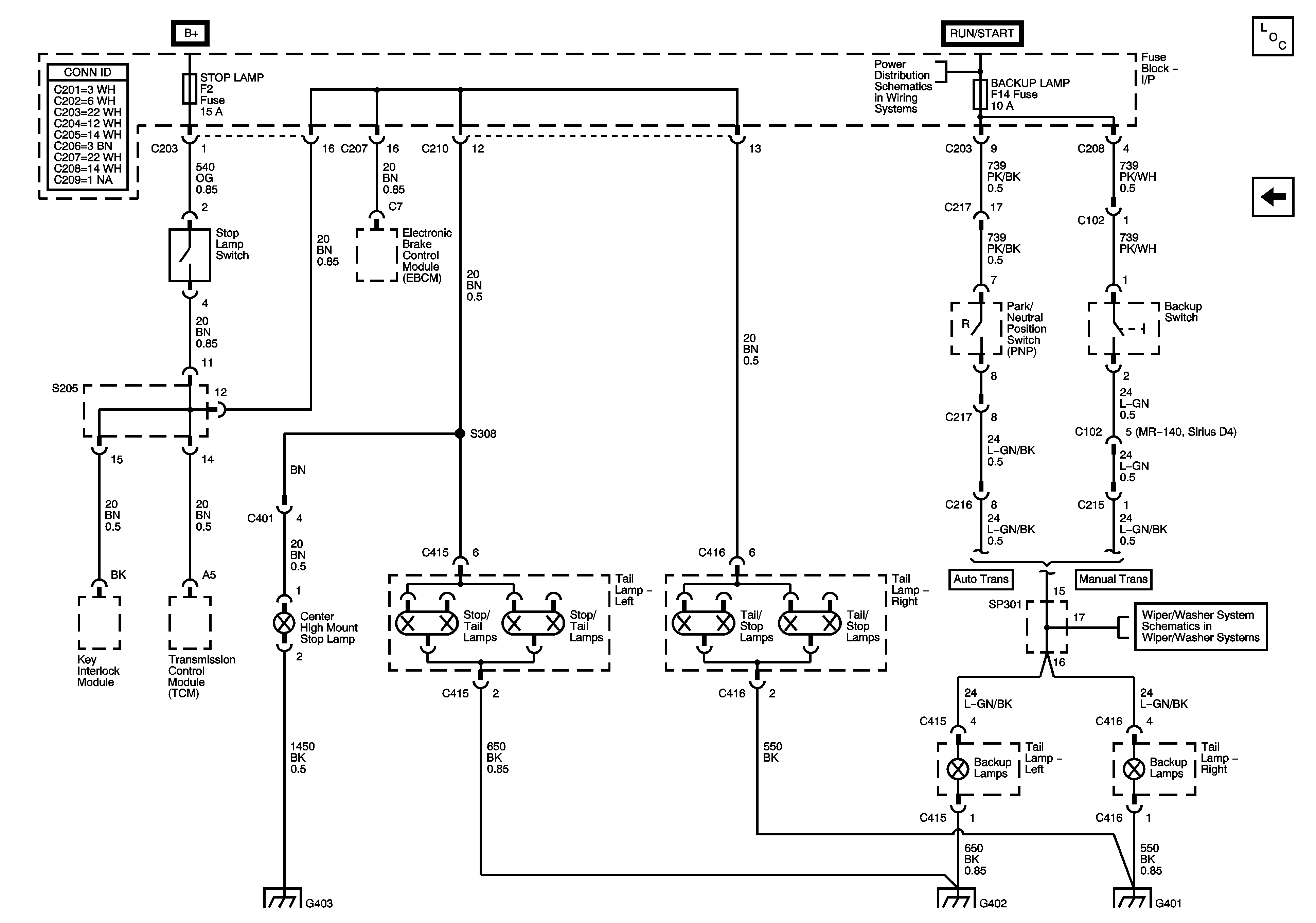
🢒 Stop Lamps and Backup Lamps
Stop Lamps and Backup Lamps
Stop Lamps and Backup Lamps
Master Electrical Component List
Turn and Hazard Lamps (RHD)
PARKING LAMP LH, PARKING LAMP RH Fuses, PARKING LAMP Relay
Front Wipers (RHD)