GM Service Manual Online
For 1990-2009 cars only
Makes
🢒
Chevrolet
🢒
2004
🢒
Vivant
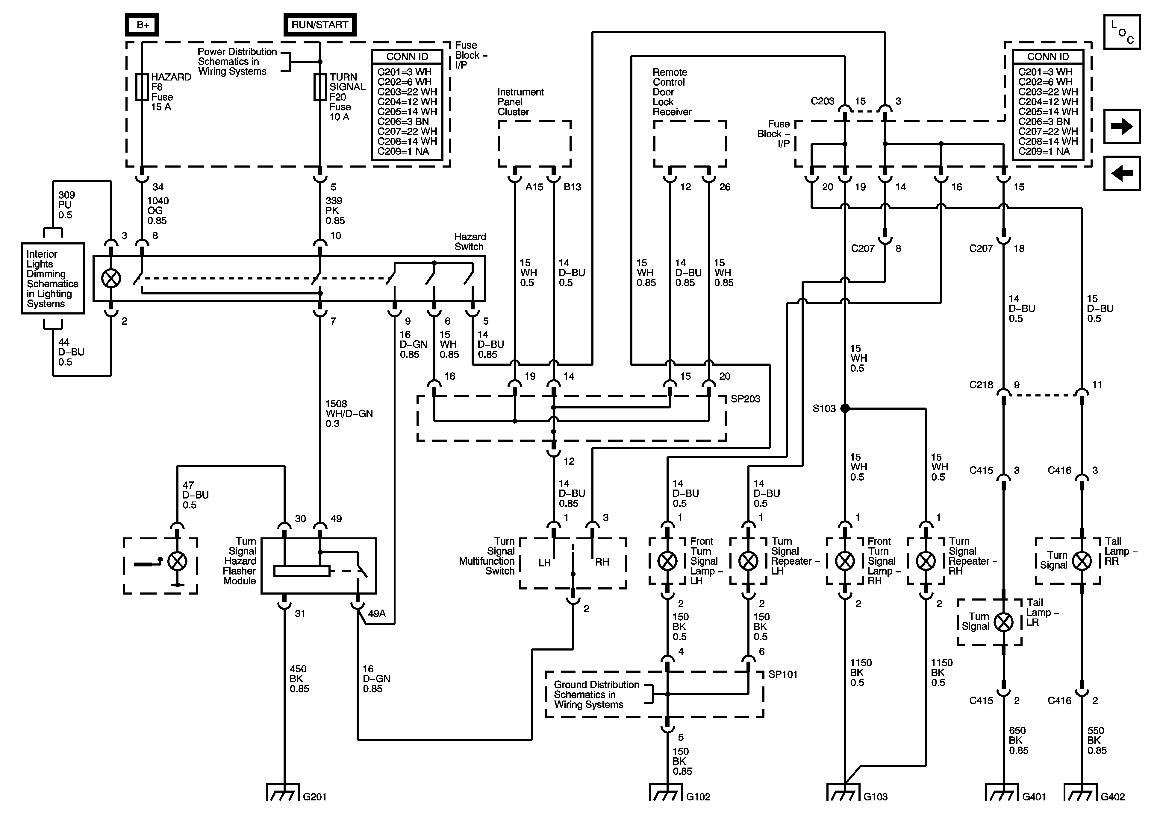
🢒 Turn and Hazard Lamps (RHD)
Turn and Hazard Lamps (RHD)
Turn and Hazard Lamps (RHD)
Master Electrical Component List
Stop Lamps and Backup Lamps
Turn and Hazard Lamps (LHD)
CLUSTER, AIR BAG, TURN SIGNAL, and CRUISE Fuses (LHD)
IP Illumination (w/ Dimming (LHD))
G102 (Cont)