GM Service Manual Online
For 1990-2009 cars only
Makes
🢒
Chevrolet
🢒
2004
🢒
Vivant
🢒 Turn and Hazard Lamps (LHD)
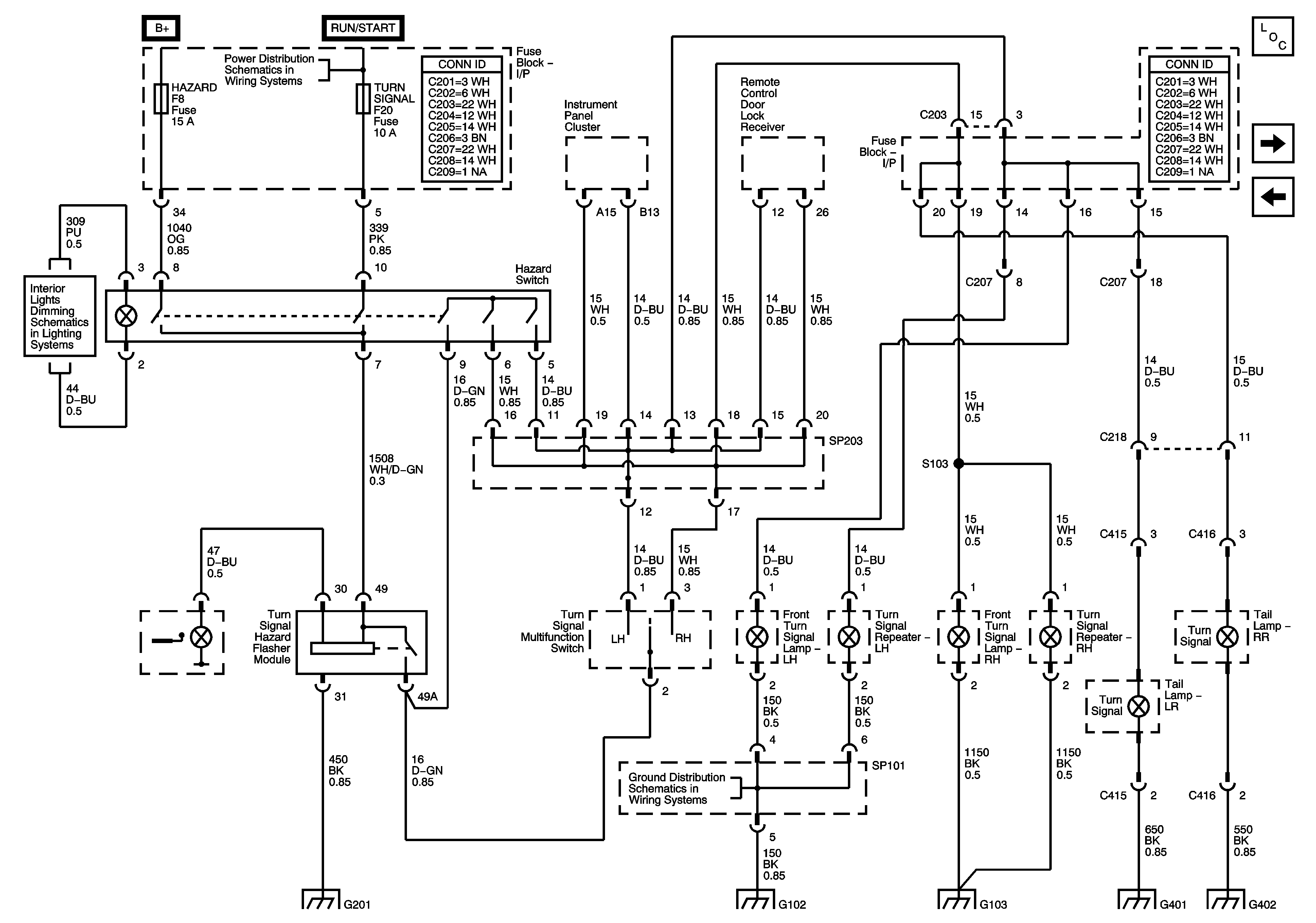
Turn and Hazard Lamps (LHD)
Turn and Hazard Lamps (LHD)
Master Electrical Component List
Turn and Hazard Lamps (RHD)
Park Lamps and License Plate Lamps (RHD)
CLUSTER, AIR BAG, TURN SIGNAL, and CRUISE Fuses (LHD)
IP Illumination (w/ Dimming (LHD))
G102 (Cont)