GM Service Manual Online
For 1990-2009 cars only
Figure 1:

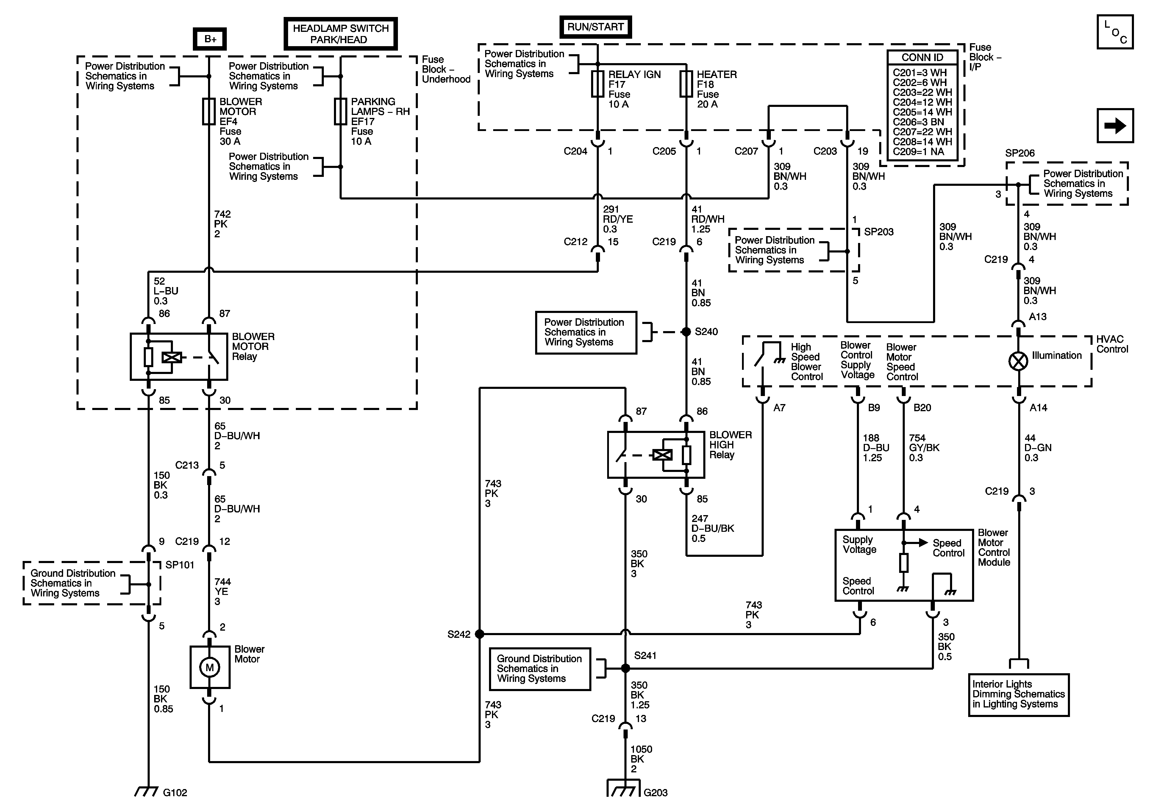
Blower Controls


Object Number: 1346324  Size: FS
Master Electrical Component List
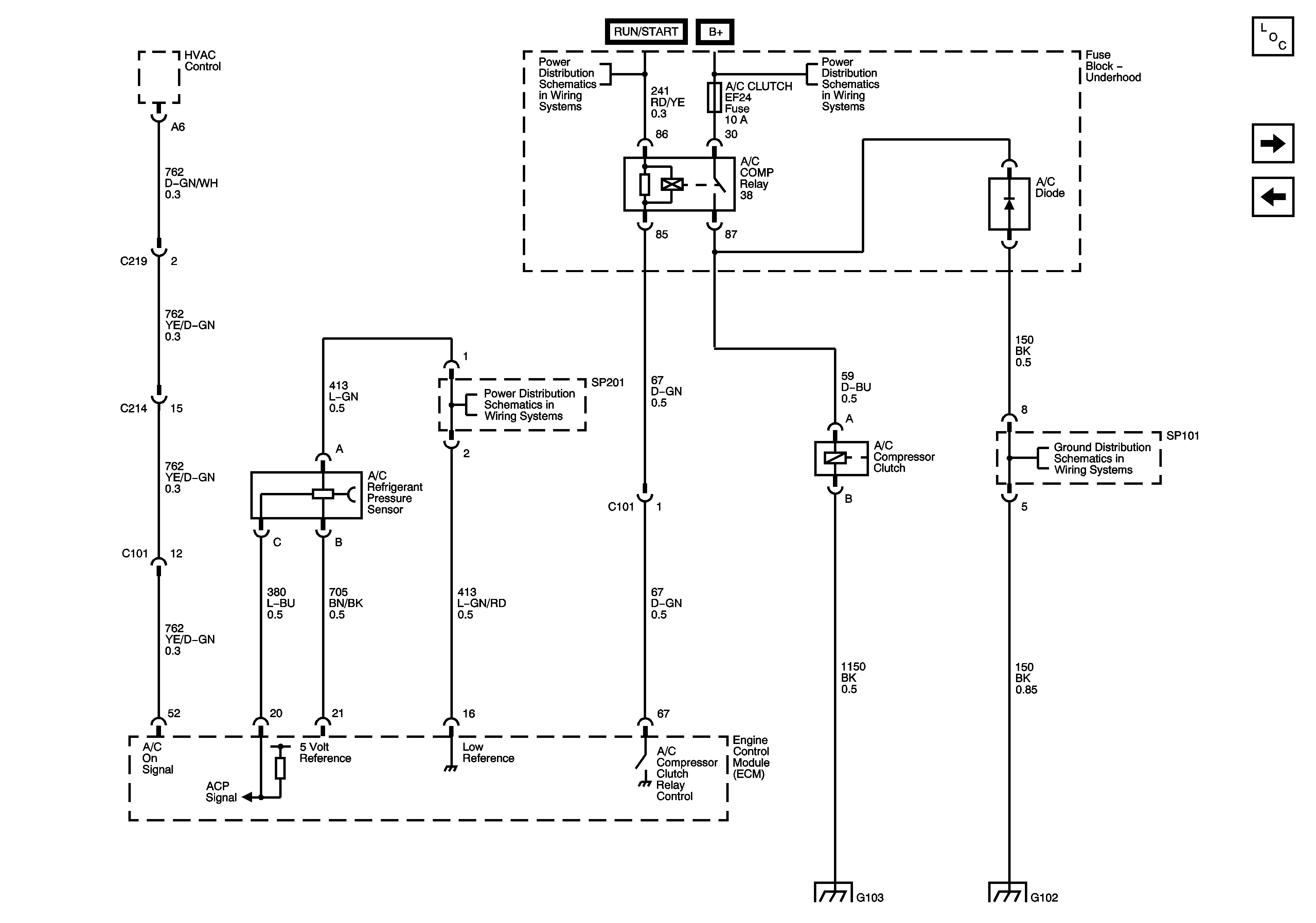
Compressor Controls (Sirius D4)
Underhood Fuse Block - Battery Feeds
HEADLAMP Fuse and HEADLAMP Relay
Underhood Fuse Block - Battery Feeds
PARKING LAMP LH, PARKING LAMP RH Fuses, PARKING LAMP Relay
PARKING LAMP LH, PARKING LAMP RH Fuses, PARKING LAMP Relay
G102, G101, G106
G203
IP Illumination (w/ Dimming (LHD))
Figure 2:

Compressor Controls (Sirius D4)


Object Number: 1376190  Size: FS
Master Electrical Component List
Compressor Controls (MR-140)
Blower Controls
Underhood Fuse Block - Battery Feeds
Underhood Fuse Block - Battery Feeds
ABS, ECM and SIREN Fuses
G102, G101, G106
Figure 3:

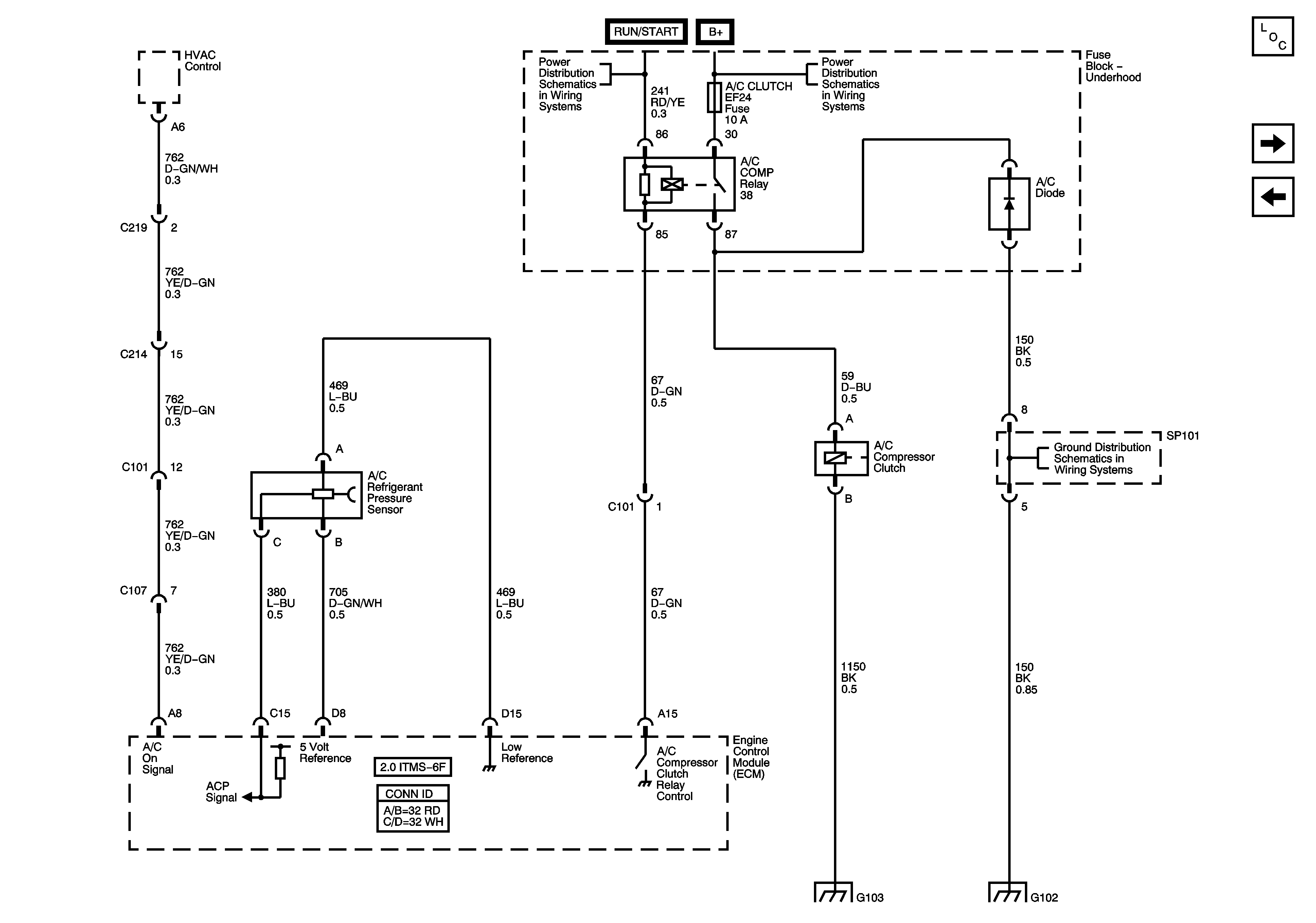
Compressor Controls (MR-140)


Object Number: 1478516  Size: FS
Master Electrical Component List
Compressor Controls (ITMS -6F)
Compressor Controls (Sirius D4)
Underhood Fuse Block - Battery Feeds
Underhood Fuse Block - Battery Feeds
G102, G101, G106
Figure 4:

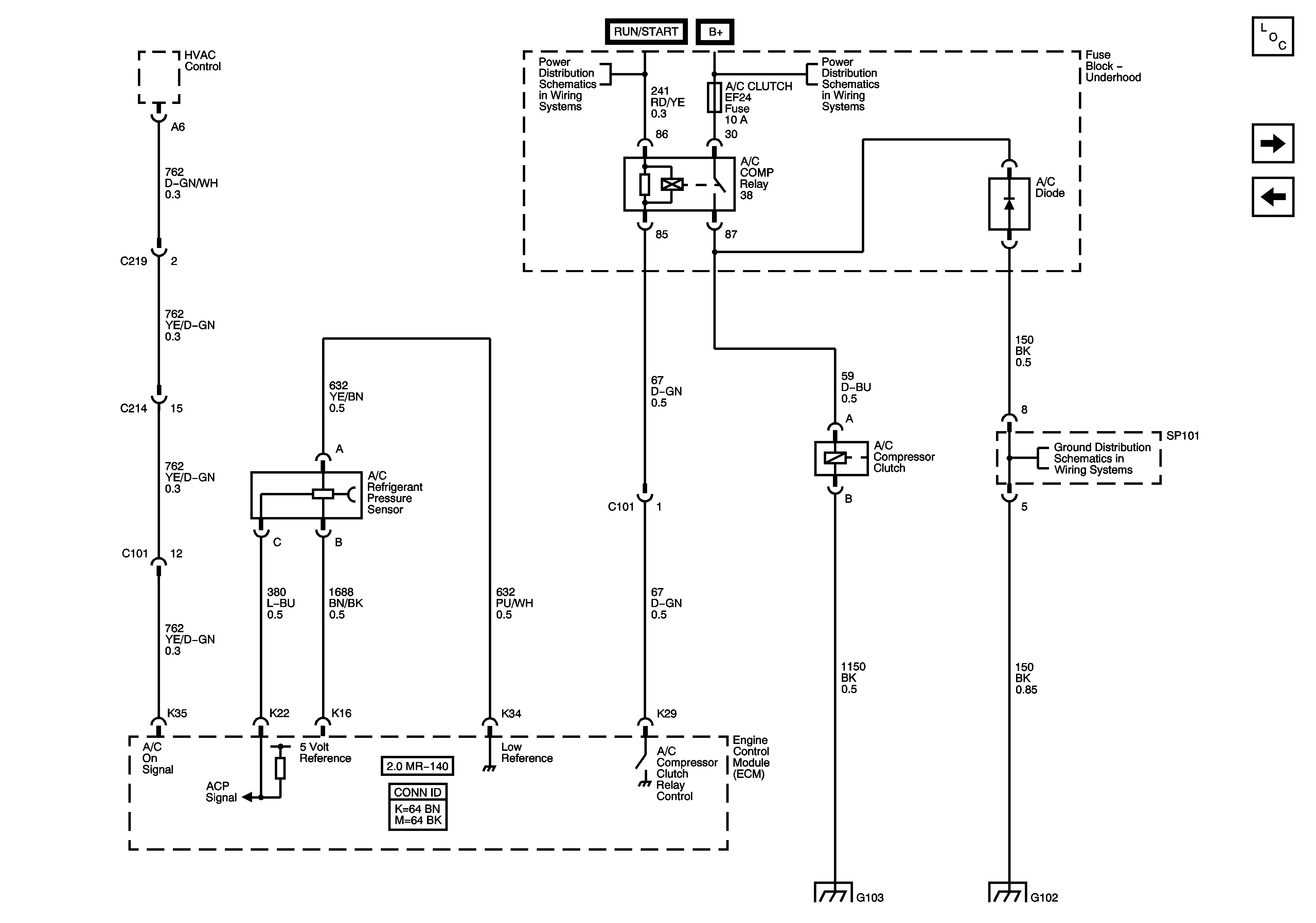
Compressor Controls (ITMS-6F)


Object Number: 1478517  Size: FS
Master Electrical Component List
Temperature Controls/Air Delivery
Compressor Controls (MR-140)
Underhood Fuse Block - Battery Feeds
Underhood Fuse Block - Battery Feeds
G102, G101, G106
Figure 5:

Temperature Controls/Air Delivery


Object Number: 1346325  Size: FS
Master Electrical Component List
Compressor Controls (ITMS -6F)
Underhood Fuse Block - Battery Feeds
Underhood Fuse Block - Battery Feeds
BLOWER MOTOR, POWER WINDOW, and REAR DEFOGGER Fuses
Vehicle Speed Signal
Vehicle Speed Sensor (MR 140)
Front Wipers (RHD)
G203