GM Service Manual Online
For 1990-2009 cars only
Makes
🢒
Chevrolet
🢒
2006
🢒
Vivant
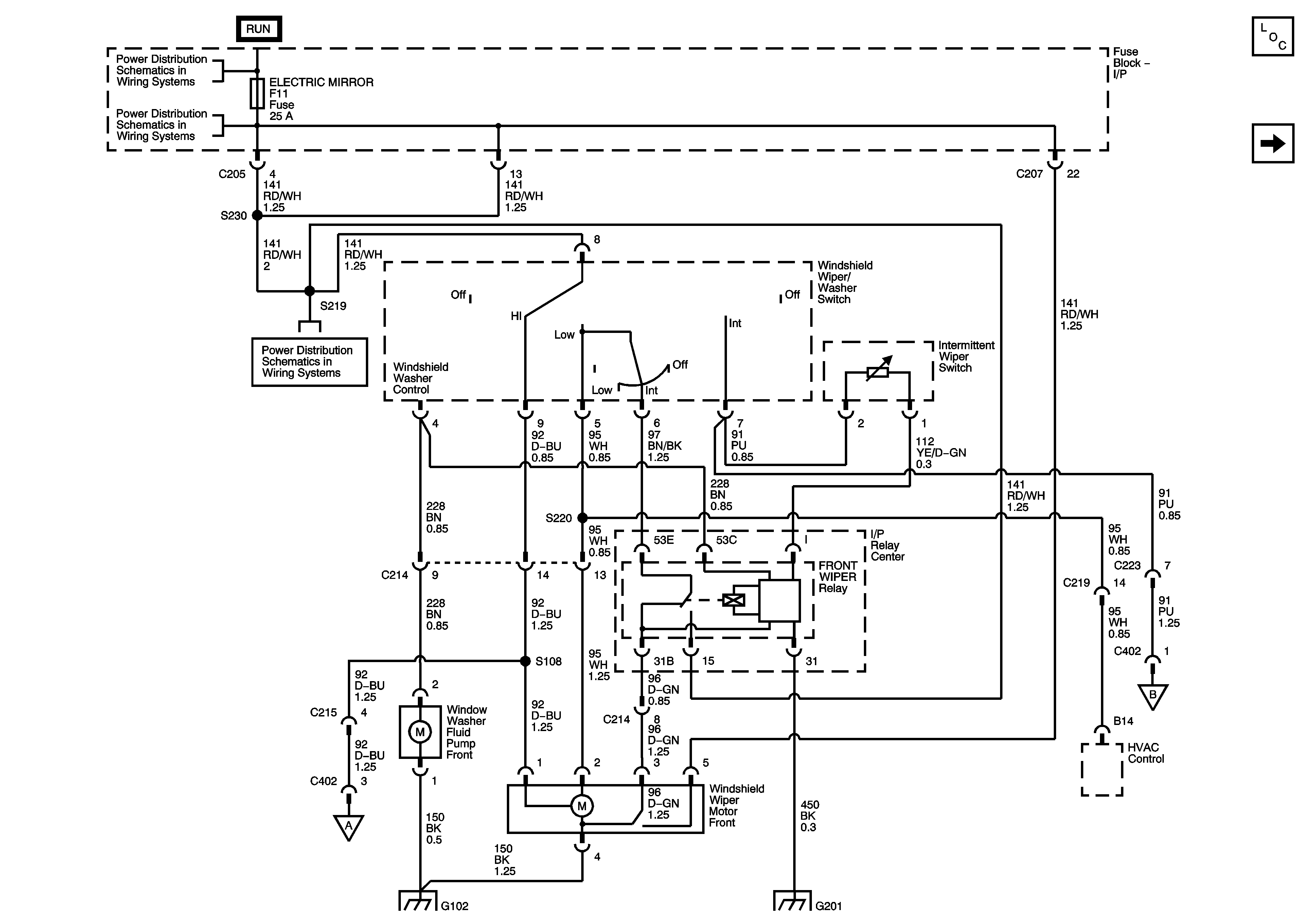
🢒 Front Wipers (RHD)
Front Wipers (RHD)
Front Wipers (RHD)
Master Electrical Component List
Front Wipers (LHD)
ELECTRICAL MIRROR and HEATER Fuses (RHD)
ELECTRICAL MIRROR and HEATER Fuses (RHD)
ELECTRICAL MIRROR and HEATER Fuses (RHD)