GM Service Manual Online
For 1990-2009 cars only
Makes
🢒
Chevrolet
🢒
2006
🢒
Vivant
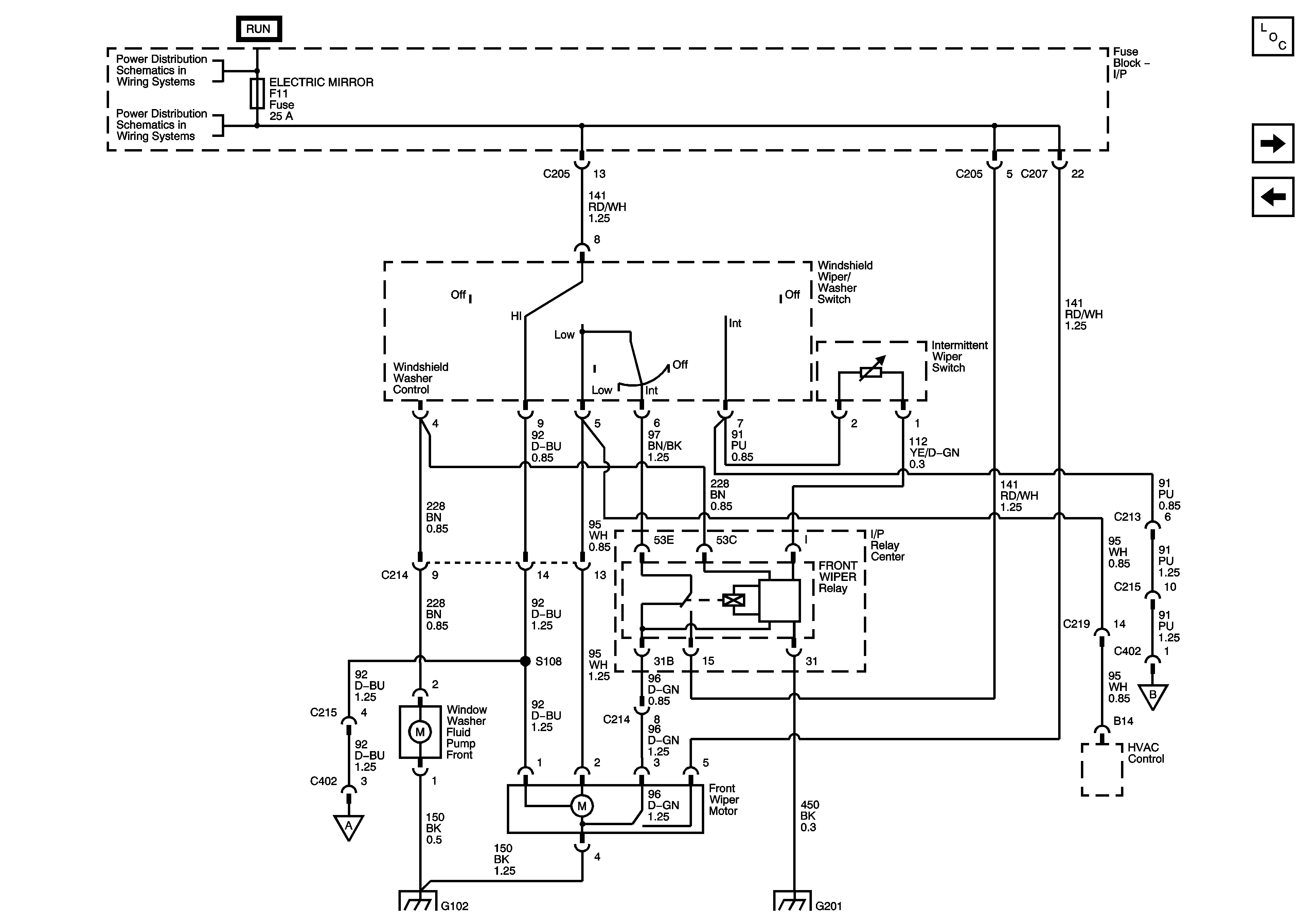
🢒 Front Wipers (LHD)
Front Wipers (LHD)
Front Wipers (LHD)
Master Electrical Component List
Rear Wipers (w/ Intermittent (LHD))
Front Wipers (RHD)
ELECTRICAL MIRROR - and HEATER Fuses (LHD)
ELECTRICAL MIRROR - and HEATER Fuses (LHD)