GM Service Manual Online
For 1990-2009 cars only

Heated/Cooled Seat Schematics except A45

Figure 1:

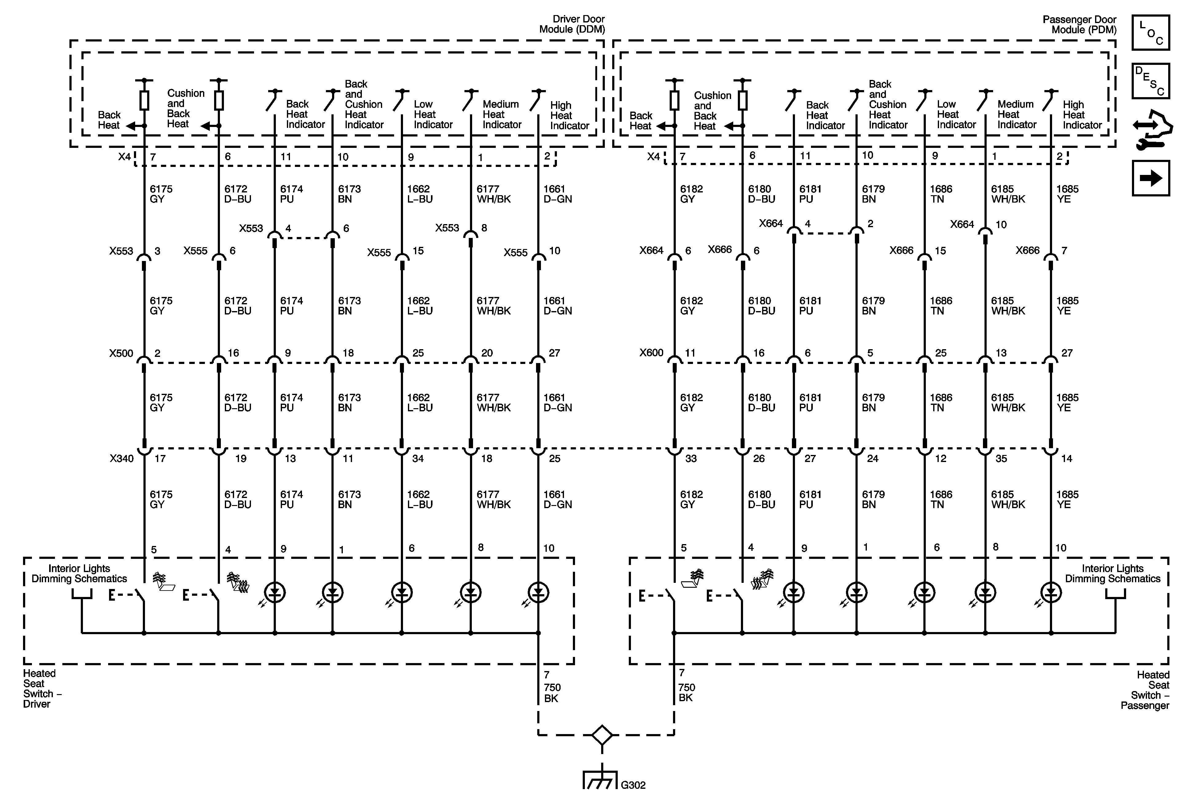
Indicators and Switches


Object Number: 1844206  Size: FS
Master Electrical Component List
Heated Seats Description and Operation
Control Module References
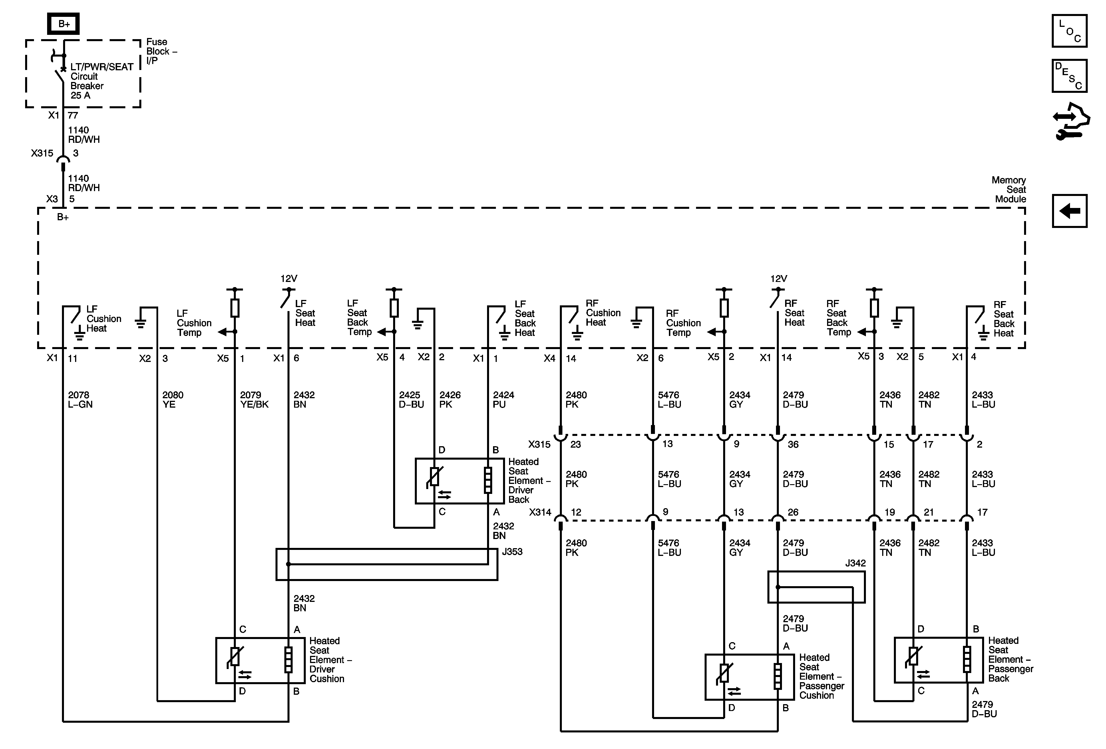
Heating Elements
Subsystem References 2 of 3
Console and Driver Door LEDs
Console and Driver Door LEDs
G302 1 of 3
G302 1 of 3
Figure 2:

Heating Elements


Object Number: 1844207  Size: FS
Master Electrical Component List
Heated Seats Description and Operation
Control Module References
Indicators and Switches
BATT 2, BCK/UP/STOP, HTD/SEAT, LT/TRN/SIG, PDM, PWR/MIRRORS, and RT/TRN/SIG Fuses, LT/PWR/SEAT, PWR/COLUMN, and RT/PWR/SEAT Circuit Breakers
Data Communication Schematics
G303 1 of 2

Heated/Cooled Seat Schematics A45

Figure 1:

Indicators and Switches


Object Number: 1844208  Size: FS
Master Electrical Component List
Heated Seats Description and Operation
Control Module References
Heating Elements
Console and Driver Door LEDs
Console and Driver Door LEDs
G302 1 of 3
Figure 2:

Heating Elements


Object Number: 1844209  Size: FS
Master Electrical Component List
Heated Seats Description and Operation
Control Module References
Indicators and Switches
BATT 2, BCK/UP/STOP, HTD/SEAT, LT/TRN/SIG, PDM, PWR/MIRRORS, and RT/TRN/SIG Fuses, LT/PWR/SEAT, PWR/COLUMN, and RT/PWR/SEAT Circuit Breakers