GM Service Manual Online
For 1990-2009 cars only
Makes
🢒
GMC_Truck
🢒
2007
🢒
Acadia - 2WD
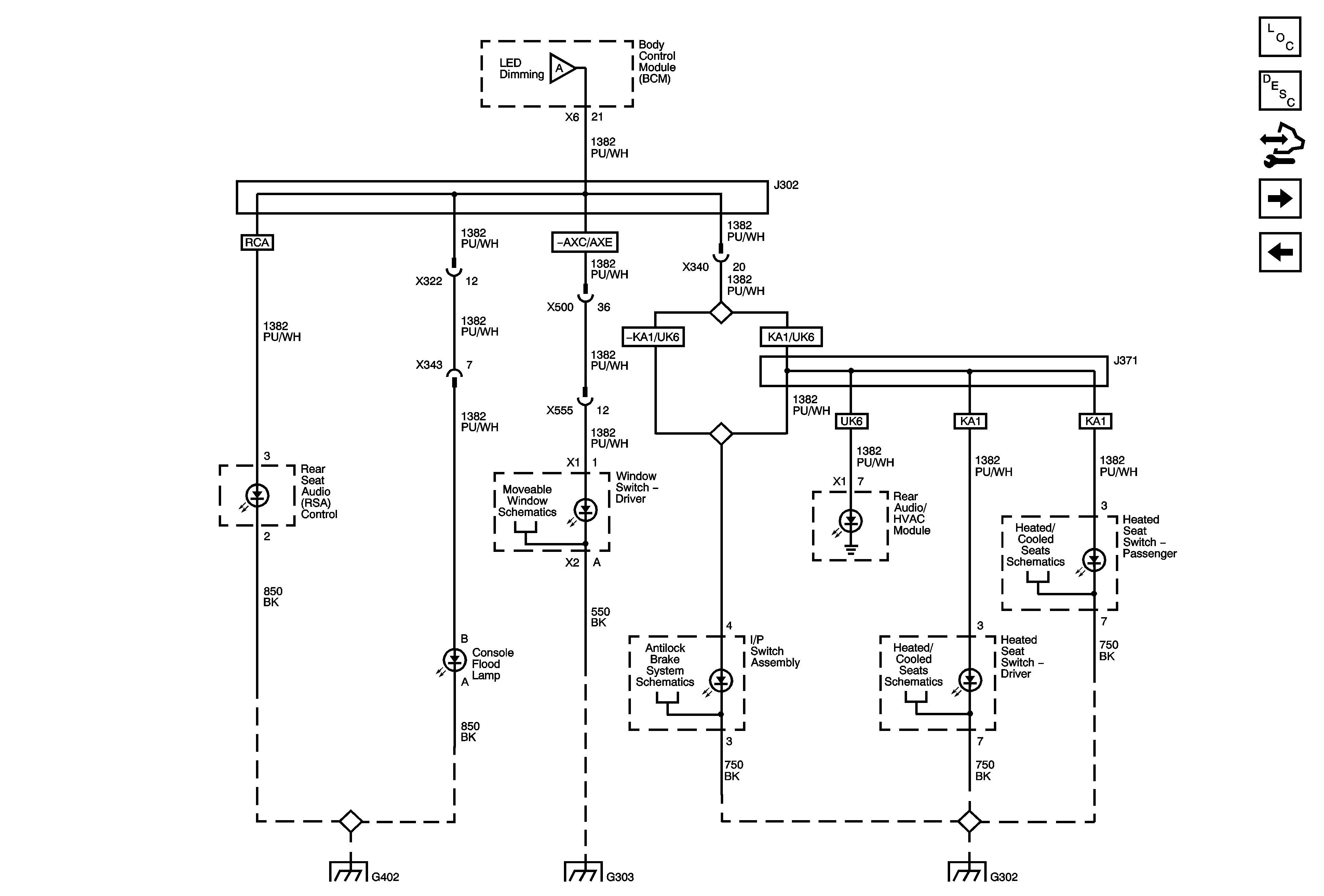
🢒 Console and Driver Door LEDs
Console and Driver Door LEDs
Console and Driver Door LEDs
Master Electrical Component List
Interior Lighting Systems Description and Operation
Control Module References
Console, I/P, Passenger Door, and Roof Lamp
Controls, I/P, and Steering Wheel LEDs
Controls, I/P, and Steering Wheel LEDs
Front
TCS Control and Indicators
Indicators and Switches
Indicators and Switches
G402 1 of 2
G303 1 of 2
G302 1 of 3