GM Service Manual Online
For 1990-2009 cars only
Makes
🢒
GMC_Truck
🢒
2007
🢒
Acadia - 2WD
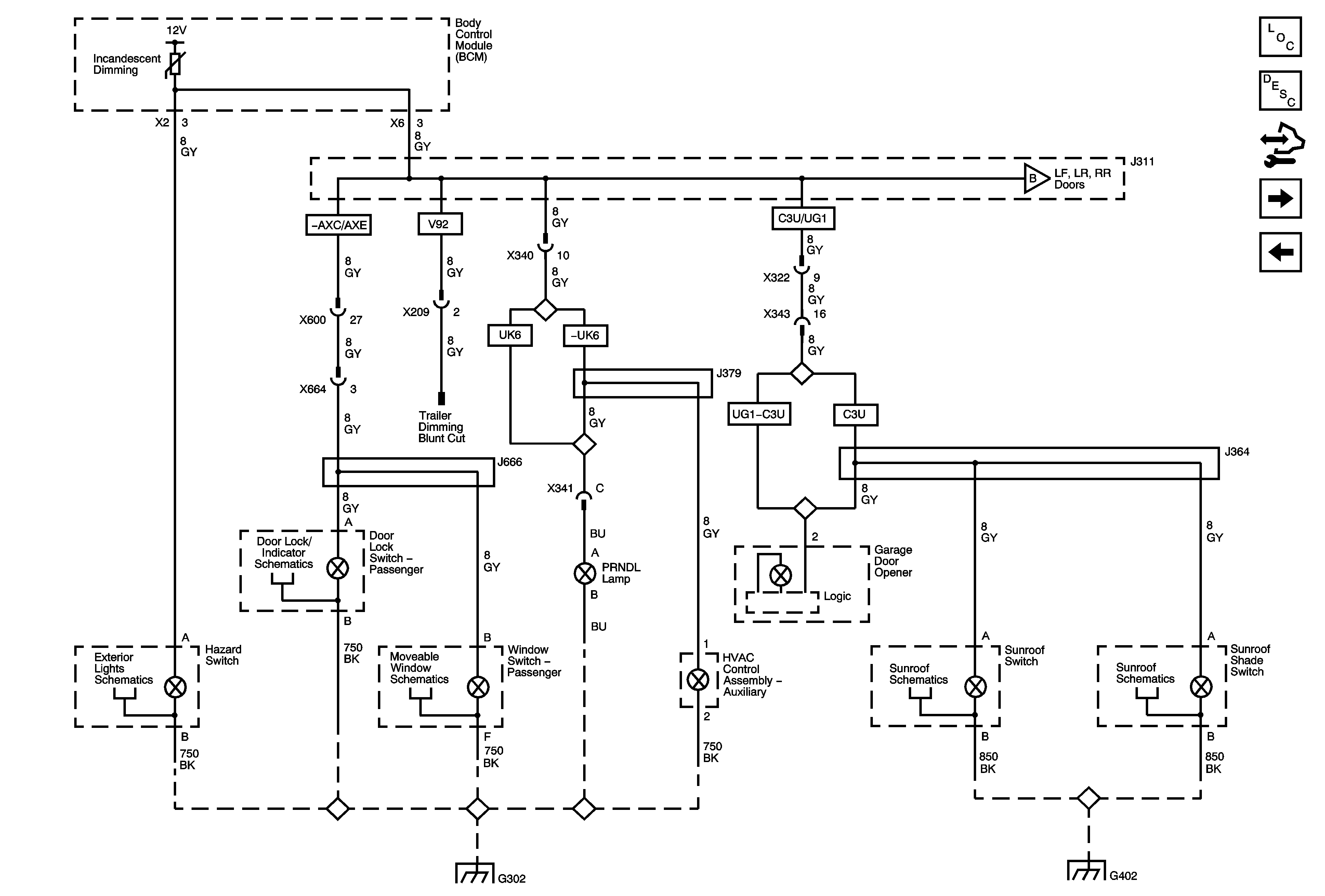
🢒 Console, I/P, Passenger Door, and Roof Lamp
Console, I/P, Passenger Door, and Roof Lamp
Console, I/P, Passenger Door, and Roof Lamps
Master Electrical Component List
Interior Lighting Systems Description and Operation
Control Module References
Driver, LR, and RR Door Lamps
Console and Driver Door LEDs
Driver, LR, and RR Door Lamps
Stop/Turn Signal Lamps Controls and Indicators
Switches
Front
G302 1 of 3
C3U
C3U
G402 1 of 2