GM Service Manual Online
For 1990-2009 cars only
Makes
🢒
GMC_Truck
🢒
2007
🢒
Acadia - 2WD
🢒 Front
Front
Front
Master Electrical Component List
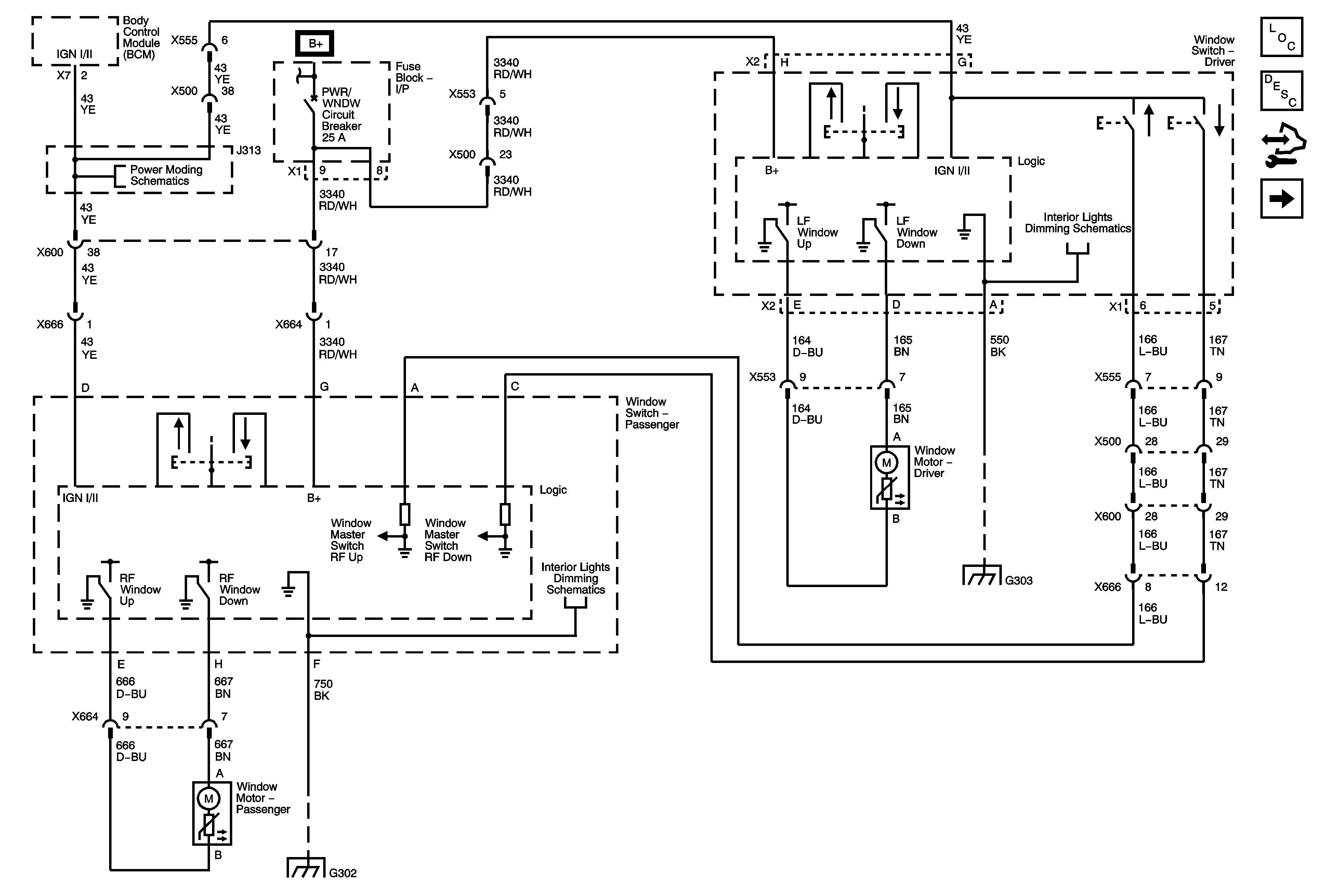
Power Windows Description and Operation (W/O AXC/AXE)
Control Module References
Rear
BATT 3, DRL, DRL 2, DR/LCK, FRT/WSW, HVAC, and REAR WIPER Fuses, PWR/WNDW Circuit Breaker
Console and Driver Door LEDs
Console, I/P, Passenger Door, and Roof Lamp
G302 1 of 3