GM Service Manual Online
For 1990-2009 cars only
Figure 1:

Low Beams


Object Number: 1843935  Size: FS
Master Electrical Component List
Exterior Lighting Systems Description and Operation
Control Module References
High Beams
B+ Bus 1 of 2
Daytime Running Lights
B+ Bus 1 of 2
B+ Bus 1 of 2
Module Power and Ground, Blower Control, Data Communication and Sunload
G301 1 of 2
Ground Distribution Schematics
Ground Distribution Schematics
Lighting Systems Schematic Icons
Lighting Systems Schematic Icons
Figure 2:

High Beams


Object Number: 1843937  Size: FS
Master Electrical Component List
Exterior Lighting Systems Description and Operation
Control Module References
Daytime Running Lights
Low Beams
B+ Bus 1 of 2
B+ Bus 1 of 2
B+ Bus 1 of 2
Data Communication Schematics
G301 1 of 2
G301 1 of 2
G301 1 of 2
Figure 3:

Daytime Running Lights


Object Number: 1843938  Size: FS
Master Electrical Component List
Exterior Lighting Systems Description and Operation
Control Module References
Adaptive Forward Lighting System - TSH
High Beams
BATT 3, DRL, DRL 2, DR/LCK, FRT/WSW, HVAC, and REAR WIPER Fuses, PWR/WNDW Circuit Breaker
BATT 3, DRL, DRL 2, DR/LCK, FRT/WSW, HVAC, and REAR WIPER Fuses, PWR/WNDW Circuit Breaker
BATT 3, DRL, DRL 2, DR/LCK, FRT/WSW, HVAC, and REAR WIPER Fuses, PWR/WNDW Circuit Breaker
Low Beams
Ground Distribution Schematics
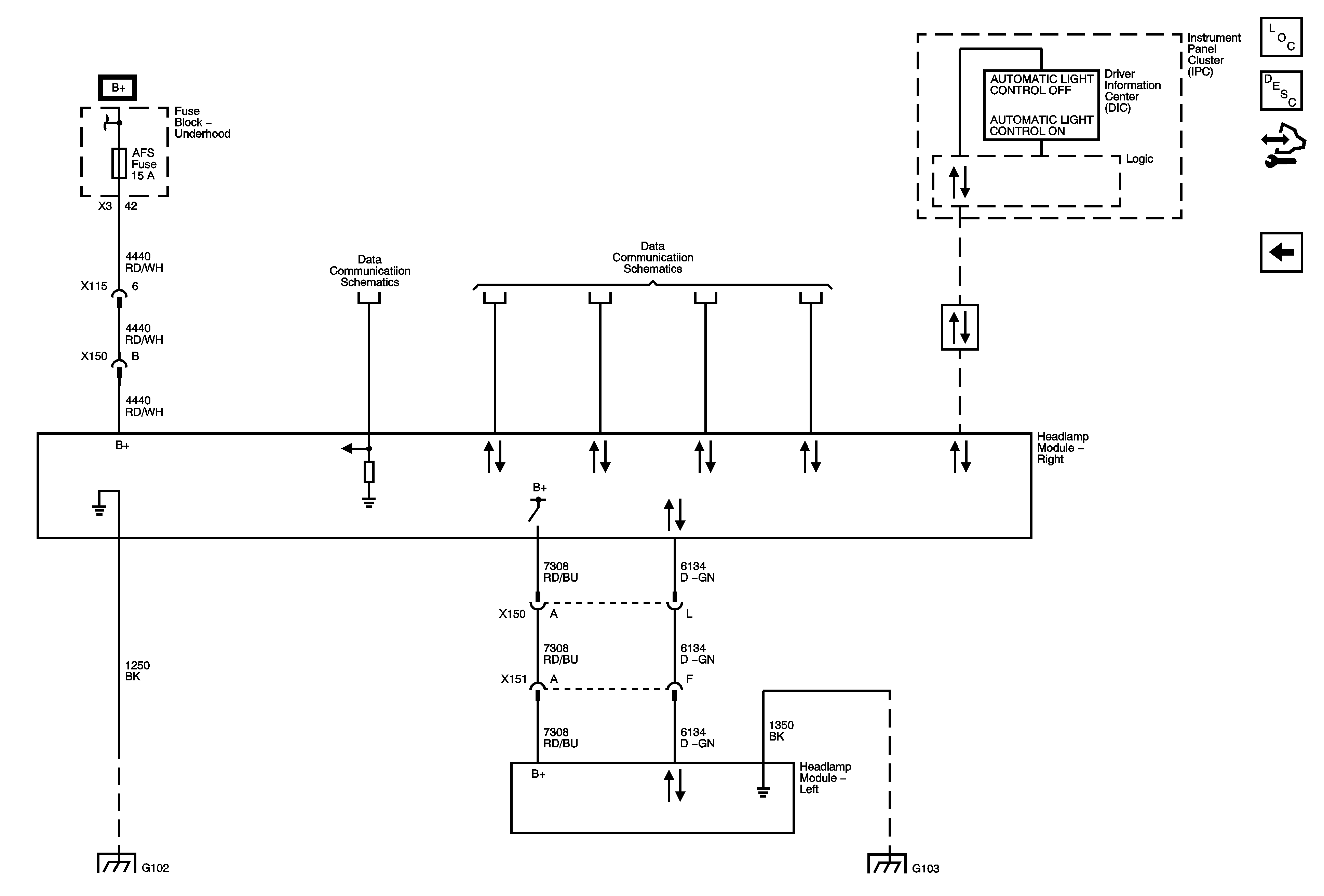
Figure 4:

Adaptive Forward Lighting System - TSH


Object Number: 1843939  Size: FS
Master Electrical Component List
Exterior Lighting Systems Description and Operation
Control Module References
Daytime Running Lights
B+ Bus 1 of 2
Data Communication Schematics
Data Communication Schematics
Data Communication Schematics
Ground Distribution Schematics
Ground Distribution Schematics