GM Service Manual Online
For 1990-2009 cars only
Makes
🢒
GMC_Truck
🢒
2007
🢒
Acadia - 2WD
🢒
Driver Information and Entertainment
🢒
Displays and Gages
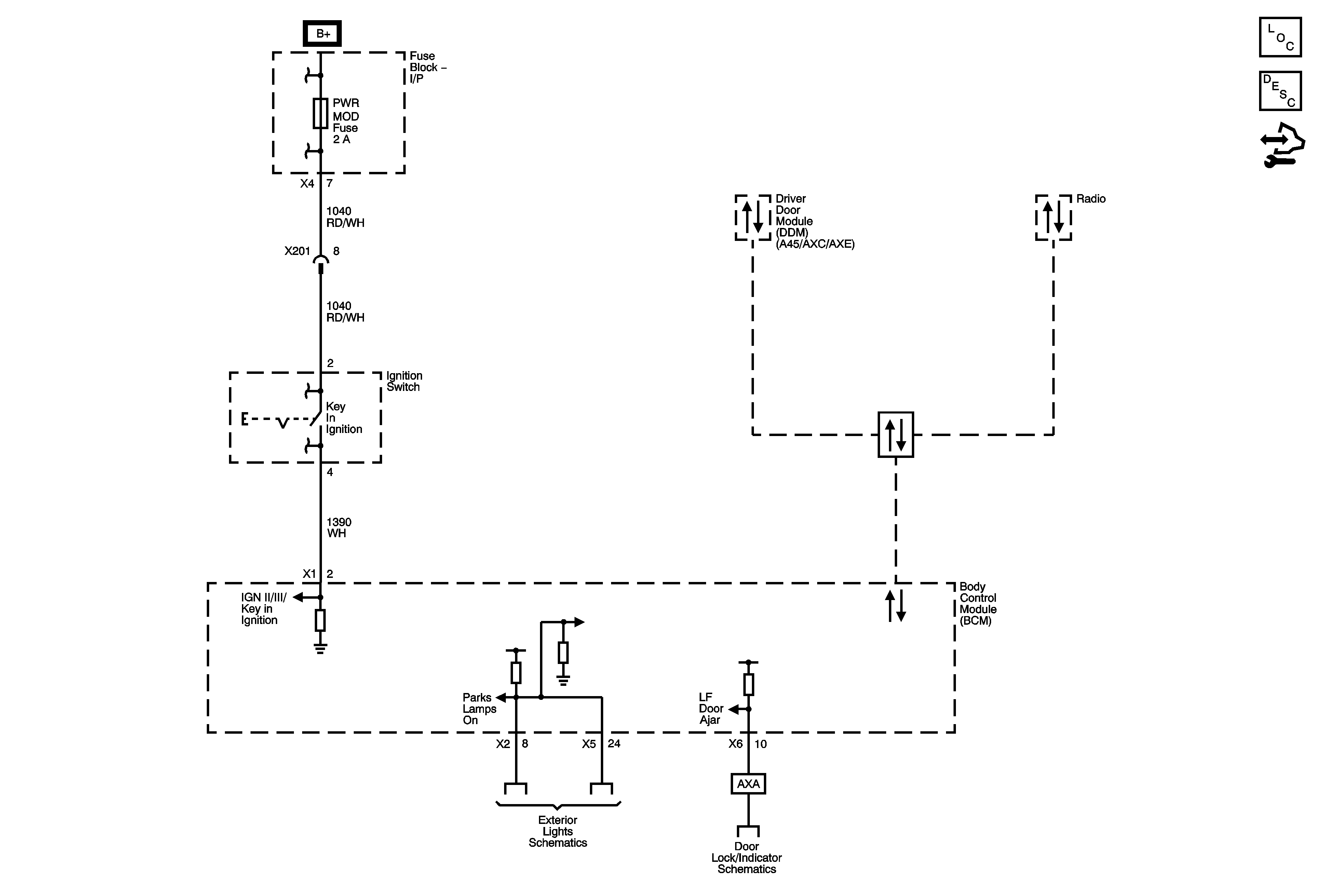
🢒 Audible Warnings Schematics
Master Electrical Component List
Audible Warnings Description and Operation
Control Module References
AIRBAG, AMP, BATT 1, BCM, CNSTR/VENT, CSTY, DISPLAY, INADV/PWR/LED, INFOTAINMENT, MSM, POWER MOD, and RADIO Fuses
Data Communication Schematics
Park Lamp Control and Right Park Lamps
Indicators