GM Service Manual Online
For 1990-2009 cars only
Makes
🢒
GMC_Truck
🢒
2007
🢒
Acadia - 2WD
🢒 Indicators
Indicators
Indicators
Master Electrical Component List
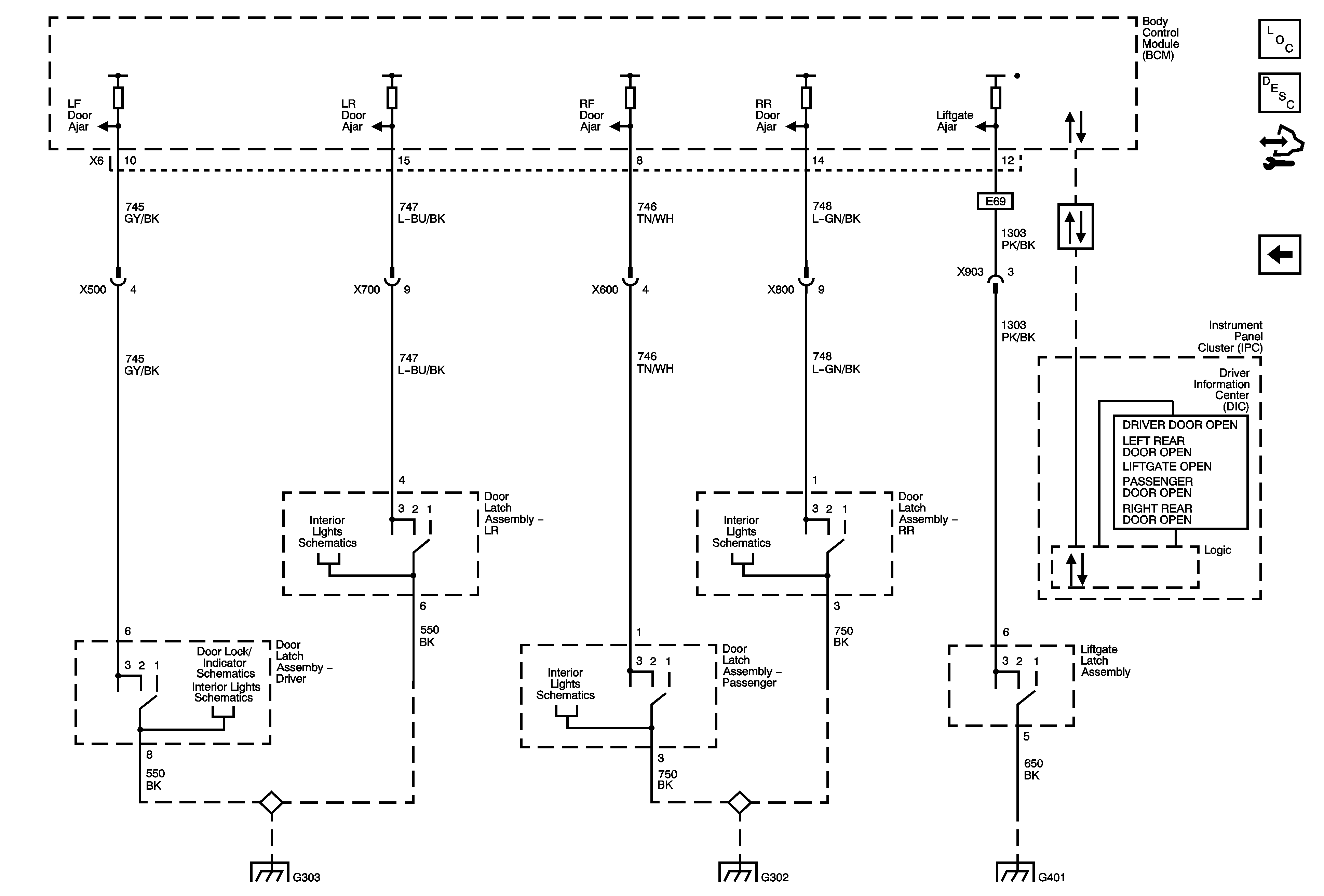
Door Ajar Indicator Description and Operation
Control Module References
Actuators
Data Communication Schematics
Door Open Switches
Door Open Switches
Switches
Door Open Switches
Door Open Switches
G303 1 of 2
G302 1 of 3
G401 1 of 2