GM Service Manual Online
For 1990-2009 cars only
Makes
🢒
GMC_Truck
🢒
2007
🢒
Acadia - 2WD
🢒 Actuators
Actuators
Actuators
Master Electrical Component List
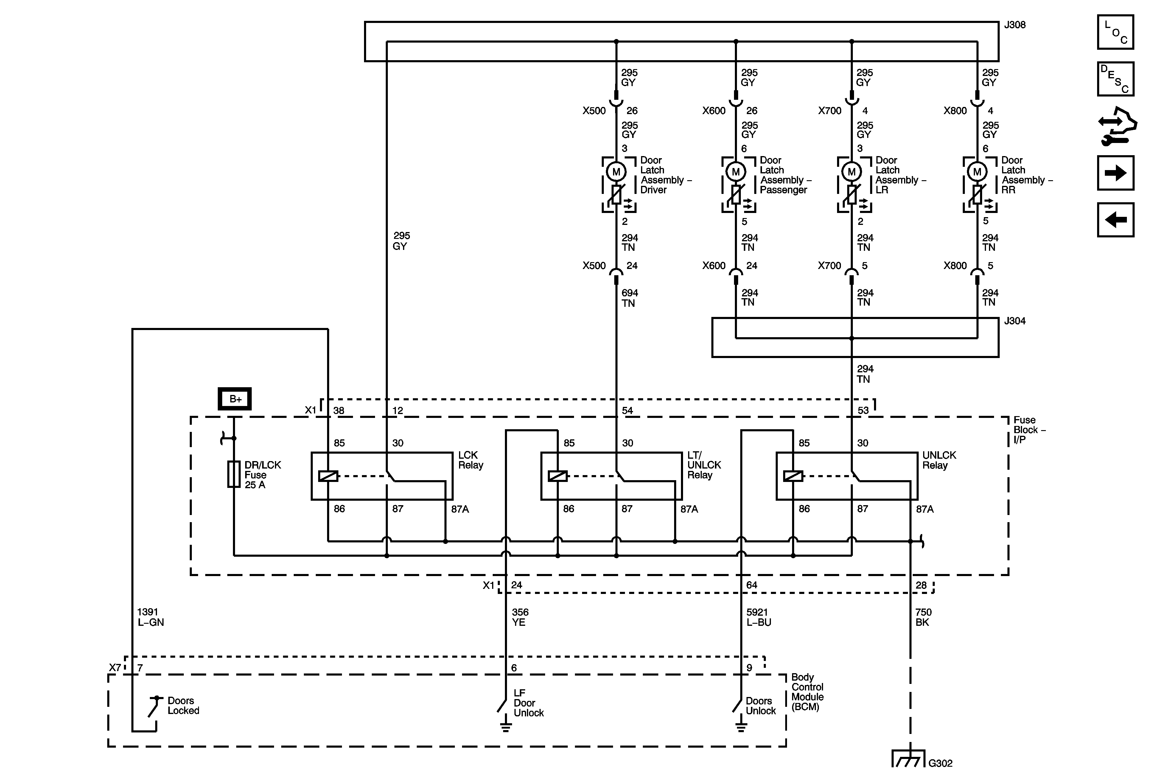
Power Door Locks Description and Operation (AXA)
Control Module References
Indicators
Switches
BATT 3, DRL, DRL 2, DR/LCK, FRT/WSW, HVAC, and REAR WIPER Fuses, PWR/WNDW Circuit Breaker
G302 1 of 3