GM Service Manual Online
For 1990-2009 cars only
Makes
🢒
GMC_Truck
🢒
2007
🢒
Acadia - 2WD
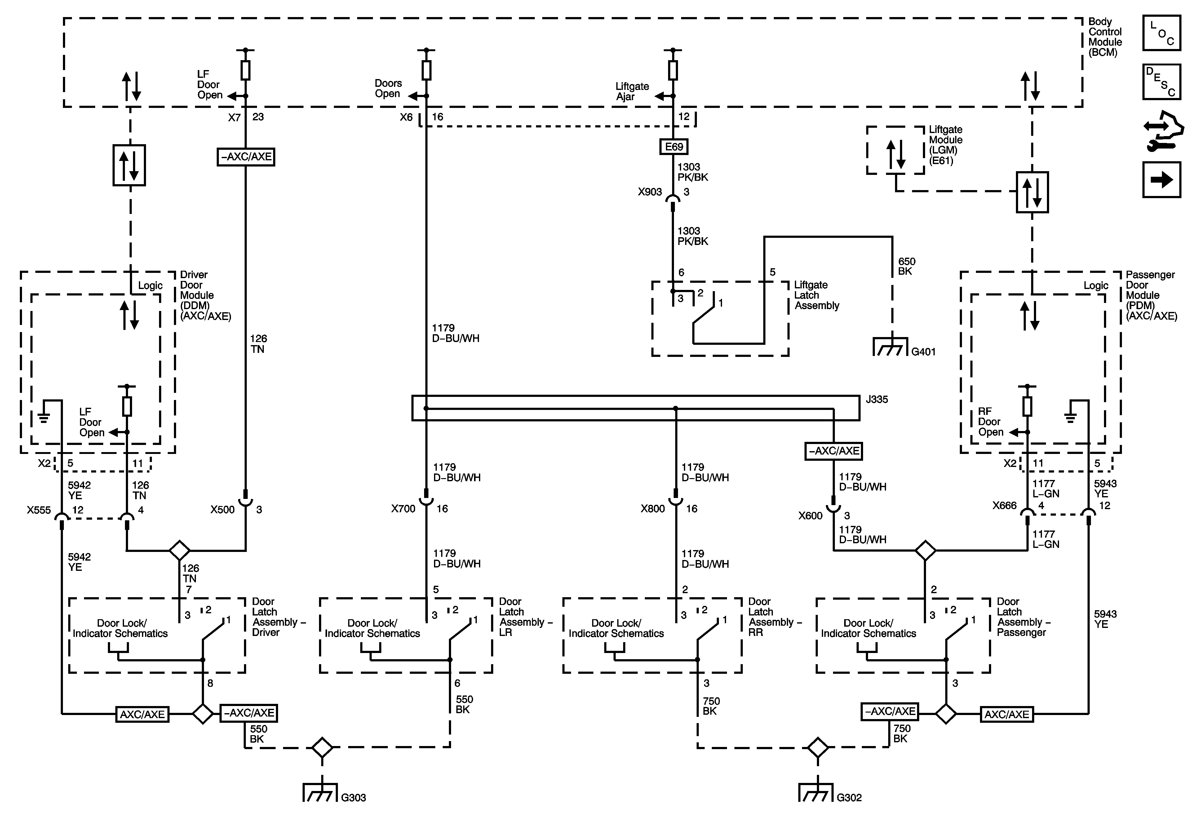
🢒 Door Open Switches
Door Open Switches
Door Open Switches
Master Electrical Component List
Interior Lighting Systems Description and Operation
Control Module References
Back Up Lamps
Data Communication Schematics
G401 1 of 2
Data Communication Schematics
Switches
Indicators
Indicators
Indicators
G303 1 of 2
G302 1 of 3