GM Service Manual Online
For 1990-2009 cars only
Makes
🢒
GMC_Truck
🢒
2007
🢒
Acadia - 2WD
🢒 Actuators
Actuators
Actuators
Master Electrical Component List
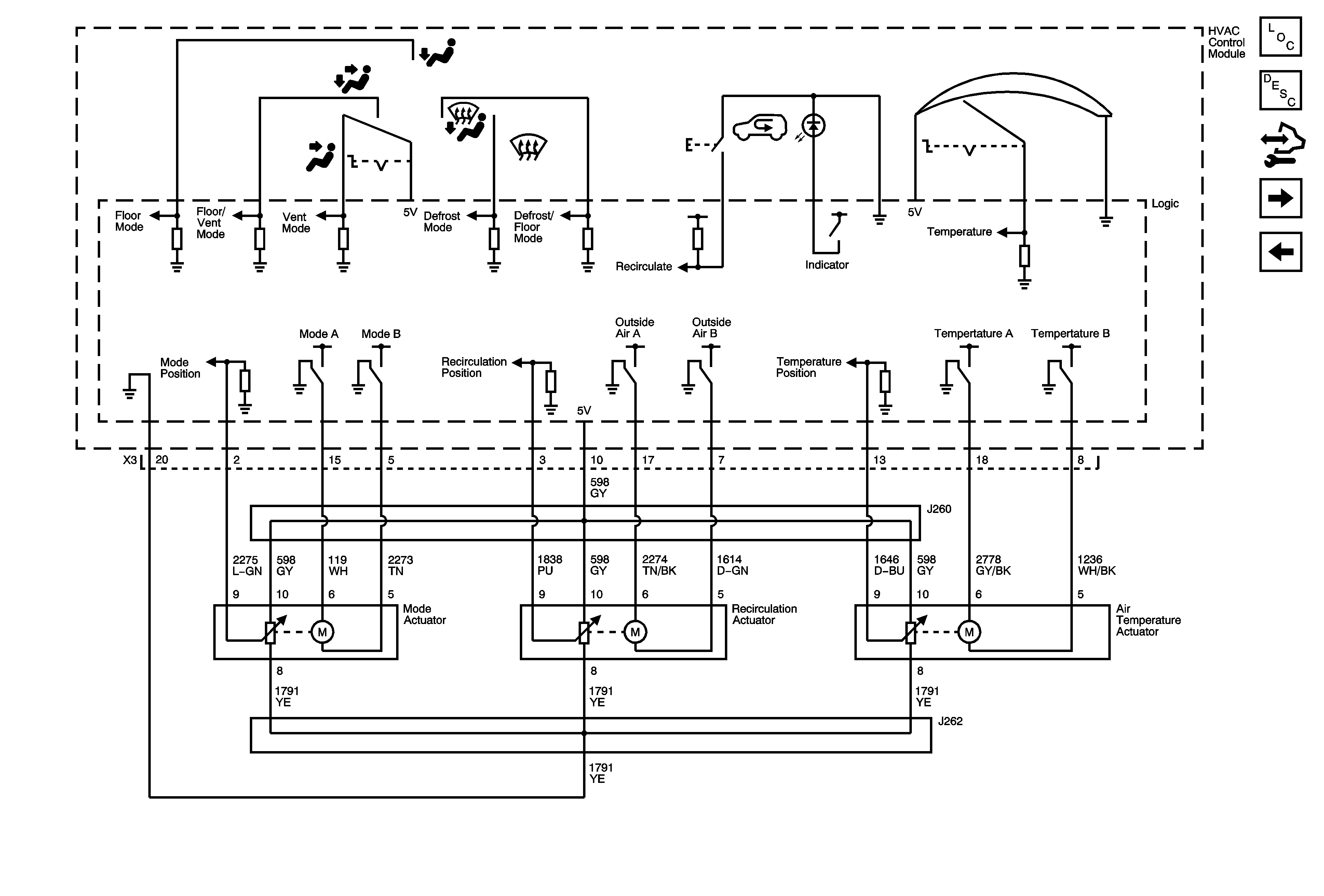
Air Temperature Description and Operation
Control Module References
Compressor Controls
Module Power and Ground, Blower Control, and Subsystem References