GM Service Manual Online
For 1990-2009 cars only
Makes
🢒
GMC_Truck
🢒
2007
🢒
Acadia - 2WD
🢒 Compressor Controls
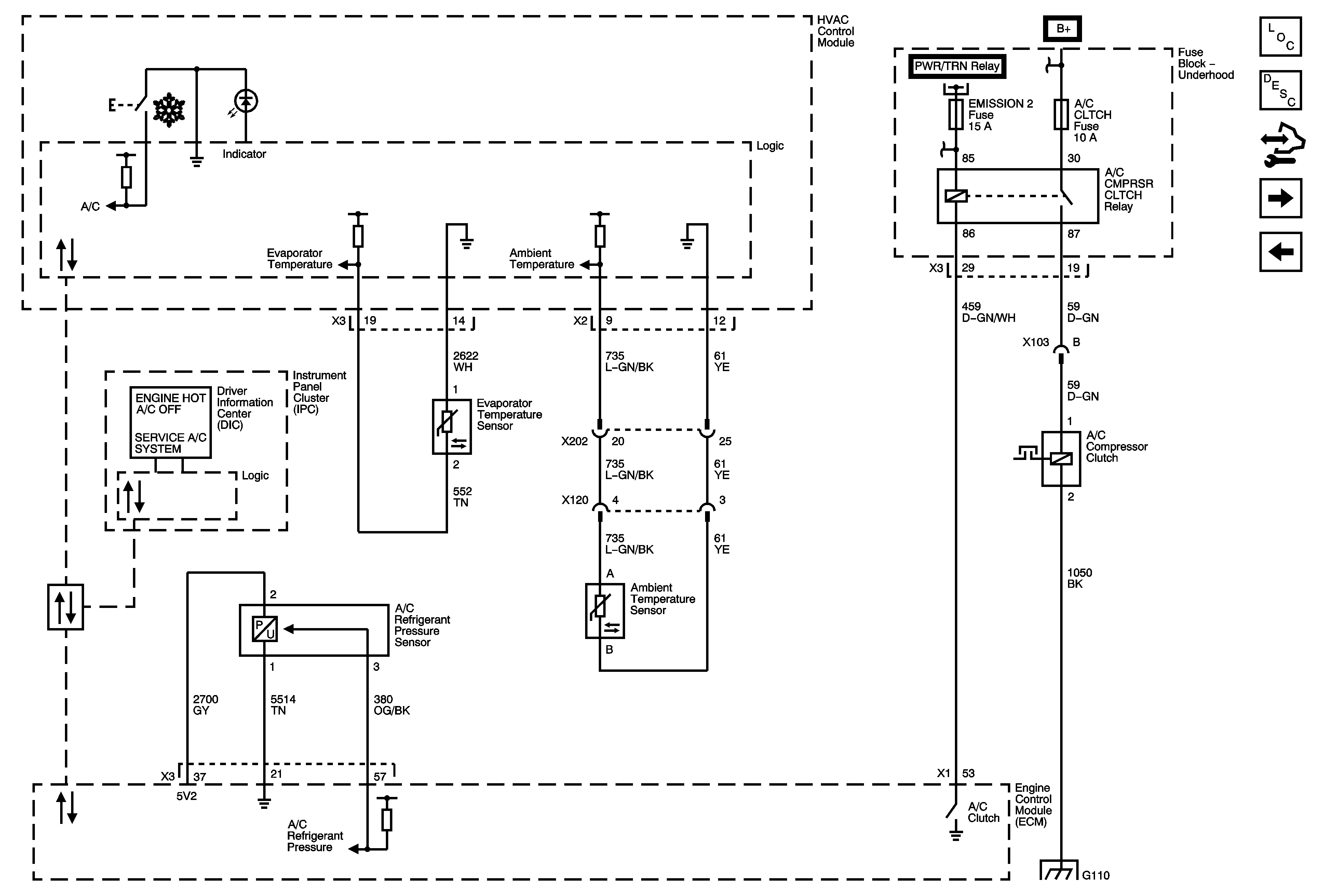
Compressor Controls
Compressor Controls
Master Electrical Component List
Air Temperature Description and Operation
Control Module References
Rear HVAC without UK6
Actuators
B+ Bus 2 of 2
B+ Bus 1 of 2
Data Communication Schematics
G105 and G110