GM Service Manual Online
For 1990-2009 cars only
Makes
🢒
GMC_Truck
🢒
2007
🢒
Acadia - 2WD
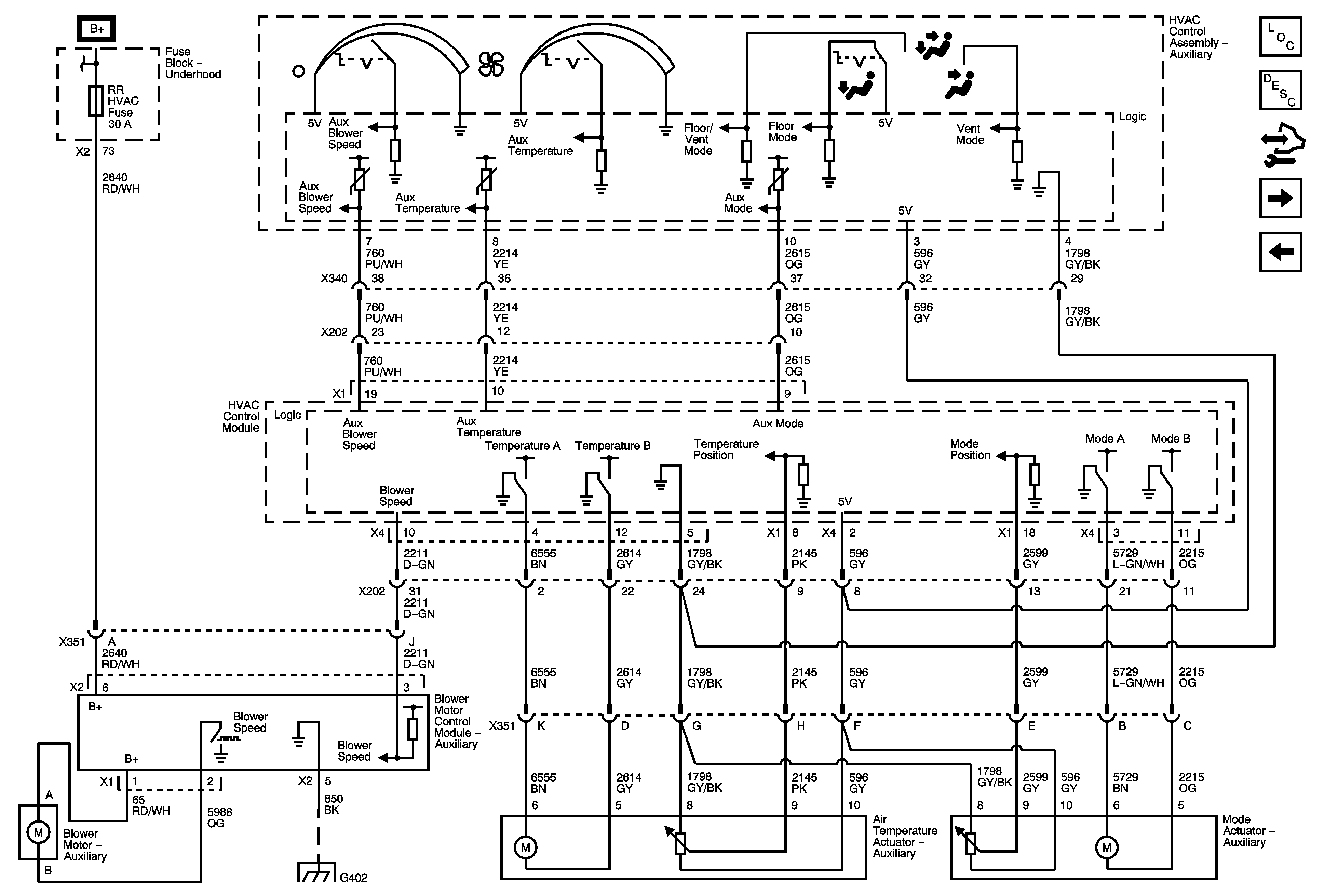
🢒 Rear HVAC without UK6
Rear HVAC without UK6
Rear HVAC -UK6
Master Electrical Component List
Air Temperature Description and Operation
Control Module References
Rear HVAC with UK6
Compressor Controls
B+ Bus 1 of 2
G402 1 of 2