GM Service Manual Online
For 1990-2009 cars only
Makes
🢒
GMC_Truck
🢒
2007
🢒
Acadia - 2WD
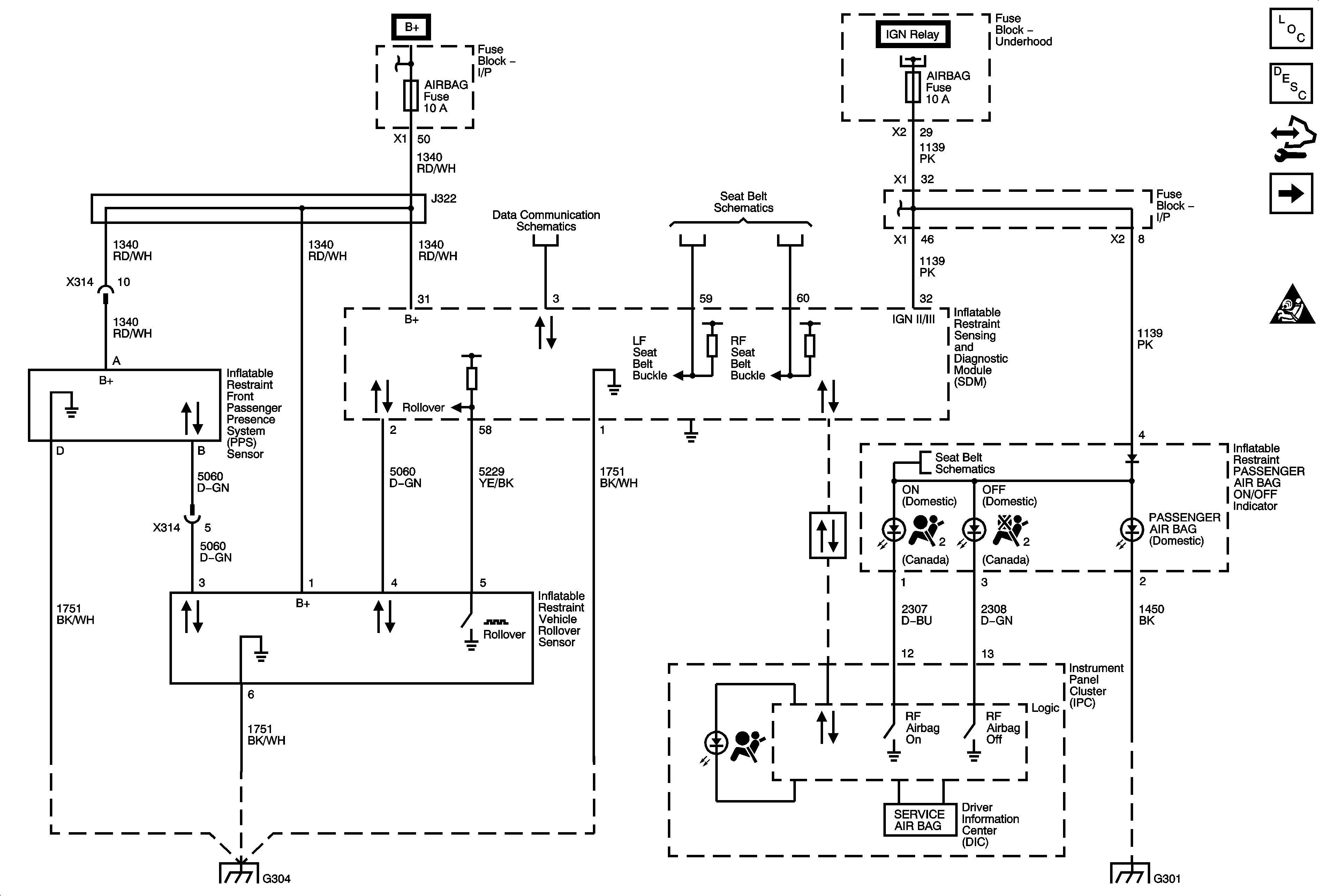
🢒 Module Power, Ground, Indicators, Rollover/Passenger Presence Sensors
Module Power, Ground, Indicators, Rollover/Passenger Presence Sensors
Module Power, Ground, Indicators, Rollover/Passenger Presence Sensors
Master Electrical Component List
SIR System Description and Operation
Control Module References
Front End Sensors, Seat Belt Pretentioners, and Front Air Bags
AIRBAG, AMP, BATT 1, BCM, CNSTR/VENT, CSTY, DISPLAY, INADV/PWR/LED, INFOTAINMENT, MSM, POWER MOD, and RADIO Fuses
Data Communication Schematics
Seat Belt Schematics
B+ Bus 2 of 2
Data Communication Schematics
Seat Belt Schematics
G303 2 of 2, G304, and G305
G301 1 of 2
SIR Schematic Icons