GM Service Manual Online
For 1990-2009 cars only
Makes
🢒
GMC_Truck
🢒
2007
🢒
Acadia - 2WD
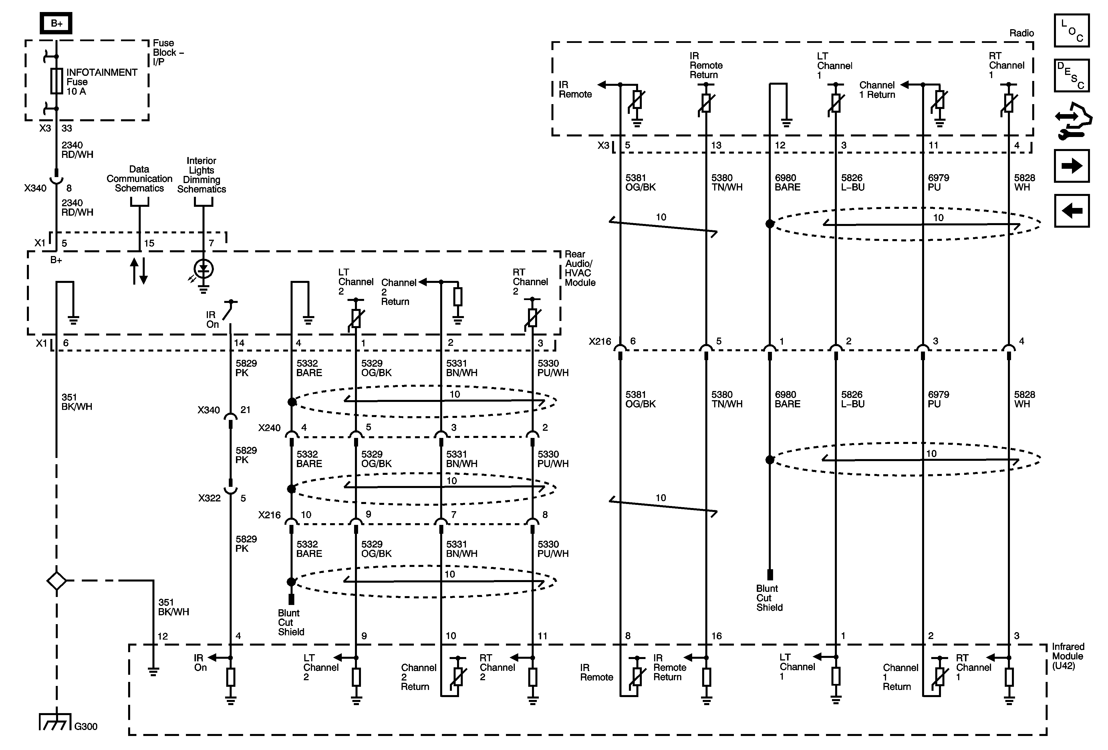
🢒 Rear Video/Audio/HVAC Module Power, Ground, Lighting, Data Communication, and Infrared Module
Rear Video/Audio/HVAC Module Power, Ground, Lighting, Data Communication, and Infrared Module
Rear Video/Audio/HVAC Module Power, Ground, Lighting, Data Communication, and Infrared Module
Master Electrical Component List
Radio/Audio System Description and Operation
Control Module References
XM Radio - U2K
Except Door Speakers - UQG
AIRBAG, AMP, BATT 1, BCM, CNSTR/VENT, CSTY, DISPLAY, INADV/PWR/LED, INFOTAINMENT, MSM, POWER MOD, and RADIO Fuses
Data Communication Schematics
Console and Driver Door LEDs
G300