GM Service Manual Online
For 1990-2009 cars only
Makes
🢒
GMC_Truck
🢒
2007
🢒
Acadia - 2WD
🢒 E69
E69
E69
Master Electrical Component List
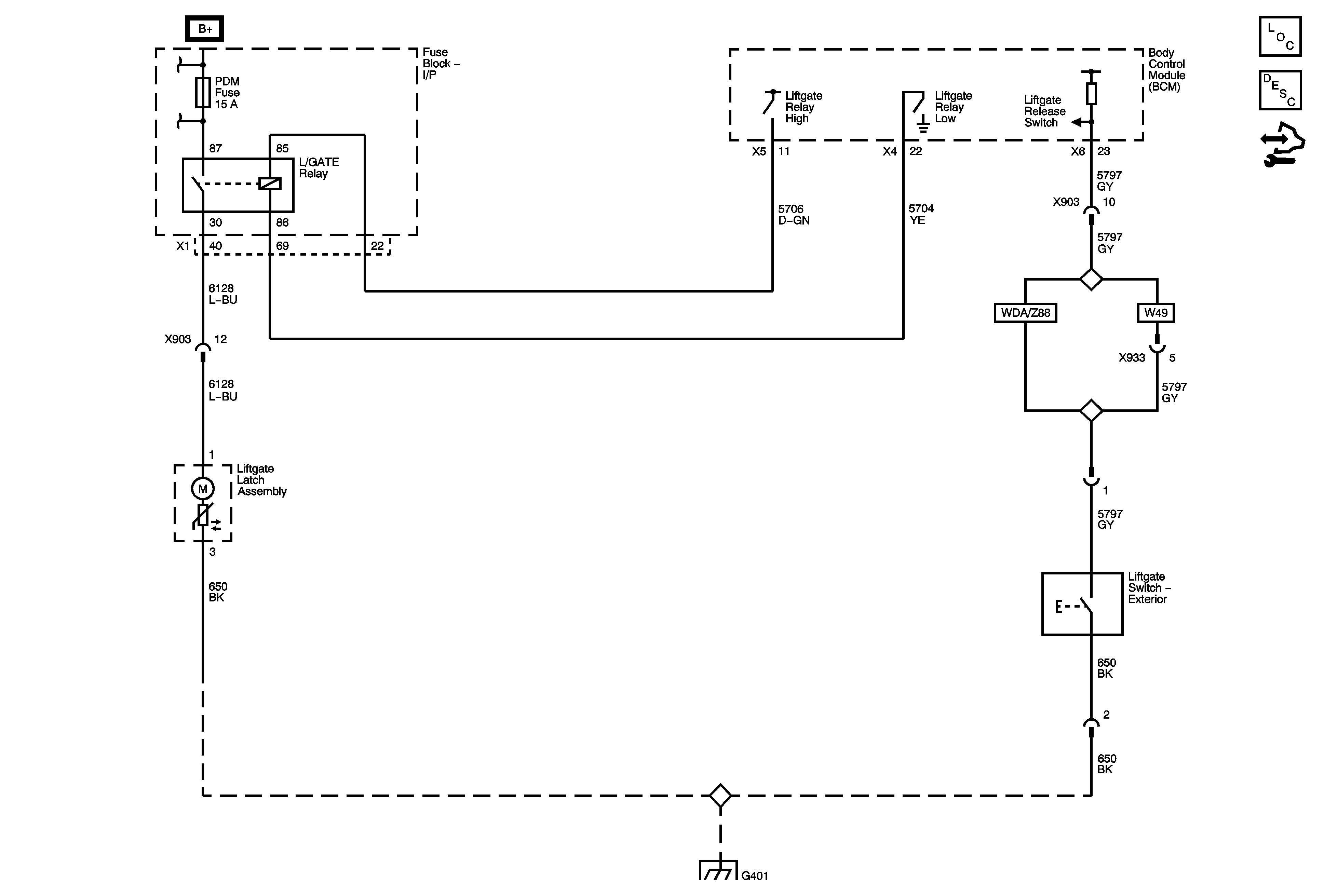
Rear Hatch/Gate Description and Operation
Control Module References
BATT 2, BCK/UP/STOP, HTD/SEAT, LT/TRN/SIG, PDM, PWR/MIRRORS, and RT/TRN/SIG Fuses, LT/PWR/SEAT, PWR/COLUMN, and RT/PWR/SEAT Circuit Breakers
G401 1 of 2