GM Service Manual Online
For 1990-2009 cars only

Tools Required

J 39580 Engine Support Stand

Removal Procedure

  1. Install the engine support fixture. Refer to Engine Support Fixture .
  2. Raise and support the vehicle. Refer to Lifting and Jacking the Vehicle .
  3. Remove the front tires and wheels. Refer to Tire and Wheel Removal and Installation .

  4. Object Number: 1857709  Size: SH
  5. Remove the left engine splash shield. Refer to Engine Splash Shield Replacement .
  6. Remove the exhaust flexible pipe. Refer to Exhaust Flexible Pipe Replacement .
  7. Remove the propeller shaft if the vehicle is equipped with all wheel drive. Refer to Propeller Shaft Replacement .

  8. Object Number: 1852433  Size: SH
  9. Remove both lower ball joint retaining nuts. Refer to Lower Control Arm Replacement .
  10. Remove the lower ball joints from the steering knuckles. Refer to Lower Control Arm Replacement .
  11. Disconnect the stabilizer shaft links from the stabilizer shaft. Refer to Stabilizer Shaft Link Replacement .
  12. Remove the power steering gear heat shields. Refer to Steering Gear Heat Shield Replacement .

  13. Object Number: 1852431  Size: SH

    Important: Whenever the steering gear is moved in relation to the body, disconnect the intermediate shaft from the steering gear stub shaft.

  14. Disconnect the intermediate shaft from the steering gear stub shaft. Refer to Intermediate Steering Shaft Replacement .
  15. Remove the power steering gear bolts. Refer to Steering Gear Replacement .
  16. Remove the power steering gear from the frame. Refer to Steering Gear Replacement .
  17. Use mechanics wire secure the power steering gear to the exhaust manifold.

  18. Object Number: 1857014  Size: SH
  19. Remove the engine and transmission mount vacuum hose retainers from the frame if the vehicle is equipped with the active mount control system.

  20. Object Number: 1857015  Size: SH
  21. Remove the power steering cooler inlet pipe from the frame. Refer to Power Steering Cooler Pipe/Hose Replacement .

  22. Object Number: 1857001  Size: SH
  23. Remove and discard the engine and transmission mount lower nuts.
  24. Lower the vehicle until the frame contacts the J 39580 .
  25. Remove the underbody rear side rail. Refer to Underbody Rear Side Rail Replacement .

  26. Object Number: 1855951  Size: SH
  27. Remove the front crossmember brace bolts (3).
  28. Important: When the frame insulator bolts are removed, always discard the bolts and replace with new bolts.

  29. Remove the front frame to body bolts (2).
  30. Remove the front crossmember brace (1).

  31. Object Number: 1855958  Size: SH
  32. Remove the reinforcement bolts (2).
  33. Remove the reinforcement studs (3).
  34. Remove the frame to body bolts (4).
  35. Remove the reinforcements (1).

  36. Object Number: 1857007  Size: SH
  37. Raise the vehicle in order to separate the frame from the vehicle.

  38. Object Number: 1857012  Size: SH
  39. Remove the frame brace bolts.
  40. Remove the frame brace.

  41. Object Number: 1857009  Size: SH
  42. Remove the stabilizer shaft. Refer to Stabilizer Shaft Insulator Replacement .
  43. Remove the lower control arms. Refer to Lower Control Arm Replacement .
  44. Remove the frame insulators from the frame. Refer to Front Frame Cushion or Insulator Replacement and Rear Frame Cushion or Insulator Replacement .

Installation Procedure

  1. Install the frame insulators to the frame. Refer to Front Frame Cushion or Insulator Replacement and Rear Frame Cushion or Insulator Replacement .

  2. Object Number: 1857009  Size: SH
  3. Install the lower control arms. Refer to Lower Control Arm Replacement .
  4. Install the stabilizer shaft. Refer to Stabilizer Shaft Insulator Replacement .

  5. Object Number: 1857012  Size: SH
  6. Install the frame brace.
  7. Notice: Refer to Fastener Notice in the Preface section.

  8. Install the frame brace bolts.
  9. Tighten
    Tighten the bolts to 60 N·m (44 lb ft).


    Object Number: 1857007  Size: SH
  10. Position the transmission table with the frame under the vehicle.
  11. Important: Ensure that the power steering cooler line does not become trapped by the engine mount during this step.

  12. Lower the vehicle while aligning the powertrain mounts with the frame until the vehicle is close to the frame.
  13. Important: Ensure that the alignment pins remain installed during the frame installation.

  14. Inserting two 19 mm (0.75 in) diameter X 203 mm (8.0 in) long guide pins or drill bits into the frame rear alignment holes in order to align the frame.

  15. Object Number: 1855951  Size: SH
  16. Install the front crossmember brace (1).
  17. Important: If the frame insulator bolt does not screw in smoothly, run a tap through the frame nut in the body in order to remove foreign material. Ensure the tap does not punch through the underbody.

    Do not over tighten the insulator. Over tightening may collapse a spacer or strip a bolt.

  18. Install the front frame to body bolts (2).
  19. Tighten
    Tighten the bolts to 110 N·m (81 lb ft) plus 90 degrees.

  20. Install the front crossmember brace bolts (3).
  21. Tighten
    Tighten the bolt to 50 N·m (37 lb ft).


    Object Number: 1855958  Size: SH
  22. Install the reinforcements (1).
  23. Install the rear frame to body bolts (4).
  24. Tighten
    Tighten the bolts to 110 N·m (81 lb ft) plus 90 degrees.

  25. Install the reinforcement bolts (2).
  26. Tighten
    Tighten the bolt to 60 N·m (44 lb ft).

  27. Install the reinforcement studs (3).
  28. Tighten
    Tighten the stud to 60 N·m (44 lb ft).

  29. Remove the alignment pins from the frame.
  30. Install the underbody rear side rail. Refer to Underbody Rear Side Rail Replacement .
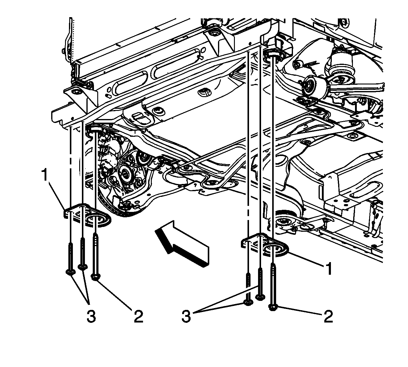
  31. Important: The engine and transmission mount nuts must be replaced once removed. When the nut has to be loosened or removed, threadlocker must be used in addition to using a new nut. Allow adhesive on new engine and transmission mount nuts to cure for 24 hours after replacement.


    Object Number: 1857001  Size: SH
  32. Apply threadlocker GM P/N 12345382 (Canadian P/N 10953489) to the engine and transmission mount threads.
  33. Install the engine and transmission mount nuts.
  34. Tighten
    Tighten the nuts to 75 N·m (55 lb ft).


    Object Number: 1857015  Size: SH
  35. Install the power steering cooler inlet pipe to the frame. Refer to Power Steering Cooler Pipe/Hose Replacement .
  36. Install the power steering gear to the frame. Refer to Steering Gear Replacement .
  37. Install the power steering gear bolts. Refer to Steering Gear Replacement .
  38. Install the power steering gear heat shield. Refer to Steering Gear Heat Shield Replacement .

  39. Object Number: 1857014  Size: SH
  40. Install the engine and transmission mount vacuum hose retainers to the frame if the vehicle is equipped with the active mount control system.

  41. Object Number: 1852431  Size: SH

    Important: Whenever the steering gear is moved in relation to the body, disconnect the intermediate shaft from the steering gear stub shaft.

  42. Disconnect the intermediate shaft from the steering gear stub shaft. Refer to Intermediate Steering Shaft Replacement .
  43. Connect the stabilizer shaft links to the stabilizer shaft. Refer to Stabilizer Shaft Link Replacement .

  44. Object Number: 1852433  Size: SH
  45. Install the lower ball joints to the steering knuckles. Refer to Lower Control Arm Replacement .
  46. Install both lower ball joint retaining nuts. Refer to Lower Control Arm Replacement .
  47. Install the propeller shaft if the vehicle is equipped with all wheel drive. Refer to Propeller Shaft Replacement .
  48. Install the exhaust flexible pipe. Refer to Exhaust Flexible Pipe Replacement .

  49. Object Number: 1857709  Size: SH
  50. Install the left engine splash shield. Refer to Engine Splash Shield Replacement .
  51. Install the front tires and wheels. Refer to Tire and Wheel Removal and Installation .
  52. Lower the vehicle.
  53. Remove the engine support fixture.
  54. Inspect the front wheel alignment and adjust the toe angle if necessary. Refer to Wheel Alignment Measurement .