GM Service Manual Online
For 1990-2009 cars only

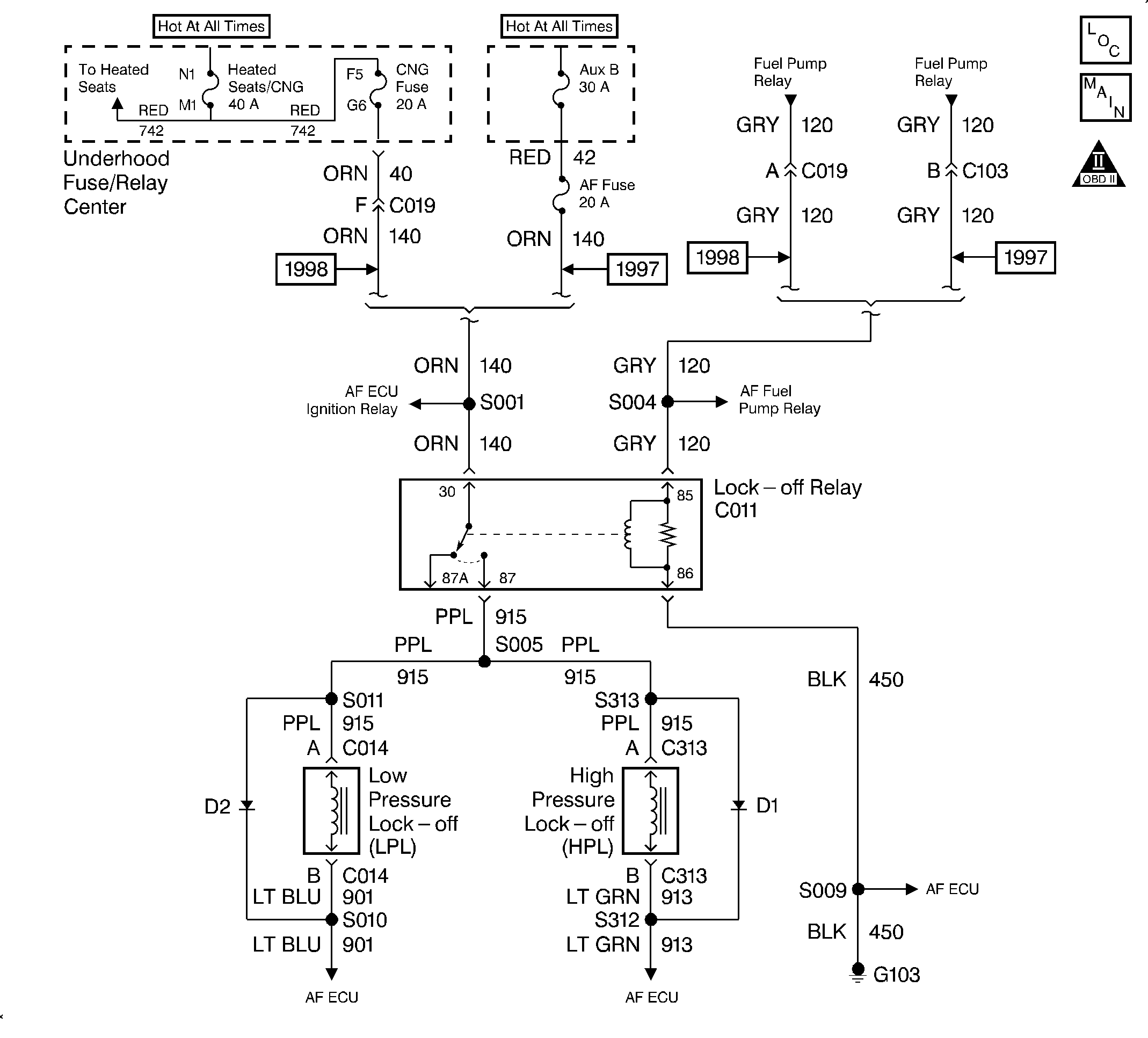
Object Number: 322564  Size: LF
OBDII Symbol Description Notice
Engine Controls Components
Engine Controls Schematics (PWR, GND and DLC - 1998)

Step

Action

Value(s)

Yes

No

1

Inspect AF Fuse 1.

Is the fuse blown?

--

Go to Step 13

Go to Step 2

2

  1. Remove AF Fuse 2.
  2. Disconnect the low pressure lock-off (LPL) connector C014.
  3. Start the vehicle. Note that the vehicle will start on gasoline.
  4. Probe CKT 915 (PPL) in terminal A of connector C014 using a test light.

Does the test light illuminate?

--

Go to Step 3

Go to Step 4

3

  1. Turn the ignition OFF.
  2. Probe CKT 915 (PPL) in terminal A of connector C014 using a test light.

Does the test light illuminate?

--

Go to Step 10

Go to Step 14

4

  1. Turn the ignition OFF.
  2. Disconnect the lock-off relay connector C011.
  3. Install a test light between CKT 140 (ORN) in terminal 30 and CKT 450 (BLK) in terminal 86 of connector C011.

Does the test light illuminate?

--

Go to Step 5

Go to Step 6

5

  1. Connect the test light to ground.
  2. Start the vehicle. Note that the vehicle will start on gasoline.
  3. Probe CKT 120 (GRY) in terminal 85 of connector C011.

Does the test light illuminate?

--

Go to Step 7

Go to Step 11

6

  1. Connect the test light to ground.
  2. Probe CKT 140 (ORN) in terminal 30 of connector C011.

Does the test light illuminate?

--

Go to Step 9

Go to Step 8

7

Inspect the continuity of CKT 915 (PPL) in terminal 87 of connector C011 to terminal A of connector C014 using a DVOM.

Is there continuity?

--

Go to Step 12

Go to Step 13

8

  1. Inspect AF Fuse F1.
  2. If the fuse is OK, then locate and repair the open in CKT 140. Refer to Repair Procedures in Electrical Diagnosis in the C/K Truck Service Manual.

Is the action complete?

--

Go to Step 14

--

9

Locate and repair the open in CKT 450. Refer to Repair Procedures in Electrical Diagnosis in the C/K Truck Service Manual.

Is the action complete?

--

Go to Step 14

--

10

  1. Disconnect lock-off relay connector C011.
  2. Probe CKT 120 (GRY) in terminal 85 of connector C011 using a test light.

Does the test light illuminate?

--

Go to Step 11

Go to Step 12

11

CKT 120 is shorted to power. Locate and repair the circuit malfunction. Refer to Repair Procedures in Electrical Diagnosis in the C/K Truck Service Manual.

Is the action complete?

--

Go to Step 14

--

12

Replace the lock-off relay.

Is the action complete?

--

Go to Step 14

--

13

Repair the circuit as necessary. Refer to Repair Procedures in Electrical Diagnosis in the C/K Truck Service Manual.

Is the action complete?

--

Go to Step 14

--

14

  1. Remove AF Fuse F2 .
  2. Disconnect the LPL connector C014
  3. Start the vehicle. Note that the vehicle will start on gasoline.
  4. Probe CKT 915 (PPL) in terminal A of connector C014.

Does the test light illuminate?

--

Relay OK

Go to Step 1