GM Service Manual Online
For 1990-2009 cars only
Makes
🢒
GMC_Truck
🢒
2000
🢒
GMC C Pickup - 2WD (CNG)
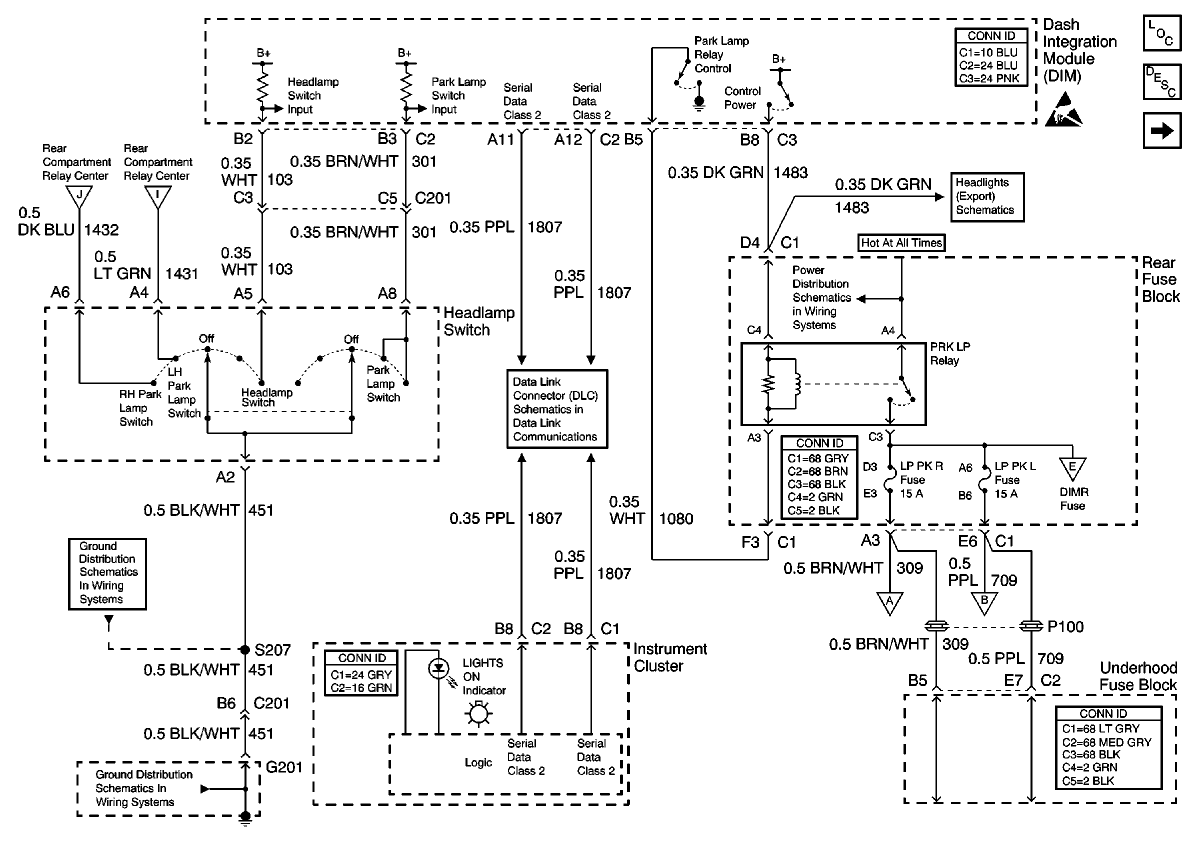
🢒 Headlamp Switch, Park Lamp Relay
Headlamp Switch, Park Lamp Relay
Headlamp Switch, Park Lamp Relay
Lighting Systems Components
Exterior Lights Circuit Description
Turn/Hazard Flasher Module, Hazard Switch
Handling ESD Sensitive Parts Notice
Standing and Position Lamp Relays
Standing and Position Lamp Relays
License and Cornering Lamps
Low Beam Headlamps
Rear Fuse Block Battery Voltage
Serial Data Class 2 (1 of 3)
Standing and Position Lamp Relays
Standing and Position Lamp Relays
G201 - Steering Column CKT 451
G201 - Steering Column CKT 451